Запчасти Case IH 1370 (059A) - PYROMETER KIT (04) - ELECTRICAL SYSTEMS

Схема запчастей Case IH 1370 - (059A) - PYROMETER KIT (04) - ELECTRICAL SYSTEMS
10
9
5
7
20
3
19
8
4
18
21
24
17
22
23
25
2
6
11
16
15
12
FIT
1:1
100%

Артикул

Название

Примечание

Количество

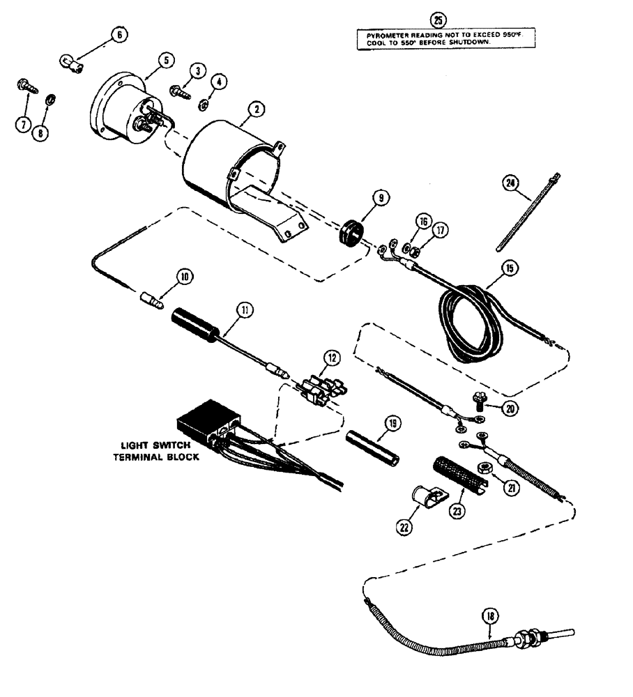
A62554

ELECTRICAL GAUGE

PYROMETER ATTACHMENT, Includes Ref: 2 - 25

1шт.

2

A62558

TUBE

- mounting, pyrometer

1шт.

3

187-1109

SELF-TAP SCREW,Cross Pan Hd, #8 x 1/2"

SCREW - #8-32 x 1/2" self-tapping (Plated)

4шт.

4

195-510

WASHER,#8

- plain, 3/16 x 7/16 x 1/16" (Plated)

4шт.

5

A76278

ELECTRICAL GAUGE

PYROMETER - engine exhaust

1шт.

6

T29381

BULB

- 12 volt (Mfrs. #1816)

1шт.

7

187-1104

SELF-TAP SCREW,Cross Pan Hd, #6 x 3/4"

SCREW - #6-32 x 3/4" self-tapping (Plated)

3шт.

8

192-15

LOCK WASHER,Helical Spring, #6, 0.145" ID, CST, ZND

Washer, Lock, #6

3шт.

9

A27338

GROMMET

- wire harness

1шт.

10

L10051

TERMINAL CONNECTOR,Male

TERMINAL - light wire

1шт.

11

A62555

ELECTRICAL WIRE

WIRE - pyrometer light

1шт.

12

A62556

CONNECTOR, ELEC

CONNECTOR - bullet, light wire

1шт.

15

T39218

HARNESS

- wire

1шт.

16

195-15

WASHER,#12

- plain, 1/4 x 1/2 x 1/16" (Plated)

2шт.

17

129-502

NUT,1/4"-28, Brass

2шт.

18

T39217

ELECTRICAL WIRE

THERMOCOUPLE - pyrometer

1шт.

19

T39219

BOOT

- connector

1шт.

20

175-57

SCREW,Sl Truss Hd, #6 - 32 x 1/4"

- #6-32 x 1/4" truss hd. (Plated)

2шт.

21

86625057

NUT,#10-24, GB

NUT - #6-24 self-locking (Plated)

2шт.

22

A62209

CLAMP,5/16", Insul, 1/4" Bolt

- lead wire

2шт.

23

A12458

SLEEVE

- wire harness

2шт.

24

L11541

CABLE TIE,203.2mm L, Nylon

STRAP - nylon, wire harness

1шт.

25

321-1778

DECAL

- pyrometer temperature reading

1шт.

Выбрано товаров: 23