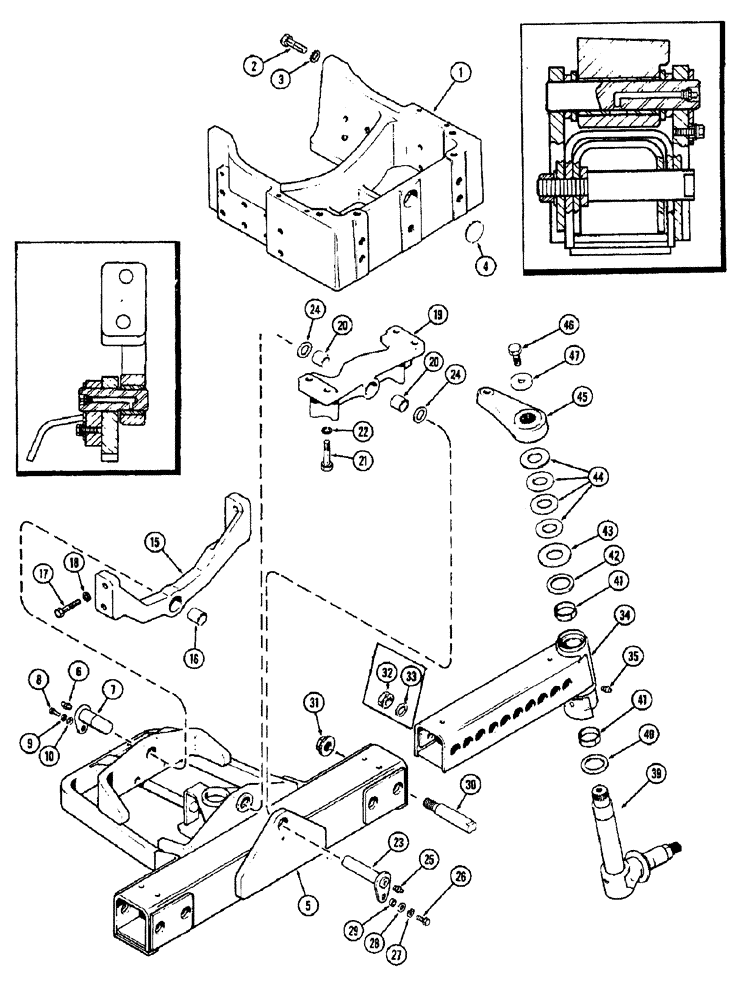
Запчасти Case IH 1370 (090) - ADJUSTABLE FRONT AXLE (05) - STEERING

Схема запчастей Case IH 1370 - (090) - ADJUSTABLE FRONT AXLE (05) - STEERING
45
15
18
10
33
25
47
33
44
48
22
24
9
34
2
6
41
17
29
46
27
20
5
23
20
36
7
24
32
31
4
21
43
26
16
47
29
39
19
1
8
35
42
FIT
1:1
100%

Артикул

Название

Примечание

Количество

1

A65100

SUPPORT

- front axle (1st used trac. ser. no. 8706063)

1шт.

1

A63991

SUPPORT

- front axle (Used prior to trac. ser. no. 8706063) (Order A65100 support plus A65098 & A65099 brkt. Figure 010)

1шт.

2

113-753

BOLT - (3/4 x 2-1/2" N.C. hex.), Serial Range: Support-engine

4шт.

3

A34651

LOCK WASHER

- lock (3/4" ext. tooth)

4шт.

4

205-69

PLUG - button

1шт.

5

A64593

AXLE ASSY. - center section, Includes Ref: 6 - 10

1шт.

6

219-41

LUBE NIPPLE,65 Degree Elbow, 1/8" - 27 NPTF

NIPPLE, LUBE, 65º, 1/8" NPT x 1.20" lg

1шт.

7

A61359

PIN

- pivot, rear support

1шт.

8

13-616

BOLT,Hex, 3/8" - 16 x 1", Gr 5, Full Thd

1шт.

9

92-6

LOCK WASHER,3/8"

1шт.

10

195-25

WASHER,3/8"

- plain (13/32 x 13/16 x 1/16")

1шт.

15

A63980

SUPPORT

ASSY. - axle pivot, rear, Includes Ref: 16

1шт.

16

A61357

BUSHING,38.05mm ID x 47.7mm OD x 38.1mm L

- axle support

1шт.

17

13-1236

BOLT,Hex, 3/4" - 10 x 2-1/4", Gr 5

Support to side rail Hex, 3/4"-10 x 2 1/4", G5

4шт.

18

92-12

LOCK WASHER,3/4"

WASHER, LOCK, 3/4"

4шт.

19

A61352

SUPPORT

ASSY. - axle pivot, front, Includes Ref: 20

1шт.

20

A61354

BUSHING,38.05mm ID x 47.7mm OD x 44.45mm L

- support

2шт.

21

113-754

BOLT

- (3/4 x 3" N.C. hex.), Support to front end castings

4шт.

22

92-12

LOCK WASHER,3/4"

WASHER, LOCK, 3/4"

4шт.

23

A61383

AXLE PIN

PIN - front axle pivot

1шт.

24

A61385

WASHER

- thrust, pivot pin

2шт.

25

219-1

LUBE NIPPLE,1/8" - 27 NPTF

FITTING - grease (1/8" P.T., straight)

1шт.

26

13-620

BOLT,Hex, 3/8" - 16 x 1-1/4", Gr 5, Full Thd

1шт.

27

92-6

LOCK WASHER,3/8"

1шт.

28

A37627

WASHER

- plain (13/32 x 1-1/2" x 3/16")

1шт.

29

A59660

SPACER

- front axle pivot pin

1шт.

30

A64757

STEP BOLT

BOLT - end section to center section

4шт.

31

A65435

LOCK NUT

- flanged (7/8" N.C. lock) (Replaces A59649 & 195-2097)

4шт.

32

A59649

FASTENER

NUT - (7/8" N.C., two-way lock) (Order A65435)

4шт.

33

195-2097

WASHER,15/16" x 1 3/4" x .083"

- plain (7/8")

4шт.

34

A62156

AXLE - end section, R.H.

1шт.

34

A62157

AXLE - end section, L.H.

1шт.

35

219-1

LUBE NIPPLE,1/8" - 27 NPTF

FITTING - grease (1/8" P.T., straight)

2шт.

39

A62920

SPINDLE

- front wheel

2шт.

40

A61397

THRUST BEARING,2.265" ID x 3.031" OD x 0.12"

BEARING - thrust, spindle, lower

2шт.

41

A61398

BUSHING

- spindle, upper & lower

4шт.

42

A61399

SEAL

- oil, spindle, upper

2шт.

43

A61400

SPACER

SHIELD - dust, spindle, upper

2шт.

44

A35345

SHIM,.0359" Thk

King pin (#20 gauge) .0359" Thk

1шт.

44

A35346

SHIM,.0598" Thk

King pin (16 gauge) .0598" Thk

1шт.

44

A35347

SHIM,.1345" Thk

King pin (10 gauge) .1345" Thk

1шт.

45

A61404

ARM

- steering, R.H.

1шт.

45

A61405

ARM

- steering, L.H.

1шт.

46

13-1228

BOLT,Hex, 3/4" - 10 x 1-3/4", Gr 5

Spindle Hex, 3/4"-10 x 1 3/4", G5

2шт.

47

A61406

WASHER

- front wheel spindle

2шт.

Выбрано товаров: 45