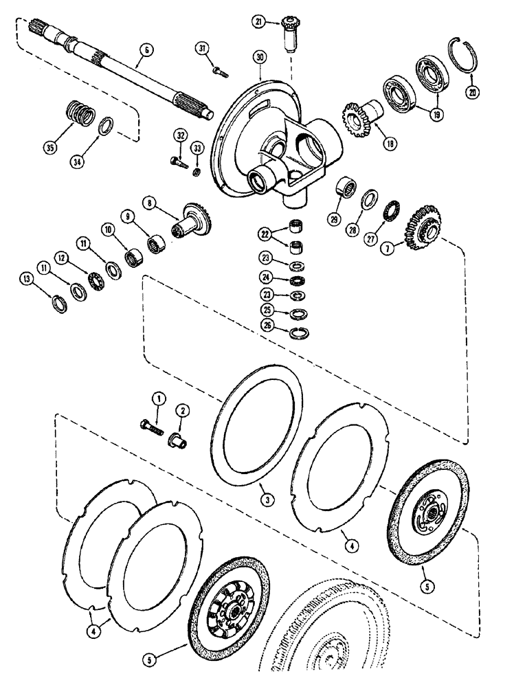
Запчасти Case IH 1370 (106) - TORQUE LIMITER AND PUMP DRIVE (06) - POWER TRAIN

Схема запчастей Case IH 1370 - (106) - TORQUE LIMITER AND PUMP DRIVE (06) - POWER TRAIN
30
11
4
1
20
7
27
21
18
11
10
28
37
24
13
8
12
5
4
25
3
23
29
32
23
22
35
6
33
9
19
34
5
2
26
FIT
1:1
100%

Артикул

Название

Примечание

Количество

1

26-836

BOLT,Hex, 1/2" - 13 x 2-1/4", Gr 8

- (1/2 x 2-1/4" N.C. hex.)

6шт.

2

A63931

RETAINER

- clutch spring

6шт.

3

A64370

SPRING

- Belleville (Yellow coded) (0.177" thickness)

1шт.

4

A58036

PLATE

- pressure

3шт.

5

A63930

CLUTCH DISC

LIMITER - torque assembly (12")

2шт.

6

A63063

SHAFT

- front P.T.O.

1шт.

7

A64372

GEAR

- pump drive

1шт.

8

A63069

GEAR

- bevel, dual pump

1шт.

9

A24621

NEEDLE BEARING,34.92mm ID x 44.45mm OD x 25.4mm W

BEARING - roller

1шт.

10

A35767

NEEDLE BEARING,Needle, 34.91mm ID x 44.46mm OD x 19.05mm W

BEARING - roller

1шт.

11

A63070

BEARING WASHER,1.262" ID x 1.917" OD x 0.126"

RACE - thrust bearing

2шт.

12

F51467

THRUST BEARING

BEARING, Needle, Thrust

1шт.

13

A64078

RING, SNAP

RING - snap, internal (.094")

1шт.

13

A64079

RING, SNAP

RING - snap, internal (.084")

1шт.

13

A64080

RING, SNAP

RING - snap, internal (.074")

1шт.

18

A64039

GEAR

- bevel, optional pump

1шт.

19

A21266

BALL BEARING,2.1654" ID x 3.937" OD x 0.8268"

BEARING - ball, optional pump gear

2шт.

20

A63081

SNAP RING,#393, 4.234", Int

RING - snap, internal (.109")

1шт.

20

A63082

RING, SNAP

RING - snap, internal (.099")

1шт.

20

A63083

RING, SNAP

RING - snap, internal (.089")

1шт.

21

A63074

GEAR

- bevel, charging pump

1шт.

22

A63065

NEEDLE BEARING,Needle, 28.57mm ID x 34.92mm OD x 19.05mm W

BEARING - roller

2шт.

23

A63075

THRUST BEARING,0.887" ID x 1.417" OD x 0.063"

RACE - thrust bearing

2шт.

24

F19633

NEEDLE BEARING,22.27mm ID x 36.24mm OD x 1.98mm W

BEARING - needle thrust

1шт.

25

A63076

WASHER

RACE - thrust bearing

1шт.

26

A64081

RING

- snap, internal (.094")

1шт.

26

A64082

RING

- snap, internal (.084")

1шт.

26

A64083

RING

- snap, internal (.074")

1шт.

27

T41022

THRUST BEARING,38.22mm ID x 55.17mm OD x 1.98mm W

BEARING - needle thrust

1шт.

28

A54031

WASHER,38.15mm ID x 55.3mm OD x 2.41mm Thk

RACE - thrust bearing

1шт.

29

A63061

BEARING, NEEDLE,1.4995" ID x 1.8750" OD x 1"

BEARING - needle

1шт.

Use A66476 Needle Bearing after S/N 8727601

1шт.

30

A63060

HOUSING - pump drive

1шт.

31

13-624

BOLT,Hex, 3/8" - 16 x 1-1/2", Gr 5

- (3/8 x 1-1/2" N.C. hex.) (Pump hsg. to torque tube)

5шт.

32

A63062

BOLT

- dowel

1шт.

33

92-7

LOCK WASHER,7/16"

1шт.

34

A63067

SPACER

RETAINER - spring

1шт.

35

A63068

SPRING

- planetary input gear

1шт.

Выбрано товаров: 38