Запчасти Case IH 1370 (110) - CLUTCH, PLANETARY (06) - POWER TRAIN

Схема запчастей Case IH 1370 - (110) - CLUTCH, PLANETARY (06) - POWER TRAIN
18
8
17
9
16
20
25
18
6
3
19
5
23
15
2
20
16
10
26
22
7
18
1
24
21
4
FIT
1:1
100%

Артикул

Название

Примечание

Количество

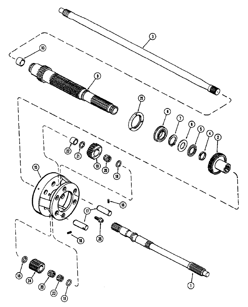
1

A63063

SHAFT

- front P.T.O.

1шт.

2

A63102

GEAR

- planetary input

1шт.

3

A64005

SHAFT - power input

1шт.

4

A58989

RING

- sealing, Serial Range: shaft-gear

1шт.

5

A54022

THRUST BEARING,44.56mm ID x 63.13mm OD x 1.98mm W

BEARING - needle thrust

1шт.

6

A54021

WASHER

RACE - thrust, 1-3/4 x 2-1/2 x 3/32 inch (44 x 64 x 2 MM)

1шт.

7

A7611

SNAP RING,#175, Ext

Ring, Snap, , shaft locating #175, Ext

1шт.

8

A63109

BEARING, BALL

BEARING - ball, planetary carrier (With snap ring)

1шт.

9

A63110

SHAFT

ASSY. - planetary output, Includes Ref: 10

1шт.

10

A63112

BUSHING

- P.T.O. support

1шт.

15

A64497

CARRIER

- planetary

1шт.

16

138-92

LOCK PIN,3/16" x 3/4", Slotted

PIN, 3/16" x 3/4", Slotted

6шт.

17

A63107

PIN

- planet gear

6шт.

18

A58070

WASHER,25.45mm ID x 44.45mm OD x 0.76mm Thk

RACE - thrust, planet gear

9шт.

19

A63105

GEAR

- planet, short

3шт.

20

A62543

NEEDLE BEARING,25.39mm ID x 33.36mm OD x 31.56mm W

BEARING - roller, planet gear

6шт.

21

A58406

SPACER

RACE - thrust, rear, short planet

3шт.

22

A63106

SPACER

- planet gear, short

3шт.

23

A58077

ROLLER BEARING,25.395 mm ID x 33.3578 mm OD x 25.21 mm

BEARING - roller, planet gear

3шт.

24

A63108

GEAR

- planet, long

3шт.

25

A64444

COLLAR

RETAINER - planetary carrier

1шт.

26

165-156

HEX SOC SCREW,Prev Torque, #10 - 24 x 5/8"

SCREW - cap (#10-24 x 5/8" socket hd.) (w/Jaylock)

3шт.

Выбрано товаров: 22