Запчасти Case IH 1370 (120) - DIFFERENTIAL, BRAKE ASSEMBLY (06) - POWER TRAIN

Схема запчастей Case IH 1370 - (120) - DIFFERENTIAL, BRAKE ASSEMBLY (06) - POWER TRAIN
10
5
11
12
8
2
7
3
4
13
6
6
14
9
1
FIT
1:1
100%

Артикул

Название

Примечание

Количество

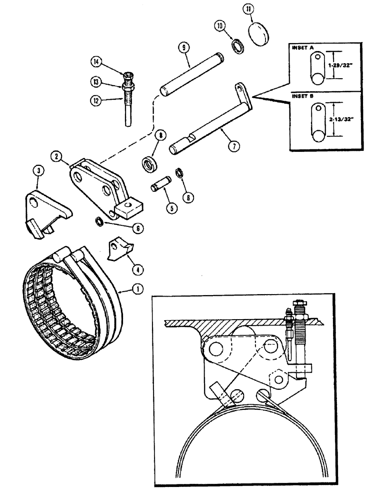
1

A63231

BAND

BRAKE ASSY. - with lining

1шт.

2

A63242

BRACKET

- brake band anchor

1шт.

3

A63246

LEVER

- brake band

1шт.

4

A65459

LEVER

- adjusting, brake band (Replaces A63250)

1шт.

5

A63251

PIN

- brake

1шт.

6

A59594

RING

- snap, external (Replaces 49476)

2шт.

7

A63238

SHAFT - brake (Used prior to trac. ser. no. 8722704) (Has 1-29/32" long lever see inset A)

1шт.

7

A65834

SHAFT

- brake (1st used trac. ser. no. 8722704) (Has 2-13/32" long lever, see inset B)

1шт.

8

A55855

OIL SEAL

- oil

1шт.

9

A63241

SHAFT

- brake lever

1шт.

10

B18208

SNAP RING,#100, Ext

shaft #100, Ext

1шт.

11

41-1622

PLUG,Cup, 1 3/8", Stainless

- Mercury

1шт.

NSS

NOT SOLD SEPARAT

SCREW ASSY. - adjustment, emergency brake band, Includes Ref: 12 - 14

1шт.

12

A63249

SCREW,3/4" - 10 x 5.88"

- adjusting

1шт.

13

25-1412

JAM NUT,Jam, 3/4"-10, G5

- (3/4" N.C. hex. jam)

1шт.

14

25-108

NUT,1/2"-13, G5

- (1/2" N.C. hex.)

1шт.

Выбрано товаров: 16