Запчасти Case IH 1370 (164) - P.T.O. IDLERS AND OUTPUT SHAFT (06) - POWER TRAIN

Схема запчастей Case IH 1370 - (164) - P.T.O. IDLERS AND OUTPUT SHAFT (06) - POWER TRAIN
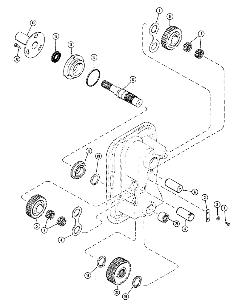
1
7
2
14
19
21
13
20
17
18
12
19
15
5
19
5
4
3
6
6
16
7
4
FIT
1:1
100%

Артикул

Название

Примечание

Количество

1

13-612

BOLT,Hex, 3/8" - 16 x 3/4", Gr 5, Full Thd

2шт.

2

95-6

WASHER,3/8"

- () plain 3/8"

2шт.

3

A63284

PLATE

STRAP - shaft securing

1шт.

4

A63281

WASHER

- thrust

2шт.

5

A63280

GEAR

- idler

2шт.

6

A63283

SHAFT

- idler gear

2шт.

7

A63282

ROLLER BEARING,1.75" ID x 2.1268" OD x 1"

BEARING - idler gear

4шт.

12

13-620

BOLT,Hex, 3/8" - 16 x 1-1/4", Gr 5, Full Thd

3шт.

13

A63290

GUARD

- P.T.O. shaft

1шт.

14

A63288

COVER

RETAINER - P.T.O. shaft bearing

1шт.

15

A63274

O-RING,0.07" Thk x 3.739" ID, -44, Cl 5, 75 Duro

"O" RING - bearing retainer

1шт.

16

A57708

SEAL

- oil, output shaft

1шт.

17

A63285

SHAFT

- P.T.O. output

1шт.

18

G13607

BALL BEARING

BEARING - ball, output shaft

1шт.

19

D22803

SNAP RING,#193, Ext

Ring, Snap, , gear #193, Ext

3шт.

20

A63287

GEAR

- driven

1шт.

21

A63286

NEEDLE BEARING

BEARING - needle, output shaft

1шт.

Выбрано товаров: 17