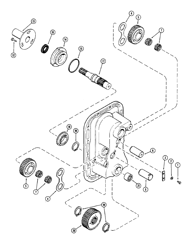
Запчасти Case IH 1370 (276) - P.T.O. IDLERS AND OUTPUT SHAFT, USED PRIOR TO P.I.N. 8811146 (06) - POWER TRAIN

Схема запчастей Case IH 1370 - (276) - P.T.O. IDLERS AND OUTPUT SHAFT, USED PRIOR TO P.I.N. 8811146 (06) - POWER TRAIN
18
20
5
13
12
5
7
4
3
7
19
1
21
2
17
6
14
15
6
16
4
19
FIT
1:1
100%

Артикул

Название

Примечание

Количество

1

13-612

BOLT,Hex, 3/8" - 16 x 3/4", Gr 5, Full Thd

2шт.

2

95-6

WASHER,3/8"

- (7/16 x 1 x 5/64")

2шт.

3

A63284

PLATE

STRAP - shaft securing

1шт.

4

A63281

WASHER

- thrust

2шт.

5

A63280

GEAR

- idler (32 teeth)

2шт.

6

A63283

SHAFT

- idler gear

2шт.

7

A63282

ROLLER BEARING,1.75" ID x 2.1268" OD x 1"

BEARING - idler gear

4шт.

12

13-620

BOLT,Hex, 3/8" - 16 x 1-1/4", Gr 5, Full Thd

3шт.

13

A63290

GUARD

- P.T.O. shaft

1шт.

14

A63288

COVER

RETAINER - P.T.O. shaft bearing

1шт.

15

A63274

O-RING,0.07" Thk x 3.739" ID, -44, Cl 5, 75 Duro

- bearing retainer (3-47/64 x 3-7/8 x 1/16")

1шт.

16

A57708

SEAL

- oil, output shaft

1шт.

17

A63285

SHAFT

- P.T.O. output

1шт.

18

A31209

BALL BEARING,49.99mm ID x 89.98mm OD x 20mm W

BEARING - ball, output shaft

1шт.

19

D22803

SNAP RING,#193, Ext

Ring, Snap, , gear #193, Ext

3шт.

20

A63287

GEAR

- driven (44 teeth)

1шт.

21

A63286

NEEDLE BEARING

BEARING - needle, output shaft

1шт.

Выбрано товаров: 17