Запчасти Case IH 1370 (308) - RIGHT HAND REMOTE HYDRAULIC VALVE AND TUBES (08) - HYDRAULICS

Схема запчастей Case IH 1370 - (308) - RIGHT HAND REMOTE HYDRAULIC VALVE AND TUBES (08) - HYDRAULICS
12
24
35
27
15
10
32
16
4
20
5
3
33
11
26
23
6
1
22
19
21
8
31
30
25
17
34
2
18
36
7
9
FIT
1:1
100%

Артикул

Название

Примечание

Количество

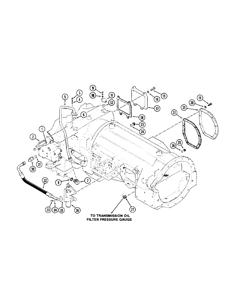
1

221-849

PLUG,Hex Soc, 1/8"-27

- pipe (1/8" hex. sckt. hd.) (In R.H. remote valve)

1шт.

2

REF

INSTRUCTION

VALVE ASSEMBLY - R.H. remote hydraulics (See Figure 310)

1шт.

3

13-520

BOLT,Hex, 5/16" - 18 x 1-1/4", Gr 5

- (5/16 x 1-1/4" N.C. hex.) Tube to trans. case

2шт.

4

92-5

LOCK WASHER,5/16"

2шт.

5

A64018

PIPE

TUBE -, Serial Range: trans.-manifold

1шт.

6

A27352

O-RING,0.859" ID x 1.137" OD x 0.139"

- (7/8 x 1-1/8 x 1/8")

1шт.

7

218-5123

ELBOW,90 Degree Elbow, 1-1/16" - 12 Male JIC x 7/8" - 14 Male ORB

ASSEMBLY - 3/4 x 1/2" 90 deg. (Replaces A64020), Includes: Ref. 8

1шт.

8

237-6010

O-RING,0.097" Thk x 0.755" ID, -910, Cl 6, 90 Duro

- 3/4 x 15/16 x 3/32"

1шт.

9

13-520

BOLT,Hex, 5/16" - 18 x 1-1/4", Gr 5

- (5/16 x 1-1/4" N.C. hex.) Cap to trans. case

2шт.

10

92-5

LOCK WASHER,5/16"

2шт.

11

A63771

PLATE

CAP - 2 bolt flange

1шт.

12

A27352

O-RING,0.859" ID x 1.137" OD x 0.139"

- (7/8 x 1-1/8 x 1/8")

1шт.

15

13-824

BOLT,Hex, 1/2" - 13 x 1-1/2", Gr 5, Full Thd

4шт.

16

92-8

LOCK WASHER,1/2"

4шт.

17

A66738

COVER

- remote valve opening (L.H.) (Replaces A63772)

1шт.

18

A66739

GASKET

- remote cover (Replaces A65509)

1шт.

19

13-624

BOLT,Hex, 3/8" - 16 x 1-1/2", Gr 5

- (3/8 x 1-1/2" N.C. hex.) Cover to torque tube

8шт.

20

92-6

LOCK WASHER,3/8"

8шт.

21

A63792

PLATE

COVER - pump opening

1шт.

22

A63793

GASKET

- pump opening

1шт.

23

9841223

PLUG,1-1/16" - 12 ORB

Assy (In trans. case), Incl. Ref. 24 Hex Soc, 1 1/16"-12 ORB

1шт.

24

218-5008

O-RING,0.116" Thk x 0.924" ID, -912, Cl 6, 90 Duro

- (3/4 x 59/64 x 1/8")

1шт.

25

218-5214

PLUG,Hex Soc, 1 5/16"-12 ORB

Assy (in torque tube) Hex Soc, 1 5/16"-12 ORB

1шт.

26

218-5010

O-RING,0.116" Thk x 1.171" ID, -916, Cl 6, 90 Duro

- (1 x 1-3/16 x 7/64")

1шт.

27

221-87

REDUCER,1/2" NPT x 1/8" NPT

BUSHING - pipe (1/2 x 1/8" hex. reducing) (In torque tube)

1шт.

30

218-5064

HYD CONNECTOR,1-1/16" - 12 Male JIC x 1-1/16" - 12 Male ORB

CONNECTOR ASSEMBLY - straight, Incl. Ref. 31

1шт.

31

218-5008

O-RING,0.116" Thk x 0.924" ID, -912, Cl 6, 90 Duro

- (3/4 x 59/64 x 1/8")

1шт.

32

A64328

HYD TUBE

- pressure

1шт.

33

13-520

BOLT,Hex, 5/16" - 18 x 1-1/4", Gr 5

- (5/16 x 1-1/4" N.C. hex.)

2шт.

34

92-5

LOCK WASHER,5/16"

2шт.

35

A27352

O-RING,0.859" ID x 1.137" OD x 0.139"

- (7/8 x 1-1/8 x 1/8")

1шт.

36

REF

INSTRUCTION

VALVE ASSEMBLY - P.T.O. and clutch regulator (See Figure 264)

1шт.

Выбрано товаров: 32