Запчасти Case IH 1370 (312) - A141383 REMOTE HYDRAULIC VALVE, RIGHT HAND WITH RELIEF VALVE (08) - HYDRAULICS

Схема запчастей Case IH 1370 - (312) - A141383 REMOTE HYDRAULIC VALVE, RIGHT HAND WITH RELIEF VALVE (08) - HYDRAULICS
83
64
66
82
78
79
56
48
87
81
55
80
69
71
85
65
54
62
67
61
52
68
86
50
89
63
90
84
87
49
88
51
47
53
70
FIT
1:1
100%

Артикул

Название

Примечание

Количество

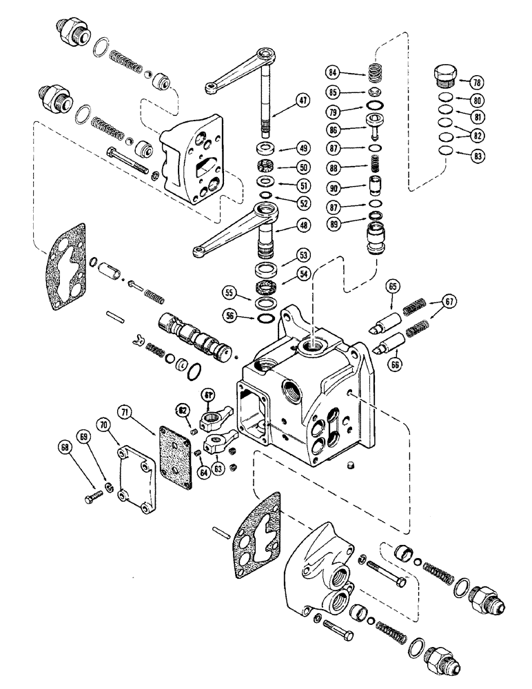
A141383

VALVE

ASSEMBLY - R.H. remote (Cont'd from Figure 310), Includes: Ref. 43 - 90 and Ref. 1 - 42 on Fig. 310

1шт.

47

A57605

LEVER

- shifter shaft (Outer)

1шт.

48

A57604

LEVER

- shifter shaft (Inner)

1шт.

49

A30875

RETAINER

- felt washer (17/32" hole)

1шт.

Part of Seal Kit P/N A43086.

1шт.

50

A30853

WASHER

- felt (1/2 x 15/16 x 1/4")

1шт.

Part of Seal Kit P/N A43086.

1шт.

51

A27409

WASHER

- spool seal (33/64 x 63/64 x 1/32")

1шт.

Part of Seal Kit P/N A43086.

1шт.

52

A64836

O-RING,0.487" ID x 0.693" OD

- outer handle (1/2 x 11/16 x 3/32")

1шт.

Part of Seal Kit P/N A43086.

1шт.

53

A30880

RETAINER

- felt washer (49/64" hole)

1шт.

Part of Seal Kit P/N A43086.

1шт.

54

A30879

WASHER

- felt (3/4 x 1-3/16 x 1/4")

1шт.

Part of Seal Kit P/N A43086.

1шт.

55

A30881

SEALING WASHER,19.45mm ID x 31.35mm OD

WASHER - spool seal (49/64 x 1-15/64 x 1/32")

1шт.

Part of Seal Kit P/N A43086.

1шт.

56

A64837

O-RING,0.103" Thk x 0.75" ID, -116, Cl 5, 75 Duro

- shaft seal (3/4 x 15/16 x 3/32")

1шт.

Part of Seal Kit P/N A43086.

1шт.

61

A57546

ARM

ASSEMBLY - valve spool shifter lever (Upper) (big hole), Includes: Ref. 62

1шт.

62

178-875

SET SCREW,Hex Soc, 1/4"-20 x 1/4"

SCREW - set (1/4 x 1/4" N.C. hex. sckt. hdless. cup pt.)

1шт.

63

A57547

ARM

ASSEMBLY - valve spool shifter lever (Lower) (small hole), Includes: Ref. 64

1шт.

64

178-875

SET SCREW,Hex Soc, 1/4"-20 x 1/4"

SCREW - set (1/4 x 1/4" N.C. hex. sckt., hdless. cup pt.)

1шт.

65

A57554

PLUNGER

- valve spool, upper

1шт.

66

A57555

PLUNGER

- valve spool, lower (w/hole)

1шт.

67

A66472

SPRING

- plunger (9/16" O.D. x 1-21/32 free length)

2шт.

68

13-414

BOLT,Hex, 1/4" - 20 x 7/8", Gr 5, Full Thd

4шт.

69

92-4

LOCK WASHER,1/4"

WASHER, LOCK, 1/4"

4шт.

70

A66435

CAP

- hydraulic valve body

1шт.

71

A76374

GASKET

- hydraulic valve body cap

1шт.

Part of Seal Kit P/N A43086.

1шт.

78

A34392

PLUG

- pilot relief valve

1шт.

79

218-5008

O-RING,0.116" Thk x 0.924" ID, -912, Cl 6, 90 Duro

- (3/4 x 59/64 x 1/8") (See A42888 kit)

1шт.

Part of Seal Kit P/N A43086.

1шт.

80

A34694

SHIM,.0201" Thk

Pilot relief spring .0201" Thk

1шт.

Refer to tag attached to valve for shim data

1шт.

81

A34817

SHIM,.0149" Thk

Pilot relief spring .0149" Thk

1шт.

Refer to tag attached to valve for shim data

1шт.

82

A34391

SHIM,.0149" Thk

Pilot relief spring (Order A34817) .0149" Thk

1шт.

Refer to tag attached to valve for shim data

1шт.

82

A34390

SHIM,.0329" Thk

Pilot relief spring .0329" Thk

1шт.

Refer to tag attached to valve for shim data

1шт.

83

A34849

SHIM,.0105" Thk

Pilot relief spring .0105" Thk

1шт.

Refer to tag attached to valve for shim data

1шт.

83

A61467

SHIM,.005" Thk

Pilot relief spring .005" Thk

1шт.

Refer to tag attached to valve for shim data

1шт.

84

A61466

SPRING

- pilot relief (49/64" O.D. x 11/16" free length)

1шт.

85

A57558

RETAINER

- pilot spring

1шт.

86

A57556

PISTON

ASSEMBLY - pilot

1шт.

87

A17526

O-RING,0.614" ID x 0.754" OD x 0.7"

- pilot relief sleeve (5/8 x 3/4 x 1/16") (See A42888 kit)

2шт.

Part of Seal Kit P/N A43086.

1шт.

88

A34382

SPRING

- pilot relief valve (11/32" O.D. x 1" free length)

1шт.

89

A34493

RING,16.33mm ID x 19.02mm OD x 1.25mm Thk

- pilot relief valve (See A42888 kit)

1шт.

Part of Seal Kit P/N A43086.

1шт.

90

A57553

PISTON

- pilot relief valve

1шт.

A43086

SEAL

KIT - seal, Includes: Ref. 49, 50, 51, 52, 53, 54, 55, 56, 71, 79, 87 and 89, and parts in Figure 310

1шт.

A42888

KIT

- seal, pilot relief valve (Includes Ref. 79, 87 and 89)

1шт.

Выбрано товаров: 57