Запчасти Case IH 1370 (342) - A66500 DIVIDER VALVE (08) - HYDRAULICS

Схема запчастей Case IH 1370 - (342) - A66500 DIVIDER VALVE (08) - HYDRAULICS
2
15
7
1
4
11
12
8
10
9
3
5
20
14
21
8
6
13
FIT
1:1
100%

Артикул

Название

Примечание

Количество

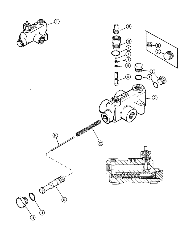
1

A66500

VALVE

ASSEMBLY - flow divider (Replaces A64176), Includes: Ref. 2 - 15

1шт.

2

NSS

NOT SOLD SEPARAT

BODY - flow divider valve

1шт.

3

A45386

PLUG

- body (9/16"-18 hex. hd.) (See Ref. 20 and 21)

2шт.

4

218-5005

O-RING,0.078" Thk x 0.468" ID, -906, Cl 6, 90 Duro

6-1, 90 Duro, .468" ID x .078" Thk, plug

2шт.

5

A43743

DIVIDER

NEEDLE - flow divider valve

1шт.

6

T30271

O-RING,0.07" Thk x 0.114" ID, -6, Cl 5, 75 Duro

- needle valve seal

1шт.

7

C15215

RING

- backup

1шт.

9

138-42

LOCK PIN,3/32" x 13/16", Slotted

Pin, 3/32" x 13/16", Slotted

1шт.

10

C15217

FITTING

- needle valve

1шт.

11

A43744

ADJUSTMENT SCREW,5/8" - 11 x 0.94"

SCREW - adjustment

1шт.

12

C11860

SPRING

- valve piston

1шт.

13

A44722

DIVIDER

PISTON - flow divider (Replaces A43877)

1шт.

14

A43584

PIN

- stop, piston

1шт.

15

L30425

PLUG

- piston

1шт.

20

221-841

PLUG

- (1/4" hex. socket hd.) (See inset)

1шт.

21

221-842

DRAIN PLUG,Hex Soc, 3/8"-18 NPTF

PLUG - (3/8" hex. socket hd.) (See inset)

1шт.

8

218-5006

O-RING,0.087" Thk x 0.644" ID, -908, Cl 6, 90 Duro

- (1/2 x 21/32 x 3/32")

2шт.

Выбрано товаров: 17