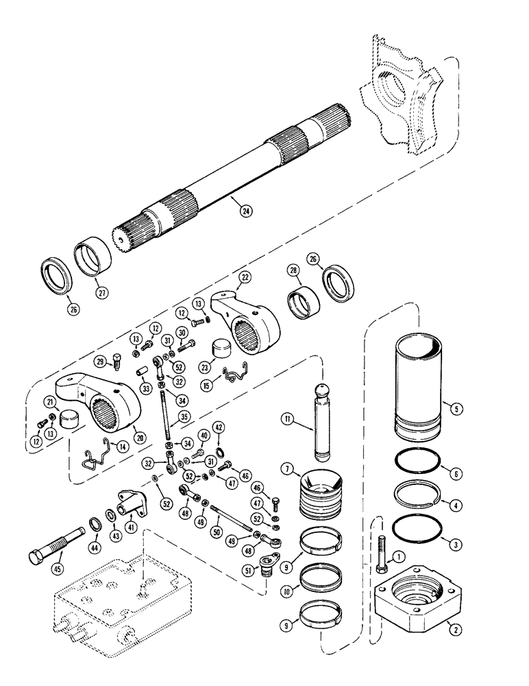
Запчасти Case IH 1370 (348) - D.O.M. SYSTEM, ROCKSHAFT, POWER ARMS AND PISTONS (09) - CHASSIS/ATTACHMENTS

Схема запчастей Case IH 1370 - (348) - D.O.M. SYSTEM, ROCKSHAFT, POWER ARMS AND PISTONS (09) - CHASSIS/ATTACHMENTS
32
42
13
49
12
48
51
31
48
30
2
47
40
52
28
45
1
13
23
22
6
46
11
15
50
3
27
41
29
34
9
21
7
49
47
52
32
26
34
33
9
14
35
13
24
20
46
5
52
4
44
26
12
52
10
43
31
12
FIT
1:1
100%

Артикул

Название

Примечание

Количество

1

13-1056

BOLT,Hex, 5/8" - 11 x 3-1/2", Gr 5

- (5/8 x 3-1/2" N.C. hex.) Cap to trans. case

8шт.

2

A66423

NO LONGER SERVICED

CAP - cylinder liner (w/3/4" N.F. tapped port hole) (1st used trans. ser. no. 2433818)

2шт.

2

A63390

CAP

- cylinder liner (For flanged type tube) to trans., Serial Range: -2433818

2шт.

3

A23316

O-RING,0.139" Thk x 4.484" ID, -246, Cl 5, 75 Duro

- hyd. lift cylinder liner cap

2шт.

4

A63389

SNAP RING,#450, 4.255, Ext

RING - snap, hydraulic lift cylinder

2шт.

5

A147756

LINING

LINER - hydraulic lift cylinder (Replaces A63388)

2шт.

6

A23315

O-RING,0.139" Thk x 4.234" ID, -244, Cl 5, 75 Duro

- hyd. lift cylinder liner

2шт.

7

A139459

PISTON

ASSEMBLY - rockshaft, with rings (Replaces A63396), Includes: Ref. 9 and 10

2шт.

9

A63393

RING

- wear, rockshaft hyd. piston

2шт.

10

A137343

SEAL

- u-cup, rockshaft piston (Replaces A63394)

1шт.

11

A63395

ROD

- connecting, piston to power arm

2шт.

12

13-410

BOLT,Hex, 1/4" - 20 x 5/8", Gr 5, Full Thd

Clip to power arm Hex, 1/4"-20 x 5/8", G5, Full Thd

4шт.

13

195-18

WASHER,1/4"

- lock () 1/4"

4шт.

14

A63386

CLIP

- power arm (R.H.)

1шт.

15

A63387

CLIP

- power arm (L.H.)

1шт.

20

A63380

ARM

ASSEMBLY - power (R.H.), Includes: Ref. 21

1шт.

21

A63384

INSERT

- power arm (R.H.)

1шт.

22

A63381

ARM

ASSEMBLY - power (L.H.), Includes: Ref. 23

1шт.

23

A63384

INSERT

- power arm (L.H.)

1шт.

24

A63376

ROCKSHAFT

1шт.

26

A63377

OIL SEAL

- oil, rockshaft

2шт.

27

A63378

BUSHING

- rockshaft (R.H.)

1шт.

28

A135848

BUSHING

- rockshaft (L.H.) (Replaces A63379)

1шт.

29

A63385

SET SCREW,1/2" - 13 x 1 1/8"

- set (R.H. arm and L.H. arm)

2шт.

30

13-640

BOLT,Hex, 3/8" - 16 x 2-1/2", Gr 5

- (3/8 x 2-1/2" N.C. hex.) Upper rod to spacer

1шт.

31

193-30

LOCK WASHER,Int Tooth, 3/8"

WASHER, LOCK, Int Tooth, 3/8"

2шт.

32

A32398

BALL JOINT

END - rod, follow-up

2шт.

33

A135379

BUSHING

SPACER - upper, follow-up rod (25/64" I.D. x 1-1/8" lg.) (1st used trans. ser. no. 2463707)

1шт.

33

A63453

SPACER

- upper, follow-up rod (25/64" I.D. x 1" lg.) to trans., Serial Range: -2463707

1шт.

34

25-156

JAM NUT,Jam, 3/8"-24, G5

- hex. (3/8" N.C. jam)

2шт.

35

A63452

ROD

- follow-up (Upper)

1шт.

40

13-616

BOLT,Hex, 3/8" - 16 x 1", Gr 5, Full Thd

Upper rod to bellcrank Hex, 3/8"-16 x 1", G5, Full Thd

1шт.

41

A63449

CRANK

BELLCRANK - follow-up linkage

1шт.

42

T25683

SNAP RING,#75, Ext

Ring, Snap, , follow-up bellcrank to stud #75, Ext

1шт.

43

A26462

WASHER

- follow-up bellcrank

1шт.

44

A27366

GASKET

WASHER - follow-up bellcrank stud (Copper)

1шт.

45

A135380

STUD

- follow-up linkage bellcrank (6-3/32" lg.) (1st used trans. ser. no. 2463707)

1шт.

45

A63450

STUD

- follow-up linkage bellcrank (6" lg.) to trans., Serial Range: -2463707

1шт.

46

13-618

BOLT,Hex, 3/8" - 16 x 1-1/8", Gr 5

2шт.

47

193-30

LOCK WASHER,Int Tooth, 3/8"

WASHER, LOCK, Int Tooth, 3/8"

2шт.

48

A32398

BALL JOINT

END - rod, follow-up

2шт.

49

25-156

JAM NUT,Jam, 3/8"-24, G5

- hex. (3/8" N.C., jam)

2шт.

50

A63455

ROD

- follow-up (Lower)

1шт.

51

A64430

LEVER

- draft control follow up (See Figure 350)

1шт.

52

A32395

WASHER

- lower rod to bellcrank and lever

5шт.

Выбрано товаров: 45