Запчасти Case IH 1370 (496) - CAB, EVAPORATOR AND LINES (09) - CHASSIS/ATTACHMENTS

Схема запчастей Case IH 1370 - (496) - CAB, EVAPORATOR AND LINES (09) - CHASSIS/ATTACHMENTS
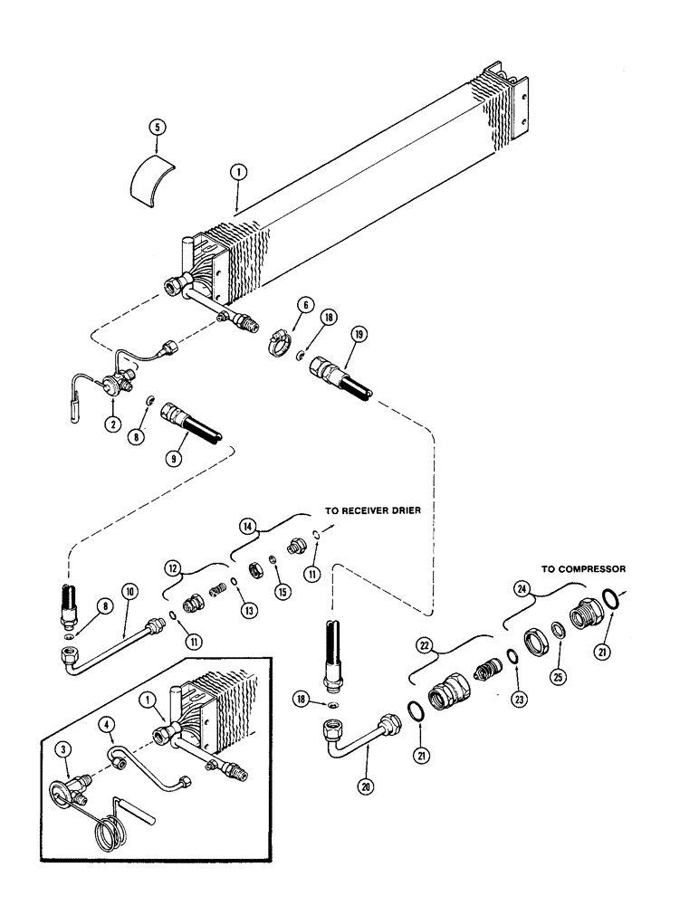
25
12
15
18
19
6
22
8
13
9
23
24
11
2
1
5
11
21
4
18
20
8
3
1
21
10
14
FIT
1:1
100%

Артикул

Название

Примечание

Количество

1

F63646

EVAPORATOR

- air conditioner evaporator

1шт.

2

F64389

VALVE

- expansion with internal equalizer

1шт.

3

F63726

VALVE

- expansion with external equalizer

1шт.

4

F63727

TUBE

- equalizer (Used with F63726 valve)

1шт.

5

NSS

NOT SOLD SEPARAT

INSULATION - valve (Order A42902)

1шт.

A42902

SEALING STRIP

INSULATION - (2-1/2" wide, 30 foot roll)

1шт.

6

214-256

HOSE CLAMP,#20, 0.81" - 1.75", Type F Worm

CLAMP - valve tube to core 1-3/16 to 1-3/4"

2шт.

8

222-993

GASKET,3/8 Tube, Fl, Copper

2шт.

9

F63753

HOSE

- high side (75-1/2" long)

1шт.

10

F63668

TUBE,0.38" OD x 9.25" L

- high side (Hose to coupling)

1шт.

11

A61195

O-RING,0.364" ID x 0.5" OD

- 3/8 x 1/2 x 1/16"

2шт.

12

A42663

COUPLING,1/2" - 20 NPT

COUPLING ASSEMBLY - cab (Female half), Includes: Ref. 13

1шт.

13

A42665

O-RING,0.239" ID x 0.375" OD x 0.07"

- 1/4 x 3/8 x 1/16"

1шт.

14

A61196

COUPLING, BREAK AWAY

COUPLING ASSEMBLY - tractor (Male half), Includes: Ref. 15

1шт.

15

A42667

GASKET

- coupling

1шт.

18

222-995

SEALING WASHER,15.88mm ID

- flair (45 degrees and 1/2" diameter)

1шт.

19

F63754

HOSE

- low side (78-5/16" long)

1шт.

20

F63380

TUBE

- low side, Serial Range: (Hose-coupling)

1шт.

21

A61197

O-RING,1.78mm Thk x 27mm ID

- 1-3/4 x 1-13/16 x 1/16"

2шт.

22

A42664

COUPLING, BREAK AWAY

COUPLING ASSEMBLY - cab (Female half), Includes: Ref. 23

1шт.

23

A42666

O-RING,0.737" ID x 0.943" OD x 0.103"

- 3/4 x 15/16 x 3/32"

1шт.

24

A61194

COUPLING, BREAK AWAY

COUPLING ASSEMBLY - tractor (Male half), Includes: Ref. 25

1шт.

25

A42668

GASKET

- coupling

1шт.

Выбрано товаров: 23