Запчасти Case IH 1570 (174) - HYDRAULICS, CHARGING PUMP, OIL FILTERS AND INLET FILTER (08) - HYDRAULICS

Схема запчастей Case IH 1570 - (174) - HYDRAULICS, CHARGING PUMP, OIL FILTERS AND INLET FILTER (08) - HYDRAULICS
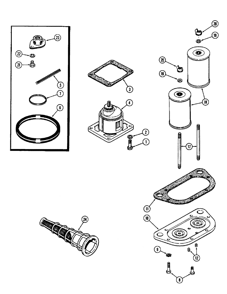
9
17
24
19
20
11
19
3
4
7
8
1
6
12
20
2
23
21
18
5
10
22
FIT
1:1
100%

Артикул

Название

Примечание

Количество

1

13-828

BOLT,Hex, 1/2" - 13 x 1-3/4", Gr 5

hex, 1/2 x 1-3/4" NC

4шт.

2

92-8

LOCK WASHER,1/2"

4шт.

3

A63339

GASKET

oil pump to torque tube

1шт.

4

A64092

PUMP

ASSY charging, hydraulic oil, See Figure 176

1шт.

5

A63336

OIL SEAL

oil pump to torque tube, 9/32 x 3-5/16" long

2шт.

6

A63337

OIL SEAL

oil pump to torque tube

1шт.

7

A59001

O-RING,1.612" ID x 1.818" OD

1-39/64 x 1-13/32 x 3/32"

1шт.

8

13-620

BOLT,Hex, 3/8" - 16 x 1-1/4", Gr 5, Full Thd

4шт.

8

13-636

BOLT,Hex, 3/8" - 16 x 2-1/4", Gr 5

hex, 3/8 x 2-1/8" NC

2шт.

9

193-46

LOCK WASHER,Ext-Int Tooth, 3/8"

WASHER shakeproof, int./ext., 3/8"

6шт.

10

A63340

MANIFOLD

oil filter

1шт.

11

A63341

GASKET

oil filter manifold, Order A44012 kit

1шт.

12

221-1010

PLUG,Sq Hd, 1/4"-18 NPTF

pipe, square head, 1/4"

2шт.

17

A63342

STUD

oil filter element

2шт.

18

NSS

NOT SOLD SEPARAT

ELEMENT oil filter, Order A44012 kit

2шт.

19

95-8

WASHER,1/2"

- plain (9/16 x 1-3/8 x 7/64") 1/2"

2шт.

20

129-400

WING NUT,1/2"-13

NUT wing, 1/2"

2шт.

21

13-612

BOLT,Hex, 3/8" - 16 x 3/4", Gr 5, Full Thd

2шт.

22

92-6

LOCK WASHER,3/8"

2шт.

23

A63343

REGULATOR

filter pressure

1шт.

24

A139052

FILTER

inlet

1шт.

A44012

HYDRAULIC OIL FILTER

KIT hydraulic oil filter element, Includes Ref. 11 and 18

1шт.

Выбрано товаров: 22