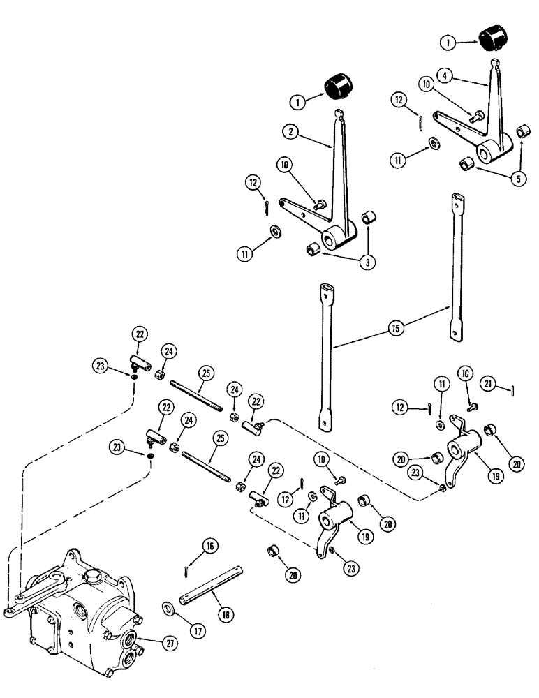
Запчасти Case IH 1570 (178) - RIGHT HAND REMOTE HYDRAULIC CONTROLS (08) - HYDRAULICS

Схема запчастей Case IH 1570 - (178) - RIGHT HAND REMOTE HYDRAULIC CONTROLS (08) - HYDRAULICS
25
20
23
23
12
11
1
23
12
22
12
11
24
17
10
27
16
22
21
15
25
23
19
12
22
10
20
2
20
24
11
1
10
4
3
18
10
24
5
20
19
11
22
24
FIT
1:1
100%

Артикул

Название

Примечание

Количество

1

A137806

KNOB

Control lever

2шт.

2

A137833

LEVER

ASSY inner, Incl. Ref. 3

1шт.

3

A59429

BUSHING,15.95mm ID x 19.13mm OD x 12.83mm L

Pivot

20шт.

4

A137832

LEVER

ASSY outer, Incl. Ref. 5

1шт.

5

A59429

BUSHING,15.95mm ID x 19.13mm OD x 12.83mm L

Pivot

2шт.

10

141-53

CLEVIS PIN,5/16" x .940"

Yoke

4шт.

11

195-21

WASHER,5/16"

(11/32 x 11/16 x 1/16")

4шт.

12

132-25

COTTER PIN,3/32" x 5/8"

4шт.

15

A61659

ROD

LINK, Serial Range: lever-bellcrank

2шт.

16

132-30

COTTER PIN,3/32" x 1 1/4"

1шт.

17

195-41

WASHER,5/8"

1шт.

18

A59529

SHAFT

Bellcrank

1шт.

19

A63544

LEVER

ASSY bellcrank, remote valve control, Incl. Ref. 20

2шт.

20

A59429

BUSHING,15.95mm ID x 19.13mm OD x 12.83mm L

Pivot

2шт.

21

138-61

LOCK PIN,1/8" x 1", Slotted

1шт.

22

A145066

JOINT

Ball, control rod

4шт.

23

92-5

LOCK WASHER,5/16"

4шт.

24

25-115

NUT,5/16"-24, G5

Hex

4шт.

25

A63548

ROD

Remote valve lever

2шт.

27

REF

INSTRUCTION

VALVE ASSY control, remote, See Figure 184

1шт.

Выбрано товаров: 20