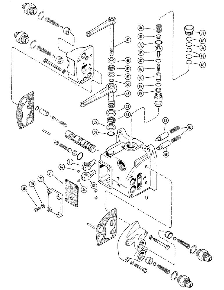
Запчасти Case IH 1570 (186) - A141383 REMOTE HYDRAULIC VALVE, WITH RELIEF VALVE (08) - HYDRAULICS

Схема запчастей Case IH 1570 - (186) - A141383 REMOTE HYDRAULIC VALVE, WITH RELIEF VALVE (08) - HYDRAULICS
62
84
64
54
52
70
68
78
88
71
86
69
53
61
87
81
90
89
67
83
63
50
55
49
79
65
82
66
48
85
47
51
56
80
87
FIT
1:1
100%

Артикул

Название

Примечание

Количество

A141383

VALVE

ASSY remote, R.H., Continued from Figure 184, Includes Ref. 47 - 90

1шт.

47

A57605

LEVER

shifter shaft, outer

1шт.

48

A57604

LEVER

shifter shaft, inner

1шт.

49

A30875

RETAINER

felt washer, 17/32" hole

1шт.

Part of seal kit A43086

1шт.

50

A30853

WASHER

felt, 1/2 x 15/16 x 1/4"

1шт.

Part of seal kit A43086

1шт.

51

A27409

WASHER

33/64 x 63/64 x 1/32"

1шт.

Part of seal kit A43086

1шт.

52

A64836

O-RING,0.487" ID x 0.693" OD

1/2 x 11/16 x 3/32"

1шт.

Part of seal kit A43086

1шт.

53

A30880

RETAINER

felt washer, 49/64" hole

1шт.

Part of seal kit A43086

1шт.

54

A30879

WASHER

felt, 3/4 x 1-3/16 x 1/4"

1шт.

Part of seal kit A43086

1шт.

55

A30881

SEALING WASHER,19.45mm ID x 31.35mm OD

WASHER, 49/64 x 1-15/64 x 1/32"

1шт.

Part of seal kit A43086

1шт.

56

A64837

O-RING,0.103" Thk x 0.75" ID, -116, Cl 5, 75 Duro

3/4 x 15/16 x 3/32"

1шт.

Part of seal kit A43086

1шт.

61

A57546

ARM

ASSY valve spool shifter lever, upper, Includes Ref. 62

1шт.

62

178-875

SET SCREW,Hex Soc, 1/4"-20 x 1/4"

SCREW hex, socket headless cup pt, 1/4 x 1/4" NC

1шт.

63

A57547

ARM

ASSY valve spool shifter lever, lower, Includes Ref. 64

1шт.

64

178-875

SET SCREW,Hex Soc, 1/4"-20 x 1/4"

SCREW hex, socket headless cup pt, 1/4 x 1/4" NC

1шт.

65

A57554

PLUNGER

valve spool, upper

1шт.

66

A57555

PLUNGER

valve spool, lower, with hole

1шт.

67

A66472

SPRING

plunger, 1-21/32" free length

2шт.

68

13-416

BOLT,Hex, 1/4" - 20 x 1", Gr 5

SCREW hex, mech, 1/4 x 1" NC

4шт.

69

92-4

LOCK WASHER,1/4"

WASHER, LOCK, 1/4"

4шт.

70

A66435

CAP

hydraulic valve body

1шт.

71

A76374

GASKET

hydraulic valve body cap

1шт.

Part of seal kit A43086

1шт.

78

A34392

PLUG

pilot relief valve

1шт.

79

218-5008

O-RING,0.116" Thk x 0.924" ID, -912, Cl 6, 90 Duro

3/4 x 59/64 x 1/8"

1шт.

Part of seal kit A43086

1шт.

80

A34694

SHIM,.0201" Thk

Pilot relief spring, Refer to tag attached to valve for data .0201" Thk

1шт.

81

A34817

SHIM,.0149" Thk

Pilot relief spring (Blue), Refer to tag attached to valve for data .0149" Thk

1шт.

82

A34391

SHIM,.0149" Thk

Pilot relief spring, Refer to tag attached to valve for data .0149" Thk

1шт.

82

A34390

SHIM,.0329" Thk

Pilot relief spring, Refer to tag attached to valve for data .0329" Thk

1шт.

83

A34849

SHIM,.0105" Thk

Pilot relief spring, Refer to tag attached to valve for data .0105" Thk

1шт.

83

A61467

SHIM,.005" Thk

Pilot relief spring, Refer to tag attached to valve for data .005" Thk

1шт.

84

A61466

SPRING

pilot relief, 11/16" free length

1шт.

85

A57558

RETAINER

pilot spring

1шт.

86

A57556

PISTON

ASSY pilot

1шт.

87

A17526

O-RING,0.614" ID x 0.754" OD x 0.7"

5/8 x 3/4 x 1/16"

2шт.

Part of seal kit A43086

1шт.

88

A34382

SPRING

pilot relief valve, 1" free length

1шт.

89

A34493

RING,16.33mm ID x 19.02mm OD x 1.25mm Thk

pilot relief valve

1шт.

Part of seal kit A43086

1шт.

90

A57553

PISTON

pilot relief valve

1шт.

A43086

SEAL

KIT seal, Includes Ref. 49 - 56, 71, 79, 87 and 89

1шт.

A42888

KIT

seal, relief valve, Includes Ref. 79, 87 and 89

1шт.

Выбрано товаров: 51