Запчасти Case IH 1570 (190) - LEFT HAND REMOTE TUBES AND COUPLINGS (08) - HYDRAULICS

Схема запчастей Case IH 1570 - (190) - LEFT HAND REMOTE TUBES AND COUPLINGS (08) - HYDRAULICS
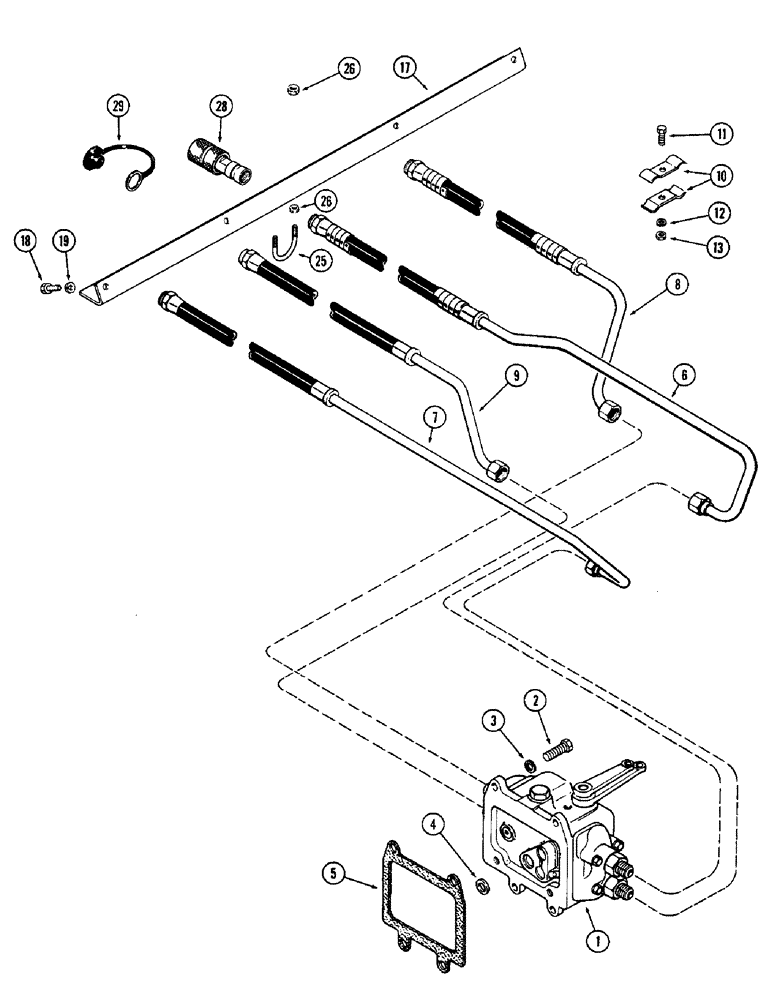
3
8
26
29
4
25
19
7
2
12
11
26
13
9
28
17
10
18
5
6
1
FIT
1:1
100%

Артикул

Название

Примечание

Количество

1

REF

INSTRUCTION

VALVE ASSY remote hydraulic control, LH, See Figure 194

1шт.

2

13-828

BOLT,Hex, 1/2" - 13 x 1-3/4", Gr 5

4шт.

3

92-8

LOCK WASHER,1/2"

4шт.

4

A32348

GASKET,16.54mm ID x 23.29mm OD x 3.5mm Thk

GASKET nylon, valve port

1шт.

5

A34138

GASKET

Valve to transmission housing

1шт.

6

A66812

TUBE

Upper front, Serial Range: valve-coupling

1шт.

7

A66810

TUBE

Lower front, Serial Range: valve-coupling

1шт.

8

A66813

TUBE

Upper rear, Serial Range: valve-coupling

1шт.

9

A66811

TUBE

Lower rear, Serial Range: valve-coupling

1шт.

10

A63323

CLAMP

Remote tubes

4шт.

11

13-514

BOLT,Hex, 5/16" - 18 x 7/8", Gr 5

2шт.

12

92-5

LOCK WASHER,5/16"

2шт.

13

9635082

NUT,5/16" - 18, Gr 5

2шт.

17

A66794

BRACKET

Mounting, remote coupling

1шт.

18

113-206

BOLT,Hex, 3/8" - 16 x 3/4", Gr 5, Full Thd

4шт.

19

192-21

LOCK WASHER,3/8"

4шт.

25

A66788

CLAMP

Remote coupling

4шт.

26

7770

NUT,Hex, 1/4 - 20, Cl 5

16шт.

28

REF

INSTRUCTION

COUPLING ASSY remote hoses, See Figure 248

4шт.

29

A137135

PLUG

Dust, remote coupling, black

2шт.

29

A137136

PLUG

Dust, remote coupling, white

2шт.

Выбрано товаров: 0