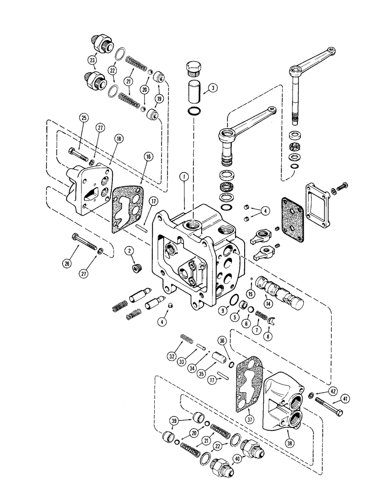
Запчасти Case IH 1570 (194) - A141382 REMOTE HYDRAULIC VALVE, LEFT HAND WITHOUT RELIEF VALVE (08) - HYDRAULICS

Схема запчастей Case IH 1570 - (194) - A141382 REMOTE HYDRAULIC VALVE, LEFT HAND WITHOUT RELIEF VALVE (08) - HYDRAULICS
32
6
9
20
8
18
35
36
3
2
17
17
39
7
4
34
21
14
4
40
27
42
25
33
27
21
37
1
38
22
26
5
16
19
22
15
41
20
23
FIT
1:1
100%

Артикул

Название

Примечание

Количество

A141382

VALVE

ASSY L.H. remote hydraulic, Includes Ref. 1 - 42

1шт.

1

NSS

NOT SOLD SEPARAT

BODY ASSY hydraulic valve, Includes Ref. 2 - 5

1шт.

2

221-843

PLUG,Hex Soc, 3/8"-18

pipe, hex, socket, 3/8"

1шт.

3

A63764

PLUG

relief valve

1шт.

4

221-849

PLUG,Hex Soc, 1/8"-27

pipe, hex, socket, 1/8"

3шт.

5

A139799

SEAT

check, valve body ball

4шт.

6

211-15

BALL,5/8" Dia

4шт.

7

A27452

SPRING

check, valve outlet, 1/2" OD x 1-1/8" free length

4шт.

8

A27364

GUIDE

ball check spring

4шт.

9

A58602

O-RING,0.103" Thk x 0.924" ID, -119, Cl 5, 75 Duro

15/16 x 1-1/8 x 3/32", See kit Figure 196

4шт.

Part of seal kit A43086

1шт.

14

A66469

SPOOL

ASSY hydraulic valve, Includes Ref. 15

2шт.

15

211-5

BALL,3/16" Dia

1шт.

16

A57560

GASKET

valve head, rear, See kit Figure 196

1шт.

Part of seal kit A43086

1шт.

17

A57559

SPOOL

auxiliary, hydraulic valve

4шт.

18

A57564

VALVE

HEAD ASSY hydraulic valve, rear, Includes Ref. 19

1шт.

19

NSS

NOT SOLD SEPARAT

SEAT auxiliary valve head

2шт.

20

211-13

BALL,1/2" Dia

return, hydraulic valve 1/2" Dia

4шт.

21

A66473

SPRING

check, return ball

4шт.

22

218-5008

O-RING,0.116" Thk x 0.924" ID, -912, Cl 6, 90 Duro

3/4 x 59/64 x 1/8, See kit Figure 196

4шт.

Part of seal kit A43086

1шт.

23

A64708

FITTING

valve, rear, top and bottom

2шт.

25

13-628

BOLT,Hex, 3/8" - 16 x 1-3/4", Gr 5

2шт.

26

13-640

BOLT,Hex, 3/8" - 16 x 2-1/2", Gr 5

hex, 3/8 x 2-1/2" NC

2шт.

27

92-6

LOCK WASHER,3/8"

4шт.

32

A57396

SPRING

relief valve ball, 21/64" OD x 1-1/8" free length

2шт.

33

A137594

GUIDE

thermal valve ball

2шт.

34

211-3

BALL,1/8" Dia

2шт.

35

A137335

SEAT

thermal valve

2шт.

36

A27891

O-RING,0.103" Thk x 0.362" ID, -110, Cl 5, 75 Duro

3/8 x 9/16 x 3/32, See kit Figure 196

2шт.

Part of seal kit A43086

1шт.

37

A57561

GASKET

hydraulic valve head, front, See kit Figure 196

1шт.

Part of seal kit A43086

1шт.

38

A57565

VALVE

HEAD ASSY hydraulic valve front, Includes Ref. 39

1шт.

39

NSS

NOT SOLD SEPARAT

SEAT auxiliary valve head

2шт.

40

A64708

FITTING

valve, front, top and bottom

2шт.

41

13-644

BOLT,Hex, 3/8" - 16 x 2-3/4", Gr 5

hex, 3/8 x 2-3/4" NC

4шт.

42

92-6

LOCK WASHER,3/8"

4шт.

Выбрано товаров: 0