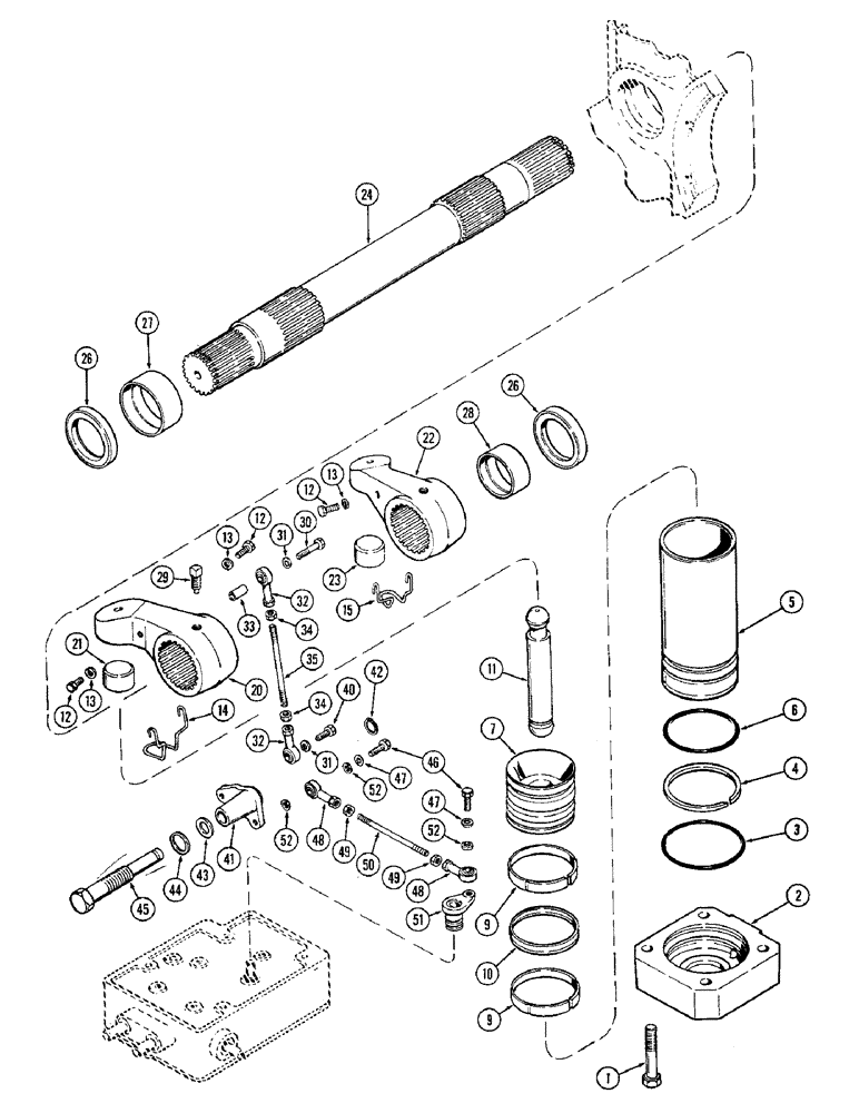
Запчасти Case IH 1570 (220) - ROCKSHAFT, POWER ARMS AND PISTONS (09) - CHASSIS/ATTACHMENTS

Схема запчастей Case IH 1570 - (220) - ROCKSHAFT, POWER ARMS AND PISTONS (09) - CHASSIS/ATTACHMENTS
14
12
51
27
22
9
6
15
7
12
44
31
9
40
32
21
13
34
28
35
29
13
52
33
49
26
49
2
13
30
31
43
34
4
47
45
24
46
3
32
5
50
10
47
42
26
23
48
48
52
12
11
52
20
1
41
FIT
1:1
100%

Артикул

Название

Примечание

Количество

1

13-1056

BOLT,Hex, 5/8" - 11 x 3-1/2", Gr 5

hex, 5/8 x 3-1/2" NC

8шт.

2

A66423

NO LONGER SERVICED

CAP cylinder liner

2шт.

3

A23316

O-RING,0.139" Thk x 4.484" ID, -246, Cl 5, 75 Duro

4-1/2 x 4-3/4 x 1/8"

2шт.

4

A63389

SNAP RING,#450, 4.255, Ext

RING snap, hydraulic lift cylinder

2шт.

5

A147756

LINING

LINER hydraulic lift cylinder, Replaces A63388

2шт.

6

A23315

O-RING,0.139" Thk x 4.234" ID, -244, Cl 5, 75 Duro

4-1/4 x 4-1/2 x 1/8"

2шт.

7

A139459

PISTON

ASSY rockshaft, with rings, Includes Ref. 9 and 10

2шт.

9

A63393

RING

wear

2шт.

10

A137343

SEAL

U-cup

1шт.

11

A63395

ROD

connecting, piston to power arm

2шт.

12

13-410

BOLT,Hex, 1/4" - 20 x 5/8", Gr 5, Full Thd

4шт.

13

195-18

WASHER,1/4"

9/32 x 5/8 x 1/16"

4шт.

14

A63386

CLIP

power arm, R.H.

1шт.

15

A63387

CLIP

power arm, L.H.

1шт.

20

A63380

ARM

ASSY power, R.H., Includes Ref. 21

1шт.

21

A63384

INSERT

arm

1шт.

22

A63381

ARM

ASSY power, L.H., Includes Ref. 23

1шт.

23

A63384

INSERT

arm

1шт.

24

A63376

ROCKSHAFT

1шт.

26

A63377

OIL SEAL

oil, rockshaft

2шт.

27

A63378

BUSHING

rockshaft, R.H., 3-1/8" ID

1шт.

28

A135848

BUSHING

rockshaft, L.H., 2-7/8" ID

1шт.

29

A63385

SET SCREW,1/2" - 13 x 1 1/8"

set

2шт.

30

13-640

BOLT,Hex, 3/8" - 16 x 2-1/2", Gr 5

hex, 3/8 x 2-1/2" NC

1шт.

31

193-30

LOCK WASHER,Int Tooth, 3/8"

WASHER, LOCK, Int Tooth, 3/8"

2шт.

32

A32398

BALL JOINT

END rod, follow-up

2шт.

33

A135379

BUSHING

SPACER upper follow-up rod to power arm

1шт.

34

86585245

SPECIAL NUT,JAM, 5/8" - 18

jam, hex, 3/8" NC

2шт.

35

A63452

ROD

follow-up, upper

1шт.

40

13-618

BOLT,Hex, 3/8" - 16 x 1-1/8", Gr 5

1шт.

41

A63449

CRANK

BELLCRANK follow-up linkage

1шт.

42

T25683

SNAP RING,#75, Ext

Ring, Snap, , follow-up bellcrank to stud #75, Ext

1шт.

43

A26462

WASHER

bellcrank

1шт.

44

A27366

GASKET

WASHER copper, follow-up bellcrank stud

1шт.

45

A135380

STUD

follow-up linkage bellcrank

1шт.

46

13-618

BOLT,Hex, 3/8" - 16 x 1-1/8", Gr 5

2шт.

47

193-30

LOCK WASHER,Int Tooth, 3/8"

WASHER, LOCK, Int Tooth, 3/8"

2шт.

48

A32398

BALL JOINT

END rod, follow-up

2шт.

49

25-156

JAM NUT,Jam, 3/8"-24, G5

jam, hex, 3/8" NC

2шт.

50

A63455

ROD

follow-up, lower

1шт.

51

A64430

LEVER

draft control follow-up, See Figure 218

1шт.

52

A32395

WASHER

lower rod to bellcrank and lever

2шт.

Выбрано товаров: 42