Запчасти Case IH 1570 (230) - A63470 D.O.M. VALVE (09) - CHASSIS/ATTACHMENTS

Схема запчастей Case IH 1570 - (230) - A63470 D.O.M. VALVE (09) - CHASSIS/ATTACHMENTS
39
33
56
21
35
50
23
1
49
3
36
6
53
8
47
26
37
19
24
6
42
13
22
12
5
27
32
55
20
2
7
17
34
57
18
52
48
54
41
11
10
4
58
20
9
19
25
5
38
51
40
FIT
1:1
100%

Артикул

Название

Примечание

Количество

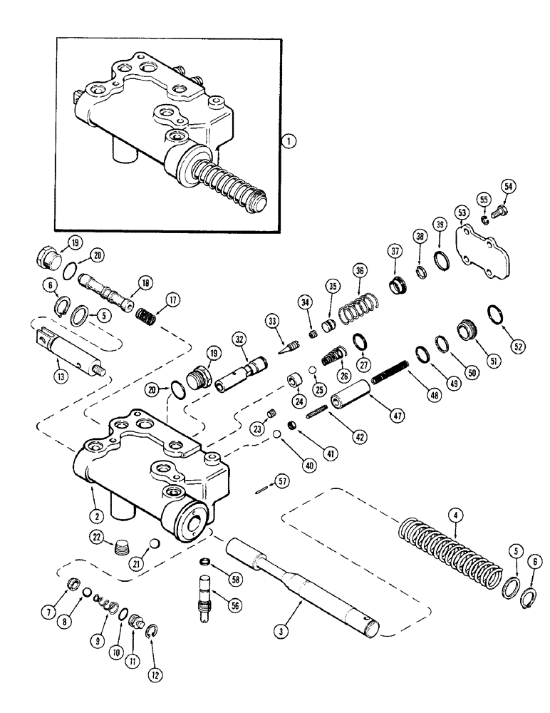
1

A63470

VALVE

ASSY control, depth and position, Inlcudes Ref. 2 - 38

1шт.

2

NSS

NOT SOLD SEPARAT

BODY valve

1шт.

3

A58363

SPOOL

control

1шт.

4

A58366

SPRING

spool return

1шт.

5

A58365

WASHER

spring retainer, Some valves also used this washer as a stop at the spool end, Check and order per your valve requirements

1шт.

6

A35094

SNAP RING,#81, Ext

Ring, Snap, , spool #81, Ext

2шт.

7

L10120

SEAT

ball, load check

1шт.

8

211-12

BALL,7/16 Dia

load check, 7/16" dia

1шт.

9

A35099

SPRING

check valve

1шт.

10

H756783

O-RING,0.103" Thk x 0.487" ID, -112, Cl 6, 90 Duro

1/2 x 11/16 x 3/32"

1шт.

Part of seal kit A43518

1шт.

11

A35693

PLUG

check valve

1шт.

12

A35694

SNAP RING,0.688", Int, #68

Ring, Snap, , plug 0.688", Int, #68

1шт.

13

A63471

END

valve spool, See Ref. 5

1шт.

17

A35700

SPRING

flow control piston

1шт.

18

A32984

PISTON

flow control

1шт.

19

A39586

PLUG

ASSY hex, flow control, 7/8"-14, Replaces A34215, Includes Ref. 20

2шт.

20

237-6010

O-RING,0.097" Thk x 0.755" ID, -910, Cl 6, 90 Duro

10-1, 90 Duro, .755" ID x .097" Thk

1шт.

Part of seal kit A43518

1шт.

21

211-7

BALL,1/4" Dia

- steel 1/4" Dia

1шт.

22

221-843

PLUG,Hex Soc, 3/8"-18

hex socket, 3/8" PT

1шт.

23

221-849

PLUG,Hex Soc, 1/8"-27

hex socket, 1/8"

2шт.

24

L10120

SEAT

ball, load check

1шт.

25

211-12

BALL,7/16 Dia

steel, 7/16" dia

1шт.

26

A57166

SPRING

load check

1шт.

27

A35547

RING

seal, rectangular

1шт.

32

A32982

PISTON

trigger valve

1шт.

33

A35784

VALVE

needle, trigger poppet

1шт.

34

A35785

SET SCREW,5/16" - 18 x 1/4"

lock, needle valve

1шт.

35

A35097

PLUG

open center poppet

1шт.

36

A35691

SPRING

trigger valve

1шт.

37

A35689

RETAINER

snap ring

1шт.

38

A35690

RING

snap, seat retainer

1шт.

39

A35548

RING

seal, rectangular, Includes Ref. 40 - 57

1шт.

Part of seal kit A43518

1шт.

40

211-13

BALL,1/2" Dia

1шт.

41

A35102

NUT

lock, hex, No. 10-32

1шт.

42

A35101

SET SCREW,Hex Skt, #10 - 32 x 1 1/4", Gr 5

set, slotted headless, No. 10-32 x 1/4"

1шт.

47

A35695

PISTON

lowering poppet

1шт.

48

A35103

SPRING

lowering poppet

1шт.

49

A27365

O-RING,0.103" Thk x 0.75" ID, -116, Cl 5, 75 Duro

3/4 x 15/16 x 3/32"

1шт.

50

A35698

BACK-UP RING

RING back up

1шт.

Part of seal kit A43518

1шт.

51

A35696

SLEEVE

lowering poppet

1шт.

52

A35104

O-RING,0.103" Thk x 0.862" ID, -118, Cl 5, 75 Duro

7/8 x 1-1/16 x 3/32"

1шт.

Part of seal kit A43518

1шт.

53

A35105

COVER

control lever

1шт.

54

13-512

BOLT,Hex, 5/16" - 18 x 3/4", Gr 5

4шт.

55

92-5

LOCK WASHER,5/16"

4шт.

56

A32363

SPOOL

throttle

1шт.

57

138-39

LOCK PIN,3/32" x 5/8", Slotted

PIN, 3/32" x 5/8", Slotted

1шт.

58

A40109

O-RING,0.07" Thk x 0.364" ID, -12, Cl 6, 90 Duro

1шт.

A43518

KIT

seal, Includes Ref. 10, 20, 39, 50 and 52

1шт.

Выбрано товаров: 0