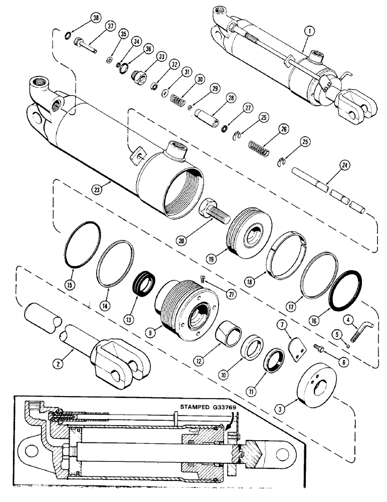
Запчасти Case IH 1570 (244) - G33769 REMOTE HYDRAULIC CYLINDER, 4 INCH BORE X 8 INCH STROKE (09) - CHASSIS/ATTACHMENTS

Схема запчастей Case IH 1570 - (244) - G33769 REMOTE HYDRAULIC CYLINDER, 4 INCH BORE X 8 INCH STROKE (09) - CHASSIS/ATTACHMENTS
37
25
34
4
32
21
26
10
6
36
12
33
29
17
24
9
31
13
23
1
15
18
38
25
19
20
14
7
16
30
27
28
5
2
11
3
35
FIT
1:1
100%

Артикул

Название

Примечание

Количество

1

G33769

CYLINDER

ASSY, Part No. stamped on gland, Includes Ref. 2 - 38

1шт.

2

G33772

ROD

piston

1шт.

3

G32074

COLLAR

stop

1шт.

4

G32077

BOLT

hook

1шт.

5

G32076

PLUG

locking

1шт.

6

187-1515

SELF-TAP SCREW,1/4" - 20 x 3/4"

SCREW self-tapping, 1/4 x 1/2" NC

2шт.

7

G32075

PLATE

stop

1шт.

G34773

GLAND

ASSY packing, Includes Ref. 9 - 15

1шт.

9

NSS

NOT SOLD SEPARAT

GLAND

1шт.

10

NSS

NOT SOLD SEPARAT

RING center bearing

1шт.

11

D95142

WIPER SEAL,1.5" ID x 2" OD x 0.31" Thk

WIPER piston rod, 1-1/2 x 2 x 5/16"

1шт.

Part of cylinder repair kit G31946

1шт.

12

G34302

BEARING

center

1шт.

13

D36969

CUP

SEAL piston rod, 1-1/2 x 2 x 7/16"

1шт.

Part of cylinder repair kit G31946

1шт.

14

G32176

BACK-UP RING,101.22mm ID x 107.32mm OD x 1.4mm Thk

1шт.

Part of cylinder repair kit G31946

1шт.

15

A27507

O-RING,0.139" Thk x 3.984" ID, -242, Cl 5, 75 Duro

4 x 4-1/4 x 1/8"

1шт.

Part of cylinder repair kit G31946

1шт.

16

G15457

O-RING,0.139" Thk x 3.484" ID, -238, Cl 5, 75 Duro

3-1/2 x 3-3/4 x 1/8"

1шт.

Part of cylinder repair kit G31946

1шт.

17

G31928

RING

piston, Teflon

1шт.

Part of cylinder repair kit G31946

1шт.

18

G31927

RING

wear, psiton, nylon

1шт.

Part of cylinder repair kit G31946

1шт.

19

G33774

PISTON

cylinder

1шт.

20

28-1232

BOLT,Hex, 3/4" - 16 x 2", Gr 8

1шт.

21

187-1031

SELF-TAP SCREW,Pan, 0.164"-32 x 1/4"

SCREW round head, slotted, self-tapping, No. 8-32 x 1/4"

1шт.

23

G31942

HYD TUBE,15.15" L

TUBE cylinder

1шт.

24

G32428

ROD

push

1шт.

25

G32429

RING

retaining, "Y" type

2шт.

26

G31934

SPRING

rod return, 2-5/16" long

1шт.

27

A8613

O-RING,0.426" ID x 0.566" OD

7/16 x 9/16 x 1/16"

1шт.

Part of cylinder repair kit G31946

1шт.

28

G32427

SLEEVE

protector

1шт.

29

49485

SNAP RING,#X18, .122" Dia, E-Type

Ring, Retaining, #X18, .122" Dia, E-Type

1шт.

30

G31980

SPRING

plunger return, 1" long

1шт.

31

G31929

WASHER

spring backing, 7/32 x 5/8 x 1/16"

1шт.

32

G31932

WIPER SEAL

SEAL wiper, 3/16 x 1/2 x 1/8"

1шт.

Part of cylinder repair kit G31946

1шт.

33

G31933

GLAND

ASSY valve, Includes Ref. 34 and 35

1шт.

34

G31935

O-RING,0.174" ID x 0.377" OD

11/64 x 3/8 x 7/64"

1шт.

Part of cylinder repair kit G31946

1шт.

35

G31948

WASHER

13/64 x 13/32 x 1/16"

1шт.

37

G31943

PLUNGER

valve

1шт.

38

G32070

O-RING,0.103" Thk x 0.424" ID, -11, Cl 6, 90 Duro

27/64 x 5/8 x 3/32"

1шт.

Part of cylinder repair kit G31946

1шт.

G31946

KIT

cylinder repair, Includes Ref. 11, 13 - 18, 27, 32, 34, 36 and 38

1шт.

36

218-5006

O-RING,0.087" Thk x 0.644" ID, -908, Cl 6, 90 Duro

1/2 x 21/32 x 3/32"

1шт.

Part of cylinder repair kit G31946

1шт.

Выбрано товаров: 50