Запчасти Case IH 770 (194) - A62074 POWER BRAKE VALVE, POWER SHIFT, USED PRIOR TO TRACTOR SERIAL NUMBER 8711460 (07) - BRAKES

Схема запчастей Case IH 770 - (194) - A62074 POWER BRAKE VALVE, POWER SHIFT, USED PRIOR TO TRACTOR SERIAL NUMBER 8711460 (07) - BRAKES
23
39
42
15
26
12
2
19
4
41
30
1
37
34
22
5
31
35
21
18
33
3
44
39
30
16
7
8
17
36
14
20
13
25
40
31
6
38
27
29
4
32
43
FIT
1:1
100%

Артикул

Название

Примечание

Количество

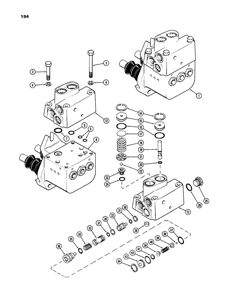
1

A62074

VALVE

ASSY. - brake, power (Order 1-A65055 valve & 2-13-644 bolts) (See Figs. 192 & 193A), Includes: Ref. 2 - 44

1шт.

2

13-532

BOLT,Hex, 5/16" - 18 x 2", Gr 5

2шт.

3

13-552

BOLT,Hex, 5/16" - 18 x 3-1/4", Gr 5

- 5/16 x 3-1/4" N.C. hex.

2шт.

4

92-5

LOCK WASHER,5/16"

4шт.

5

A28090

O-RING,0.301" ID x 0.441" OD x 0.07"

-011, 70 Duro, .301" ID x .070" Thk - Cover to master cylinder

2шт.

Part of valve cover repair kit P/N A43709

1шт.

6

A18414

O-RING,0.07" Thk x 0.489" ID, -14, Cl 5, 75 Duro

"O" RING - cover to master cylinder (1/2 x 5/8 x 1/16")

1шт.

Part of valve cover repair kit P/N A43709

1шт.

7

F10894

O-RING,0.07" Thk x 0.676" ID, -17, Cl 5, 75 Duro

"O" RING - cover to master cylinder (3/4 x 7/8 x 1/16")

1шт.

Part of valve cover repair kit P/N A43709

1шт.

8

A62073

SPARE PART

VALVE ASSY. - master cyl. brake (Order 1-A65363 & 2-13-644) (See Fig.195A)

1шт.

12

A62434

COVER

ASSY. - brake valve, power, Includes: Ref. 13 - 44

1шт.

13

NSS

NOT SOLD SEPARAT

BODY - brake valve cover (Order A62434)

1шт.

14

A36277

SNAP RING,1.125", Int, #112

pressure relief & influx pressure plug 1.125", Int, #112

2шт.

15

A59981

PLUG

- pressure relief & brake influx pressure

2шт.

16

A58602

O-RING,0.103" Thk x 0.924" ID, -119, Cl 5, 75 Duro

"O" RING - plug (15/16 x 1-1/8 x 3/32")

2шт.

Part of valve cover repair kit P/N A43709

1шт.

17

A60655

SHIM,.010" Thk

(1-1/10" OD x 1/100" width) .010" Thk

1шт.

18

A59980

SPRING

- (1-1/5" free length)

1шт.

19

A62836

INSERT

LIMITER - flow (Replaces A61899)

1шт.

20

A27358

O-RING,0.07" Thk x 0.239" ID, -10, Cl 5, 75 Duro

"O" RING - (1/4 x 3/8 x 1/16")

1шт.

Part of valve cover repair kit P/N A43709

1шт.

21

A59979

WASHER

- pressure relief valve

1шт.

22

211-9

BALL,5/16" Dia

- pressure relief valve (meter) 5/16" Dia

1шт.

23

A62433

SEAT

- pressure relief valve

1шт.

24

A18414

O-RING,0.07" Thk x 0.489" ID, -14, Cl 5, 75 Duro

"O" RING - 1/2 x 5/8 x 1/16"

1шт.

25

A61801

PLUG ASSY. - pressure regulator, with "O" ring, Includes: Ref. 26

1шт.

29

A59969

PLUG

- valve cover orifice

1шт.

30

A59951

RING

- seal, spool & piston

2шт.

Part of valve cover repair kit P/N A43709

1шт.

31

A28090

O-RING,0.301" ID x 0.441" OD x 0.07"

-011, 70 Duro, .301" ID x .070" Thk - Spool & Piston

2шт.

Part of valve cover repair kit P/N A43709

1шт.

32

A59977

PISTON

- power assist

1шт.

33

A62833

SPOOL

- pressure regulating (Replaces A61800)

1шт.

34

A59975

SPRING

- pressure regulating spool (21/32" free length)

1шт.

35

A29197

O-RING,0.424" ID x 0.63" OD x 0.103"

"O" RING - 7/16 x 5/8" x 3/32"

1шт.

Part of valve cover repair kit P/N A43709

1шт.

36

A60650

SPOOL

- pressure release

1шт.

37

F62114

O-RING,0.103" Thk x 0.674" ID, -115, Cl 5, 75 Duro

"O" RING - 11/16 x 7/8 x 3/32"

1шт.

Part of valve cover repair kit P/N A43709

1шт.

38

211-4

BALL

- pressure control (5/32" diameter)

1шт.

39

A59972

RETAINER

- pressure control spring

2шт.

40

A60651

SPRING - pressure control (9/16" free length)

1шт.

41

A59973

SNAP RING,0.50", Int, #50

RING - snap, 0.50", Int, #50

1шт.

42

D32114

O-RING,0.75" ID x 0.875" OD

"O" RING - pressure control plug (3/4 x 7/8 x 1/16")

1шт.

Part of valve cover repair kit P/N A43709

1шт.

43

A60652

PLUG

- pressure control

1шт.

44

D28157

SNAP RING,0.875", Int, #87

RING - snap, , pressure control plug 0.875", Int, #87

1шт.

A43709

SEAL

KIT - repair, valve cover, (Not Illust.) (Replaces: A42878) Includes: Ref. 5, 6, 7, 16, 20, 26, 30, 31, 35, 37 and 42

1шт.

26

218-5006

O-RING,0.087" Thk x 0.644" ID, -908, Cl 6, 90 Duro

"O" RING - (41/64 x 13/16 x 3/32")

1шт.

Part of valve cover repair kit P/N A43709

1шт.

Выбрано товаров: 51