Запчасти Case IH 770 (168) - POWER SHIFT AND TRANSMISSION HOUSINGS (06) - POWER TRAIN

Схема запчастей Case IH 770 - (168) - POWER SHIFT AND TRANSMISSION HOUSINGS (06) - POWER TRAIN
27
45
24
2
7
26
18
42
4
13
38
43
19
22
15
33
44
36
34
21
7
50
1
25
8
10
20
12
3
51
49
40
6
48
47
37
32
35
39
23
46
111
9
14
41
31
5
11
FIT
1:1
100%

Артикул

Название

Примечание

Количество

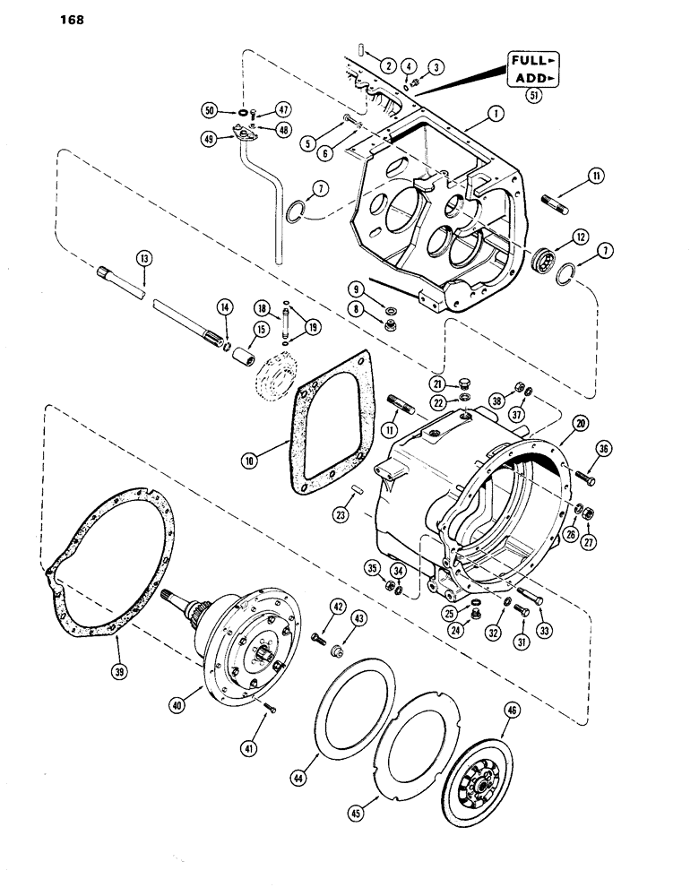
1

A61180

HOUSING

- transmission

1шт.

2

A7077

DOWEL

PIN - dowel, trans. hsg. to top cover (1/2 x 1-3/8")

2шт.

3

A58420

GAUGE

ASSY. - oil sight (glass), Includes: Ref. 4

2шт.

4

A7982

O-RING,0.103" Thk x 0.612" ID, -114, Cl 5, 75 Duro

"O" RING - sight glass

1шт.

5

13-624

BOLT,Hex, 3/8" - 16 x 1-1/2", Gr 5

- (3/8 x 1-1/2" N.C. hex.)

3шт.

6

92-6

LOCK WASHER,3/8"

3шт.

7

A28153

RING

SNAP RING - external, planetary shaft, rear bearing

2шт.

8

A14280

PLUG

- drain, trans. hsg. (3/4")

3шт.

9

A58608

GASKET

- drain plug, trans. hsg. (3/4 x 1 x 5/64")

3шт.

10

A58138

GASKET

- clutch housing to trans. housing

1шт.

11

A7073

STUD

- trans. hsg. to clutch hsg. (7/8" N.F. x 4")

4шт.

12

A28149

ROLLER BEARING,1.7311" ID x 2.8346" OD x 1.0625"

BEARING - roller, rear, planetary shaft

1шт.

13

A58414

SHAFT

- drive, rear, P.T.O.

1шт.

14

A32441

RING, SNAP

SNAP RING - internal, drive shaft, rear, P.T.O.

1шт.

15

A37662

COUPLING, BREAK AWAY

COUPLING - drive shaft, rear, P.T.O.

1шт.

18

A61677

TUBE

- oil

3шт.

19

D31409

O-RING,0.07" Thk x 0.489" ID, -14, Cl 6, 90 Duro

"O" RING - oil tube

6шт.

20

A58483

HOUSING - power shift

1шт.

21

214389

PLUG,3/4" - 16 ORB

Assy, Clutch hsg., Includes Ref. 22 Hex Hd, 3/4"-16 ORB

2шт.

22

A27410

O-RING,0.487" ID x 0.693" OD x 0.103"

"O" RING - (1/2 x 11/16 x 3/32")

1шт.

23

A28269

PIN

- dowel, clutch hsg. to trans. hsg.

2шт.

24

A14280

PLUG

- drain, clutch hsg. (3/4")

2шт.

25

A58608

GASKET

- drain plug, clutch hsg. (3/4")

2шт.

26

92-14

LOCK WASHER,7/8"

WASHER, LOCK, 7/8"

4шт.

27

25-1114

NUT,7/8"-14, G5

- hex. (7/8" N.F.)

4шт.

31

13-1236

BOLT,Hex, 3/4" - 10 x 2-1/4", Gr 5

Engine to clutch hsg. Hex, 3/4"-10 x 2 1/4", G5

2шт.

32

A34651

LOCK WASHER

- lock (3/4" external teeth, heavy duty)

2шт.

33

A61040

STEP BOLT

BOLT - dowel, eng. to clutch hsg. (1/2 x 3" N.C. hex.)

1шт.

33

A61041

STEP BOLT

BOLT - dowel, eng. to clutch hsg. (1/2 x 2-3/16" N.C. hex.)

1шт.

34

A34650

LOCK WASHER

- lock (1/2" external teeth, heavy duty)

2шт.

35

25-108

NUT,1/2"-13, G5

- hex. (1/2" N.C.)

2шт.

36

13-826

BOLT,Hex, 1/2" - 13 x 1-5/8", Gr 5

Eng. to clutch housing Hex, 1/2"-13 x 1 5/8", G5

7шт.

36

13-830

BOLT,Hex, 1/2" - 13 x 1-7/8", Gr 5

Engine to clutch housing Hex, 1/2"-13 x 1 7/8", G5

3шт.

36

13-836

BOLT,Hex, 1/2" - 13 x 2-1/4", Gr 5

- eng. to clutch hsg. (1/2 x 2-1/4" N.C.)

1шт.

37

A34650

LOCK WASHER

- lock (1/2" external teeth, heavy duty)

11шт.

38

25-108

NUT,1/2"-13, G5

- hex. (1/2 N.C.)

1шт.

39

A58139

GASKET

- clutch, Serial Range: hsg.-engine

1шт.

40

NSS

NOT SOLD SEPARAT

CLUTCH ASSY. - powershift & planetary (See Figs. 170-174)

1шт.

41

113-245

X

BOLT - (3/8 x 1-1/2" N.C. hex.)

8шт.

42

113-401

BOLT

- retainer to flywheel (1/2 x 1-3/4" N.C.)

6шт.

43

A59133

RETAINER

- clutch spring, torque limiter

6шт.

44

A61000

SPRING

- torque limiter

1шт.

If the clutch disc shows sugns of slippage or wear, the clutch disc, pressure plate and clutch spring should all be replaced.

1шт.

45

A58036

PLATE

- pressure, torque limiter

1шт.

If the clutch disc shows sugns of slippage or wear, the clutch disc, pressure plate and clutch spring should all be replaced.

1шт.

46

A58388

PLATE

ASSY. - 12" driven member

1шт.

If the clutch disc shows sugns of slippage or wear, the clutch disc, pressure plate and clutch spring should all be replaced.

1шт.

47

13-616

BOLT,Hex, 3/8" - 16 x 1", Gr 5, Full Thd

2шт.

48

92-6

LOCK WASHER,3/8"

2шт.

49

A58371

TUBE

- hydraulic fluid return

1шт.

50

A32343

SEAL

- hyd. fluid return tube (47/64 x 1-13/64 x 13/64")

1шт.

51

321-1642

DECAL

- trans. oil level.

1шт.

Выбрано товаров: 52