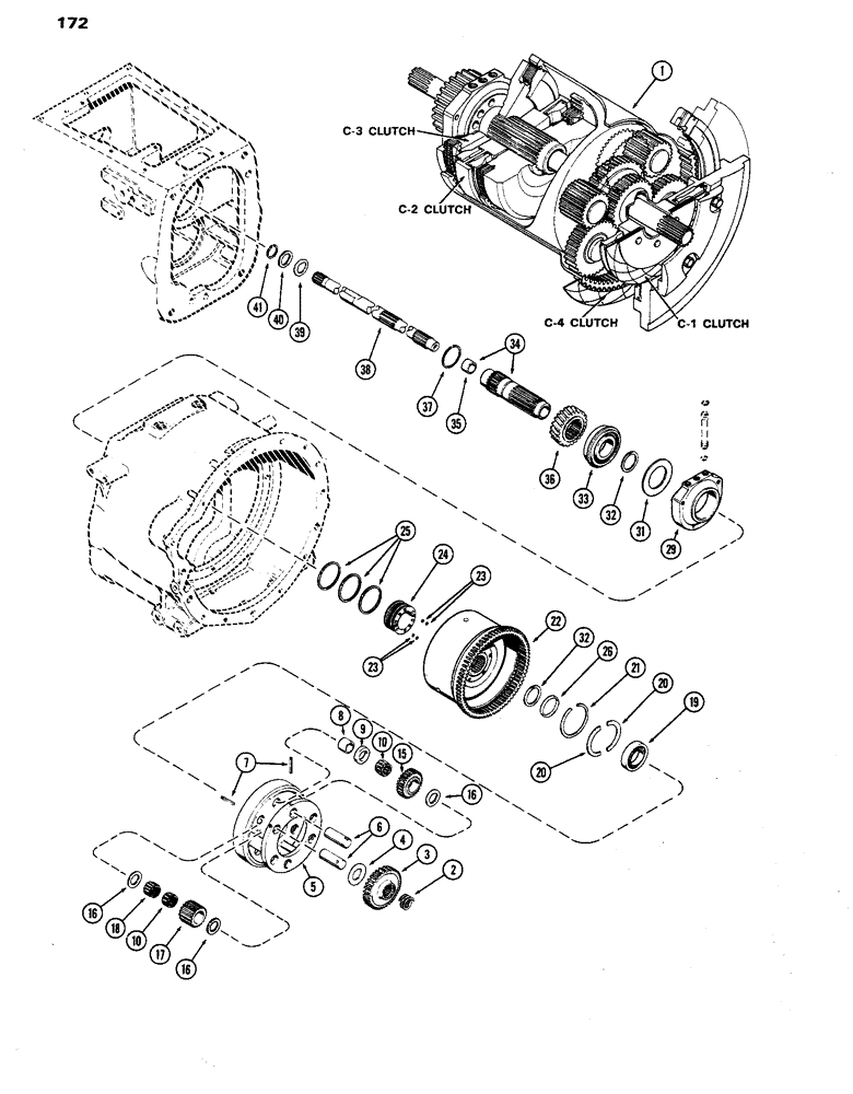
Запчасти Case IH 770 (172) - PLANETARY AND OUTPUT SHAFT, POWER SHIFT (06) - POWER TRAIN

Схема запчастей Case IH 770 - (172) - PLANETARY AND OUTPUT SHAFT, POWER SHIFT (06) - POWER TRAIN
1
24
17
37
20
8
9
40
16
10
22
32
3
35
32
20
16
41
38
16
15
34
2
26
6
36
33
23
21
25
31
23
5
7
18
39
4
10
19
29
FIT
1:1
100%

Артикул

Название

Примечание

Количество

1

NSS

NOT SOLD SEPARAT

CLUTCH ASSY. - powershift & planetary (Includes All Ref. On Fig. 170-174), Includes: Ref. 2 - 41

1шт.

2

A59933

SNAP RING,#118, 1.105", Ext, Spiral

- P.T.O. drive shaft

1шт.

3

A58399

GEAR

- trans. & P.T.O. front drive shaft

1шт.

4

A58400

WASHER

- thrust, trans. & P.T.O. front drive shaft gear

1шт.

NSS

NOT SOLD SEPARAT

CARRIER ASSY. - planetary with gears (not illust.), Includes: Ref. 5 - 21

1шт.

5

A58066

CARRIER

- planetary

1шт.

6

A58067

PIN,25.4mm OD x 69.6mm L

- planetary gear (1 x 2-3/4")

6шт.

7

138-92

LOCK PIN,3/16" x 3/4", Slotted

PIN, , Planetary gear pin to carrier 3/16" x 3/4", Slotted

6шт.

8

A58407

BUSHING

SPACER - planetary narrow gear (1 x 1-1/4 x 49/64")

3шт.

9

A58406

SPACER

WASHER - thrust, planetary narrow gear (1 x 1-3/4 x 1")

3шт.

10

A58077

ROLLER BEARING,25.395 mm ID x 33.3578 mm OD x 25.21 mm

BEARING - roller needle, planetary gear (1 x 1-5/16 x 1")

6шт.

15

A58405

GEAR

- planetary (narrow width) (36 teeth)

3шт.

16

A58070

WASHER,25.45mm ID x 44.45mm OD x 0.76mm Thk

- thrust, planetary narrow gear (1 x 1-3/4 x 1/32")

9шт.

17

A58408

GEAR

- planetary (wide width) (24 teeth)

3шт.

18

A58069

NEEDLE BEARING,25.39mm ID x 33.37mm OD x 19.05mm W

BEARING - roller needle, planetary wide gear (1 x 1-1/32 x 3/4")

3шт.

19

A58080

BALL BEARING,1.7717" ID x 2.9528" OD x 0.6249"

BEARING - ball, planetary output shaft, front

1шт.

20

A58081

CARRIER

RETAINER - planetary carrier ball bearing

2шт.

21

G46143

RING

SNAP RING - planetary carrier bearing

1шт.

22

NS

NOT SERVICED

CLUTCH PACK - (C-2 & C-3 Clutch) (See Fig. 174)

1шт.

23

A58092

SEAL,Square, 0.066" Thk x 0.301" ID, -11

"O" RING - oil sealing, hub (C-2 & C-3 Clutch) (19/64 x 29/64 x 1/16")

4шт.

24

A58103

HUB

- oil distributor

1шт.

25

A58384

RING

- seal, oil distributor hub

3шт.

If the oil distibutor hub seal rings are found to be defective, replace all three rings

1шт.

26

A61296

SPACER

- bearing (C-2 clutch hub)

1шт.

29

A61676

COVER ASSY

COVER - oil distributor

1шт.

31

A64764

GUARD

SHIELD - oil planetary output shaft center ball bearing (Replaced A58101)

1шт.

32

A27089

SNAP RING,2.36mm Thk, Ext

SNAP RING - external, planetary output shaft

2шт.

33

A58098

BALL BEARING,1.9685" ID x 4.58" OD x 1.063"

BEARING - ball, oil shield

1шт.

34

A62186

SHAFT

ASSY. - planetary output drive, Includes: Ref. 35

1шт.

35

A58376

BUSHING

- planetary output drive shaft

1шт.

36

A62128

GEAR

- drive, pinion

1шт.

37

A58100

SNAP RING,#215, 2.026", Ext

- retaining, external, planetary output drive gear

1шт.

38

A62180

SHAFT - front drive, trans. & P.T.O.

1шт.

39

A59934

WASHER

- thrust, planetary shaft

1шт.

40

A59935

BUSHING

SPACER - thrust, planetary shaft, (1-1/4 x 1-45/64 x 7/32")

1шт.

40

A59936

BUSHING

SPACER - thrust, planetary shaft, (1-1/4 x 1-45/64 x 15/64")

1шт.

40

A59937

BUSHING

SPACER - thrust, planetary shaft, (1-1/4 x 1-45/64 x 1/4")

1шт.

40

A59938

BUSHING

SPACER - thrust, planetary shaft, (1-1/4 x 1-45/64 x 17/64")

1шт.

41

A59939

RING

SNAP RING - retaining, planetary shaft

1шт.

Выбрано товаров: 39