Запчасти Case IH 770 (200) - SLIDING GEAR SHAFT, POWER SHIFT (06) - POWER TRAIN

Схема запчастей Case IH 770 - (200) - SLIDING GEAR SHAFT, POWER SHIFT (06) - POWER TRAIN
3
10
9
15
18
4
7
6
16
17
5
8
1
20
2
19
FIT
1:1
100%

Артикул

Название

Примечание

Количество

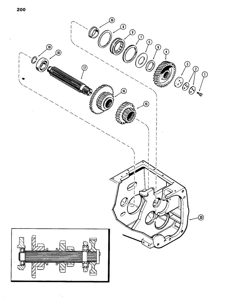
1

113-2224

SCREW

BOLT - (3/8 x 1-1/8" N.C. hex. Jay-Lock) (Grade 8)

3шт.

2

A62726

SHIM,.007" Thk

Retaining plate .007" Thk

1шт.

2

A62727

SHIM,.005" Thk

Retaining plate .005" Thk

1шт.

3

A62601

PLATE

- front, sliding gear shaft

1шт.

4

A58032

GEAR

- input, sliding gear shaft (44 ext. & 27 int. teeth)

1шт.

5

A64763

GUARD

SHIELD - oil, gear shaft rear bearing (Replaced A60562)

1шт.

6

A61119

PLATE

- sliding gear shaft, front inner race bearing

1шт.

7

A62593

RING

SNAP RING - external, front outer race bearing

1шт.

8

A32005

RING

SNAP RING - external, front outer race bearing

1шт.

9

A58028

BEARING ASSY,45mm ID x 100mm OD x 31mm W

BEARING - roller, outer race, front

1шт.

10

A58027

BEARING CONE,1.7717" ID x 1.04"

BEARING - roller, outer race, front

1шт.

15

A58026

GEAR

- sliding range cluster (1st & 3rd) (15 & 26 external & 32 internal teeth)

1шт.

16

A62178

GEAR

- sliding range cluster (2nd & 4th) (21 & 37 external & 32 internal teeth)

1шт.

17

A58024

SHAFT

- gear, sliding

1шт.

18

A60561

BALL BEARING,34.99mm ID x 80mm OD x 21mm W

BEARING - ball, rear

1шт.

19

A21619

CIRCLIP

SNAP RING - external, rear

1шт.

20

A61180

HOUSING

- transmission

1шт.

Выбрано товаров: 17