Запчасти Case IH 770 (204) - RANGE SHAFT AND GEARS, MECHANICAL SHIFT (06) - POWER TRAIN

Схема запчастей Case IH 770 - (204) - RANGE SHAFT AND GEARS, MECHANICAL SHIFT (06) - POWER TRAIN
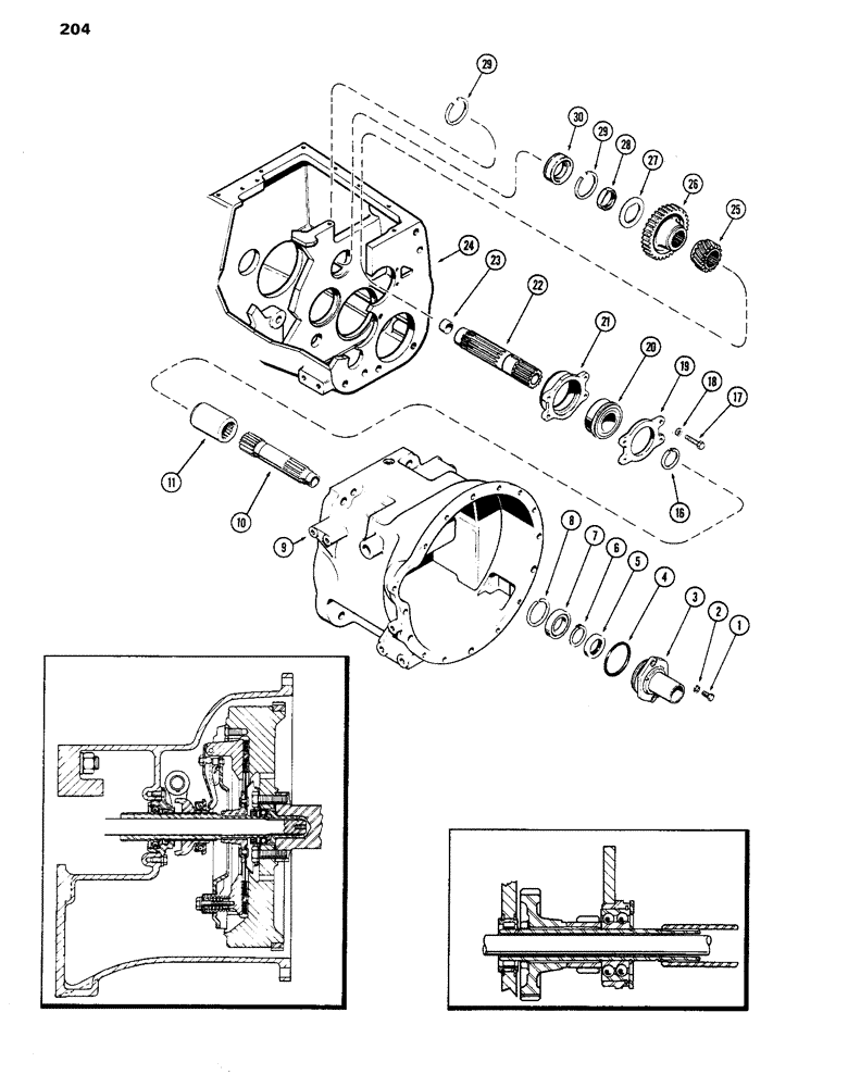
1
10
29
29
4
26
5
16
24
6
23
21
27
17
22
20
11
19
9
30
25
2
8
3
7
18
28
FIT
1:1
100%

Артикул

Название

Примечание

Количество

1

13-614

BOLT,Hex, 3/8" - 16 x 7/8", Gr 5, Full Thd

2шт.

2

92-6

LOCK WASHER,3/8"

2шт.

3

A61166

TUBE

CARRIER ASSY. - range input shaft bearing

1шт.

4

A27994

O-RING,0.139" Thk x 3.234" ID, -236, Cl 5, 75 Duro

"O" RING - (3-1/4 x 3-1/2 x 1/8")

1шт.

5

A7146

OIL SEAL

SEAL - oil, range input shaft (1-3/4 x 2-7/16 x 15/32")

1шт.

6

A7147

SNAP RING,#177, Ext

RING - snap, , range input shaft bearing #177, Ext

1шт.

7

G13075

BEARING, BALL

BEARING - ball, range input shaft

1шт.

8

A7142

RING, SNAP

SNAP RING - retaining, range input shaft bearing

1шт.

9

A58180

HOUSING - clutch

1шт.

10

A7138

SHAFT - range input

1шт.

11

A28154

COUPLING - range input shaft to range gear shaft

1шт.

16

A27089

SNAP RING,2.36mm Thk, Ext

SNAP RING - range gear shaft

1шт.

17

13-620

BOLT,Hex, 3/8" - 16 x 1-1/4", Gr 5, Full Thd

Retainer to carrier Hex, 3/8"-16 x 1 1/4", G5, Full Thd

4шт.

18

92-6

LOCK WASHER,3/8"

4шт.

19

A32038

RETAINER - front bearing, range gear shaft

1шт.

20

A34230

BALL BEARING,1.9685" ID x 3.5433" OD x 1.1875"

BEARING - ball, range gear shaft, front

1шт.

21

A32032

CARRIER - front bearing, range gear shaft

1шт.

22

A34239

SHAFT ASSY. - range gear w/bushing, Includes: Ref. 23

1шт.

23

A28235

BUSHING

- range gear shaft (1-1/8 x 1-1/4 x 3/4")

1шт.

24

A58971

HOUSING - transmission

1шт.

25

A34349

GEAR

- drive, low range (18 teeth)

1шт.

26

A34350

GEAR

- drive, high range (38 teeth)

1шт.

27

A32035

LOCK WASHER

- lock, high range drive gear lock nut

1шт.

28

A32034

NUT

- lock, high range drive gear

1шт.

29

A28153

RING

SNAP RING - retaining, rear bearing

2шт.

30

A28149

ROLLER BEARING,1.7311" ID x 2.8346" OD x 1.0625"

BEARING - roller, range gear shaft, rear

1шт.

Выбрано товаров: 26