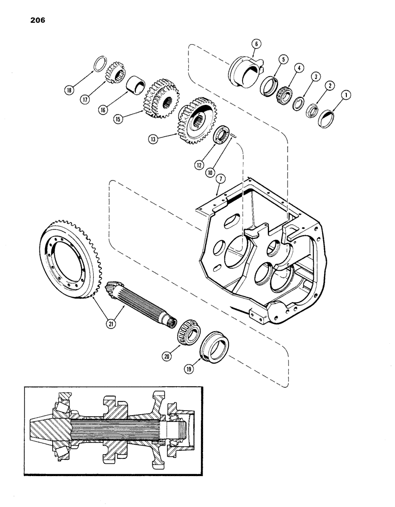
Запчасти Case IH 770 (206) - COUNTERSHAFT, POWER SHIFT (06) - POWER TRAIN

Схема запчастей Case IH 770 - (206) - COUNTERSHAFT, POWER SHIFT (06) - POWER TRAIN
5
10
18
1
13
17
16
3
19
6
21
15
2
4
7
20
12
FIT
1:1
100%

Артикул

Название

Примечание

Количество

1

A58007

PLUG

- cup type, countershaft front bearing carrier

1шт.

2

A60019

NUT

- lock, countershaft front bearing

1шт.

3

A28170

WASHER

- thrust, countershaft front bearing

1шт.

4

A28169

ROLLER BEARING,1.875" ID x 0.875"

BEARING - cone, tapered, countershaft, front

1шт.

5

A28168

CUP

BEARING - cup, tapered, countershaft, front

1шт.

6

A58006

CARRIER

- countershaft front bearing

1шт.

7

A61180

HOUSING

- transmission

1шт.

10

138-2053

PIN,1/4" x 1 1/4", Coiled

1шт.

12

A61115

NUT

- lock, countershaft gear

1шт.

13

A61894

GEAR

- driven, 1st range (40 ext. & 26 int. teeth)

1шт.

15

A58004

GEAR

- cluster, 2nd & 3rd range driven (34 external & 26 internal teeth)

1шт.

16

A57651

BUSHING

SPACER - countershaft gear

1шт.

17

A58003

GEAR

- 4th range driven (18 external & 26 internal teeth)

1шт.

18

A58144

SPACER - countershaft (4th range gear)

1шт.

19

A32001

CUP

BEARING - tapered cup, countershaft, rear

1шт.

20

A7945

CONE

BEARING - tapered cone, countershaft, rear

1шт.

21

A25289

GEAR SET - countershaft & ring gear (9 & 48 teeth)

1шт.

Выбрано товаров: 17