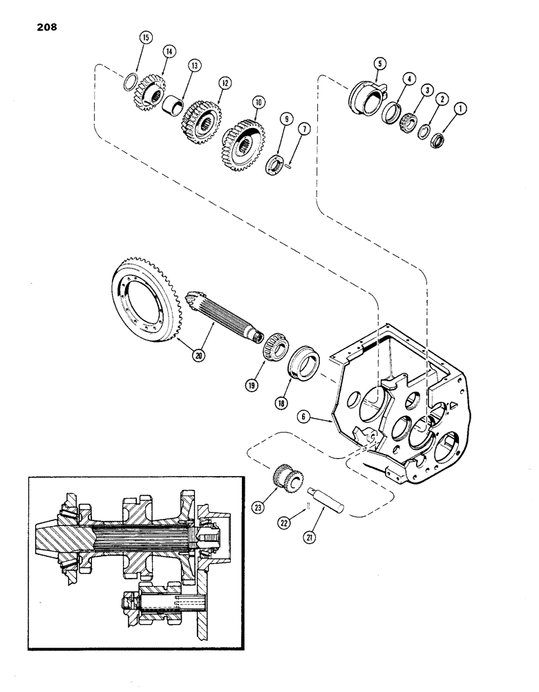
Запчасти Case IH 770 (208) - COUNTER AND REVERSE IDLER SHAFTS, MECHANICAL SHIFT (06) - POWER TRAIN

Схема запчастей Case IH 770 - (208) - COUNTER AND REVERSE IDLER SHAFTS, MECHANICAL SHIFT (06) - POWER TRAIN
23
10
7
12
3
4
13
15
22
18
21
1
14
20
9
6
5
19
2
FIT
1:1
100%

Артикул

Название

Примечание

Количество

1

A60019

NUT

- lock, countershaft front bearing

1шт.

2

A28170

WASHER

- thrust, countershaft front bearing

1шт.

3

A28169

ROLLER BEARING,1.875" ID x 0.875"

BEARING - tapered cone, countershaft, front

1шт.

4

A28168

CUP

BEARING - tapered cup, countershaft, front

1шт.

5

A58006

CARRIER

- countershaft front bearing

1шт.

6

A58971

HOUSING - transmission

1шт.

7

138-2053

PIN,1/4" x 1 1/4", Coiled

1шт.

9

A61115

NUT

- lock, countershaft gear

1шт.

10

A68193

GEAR - driven (1st & 5th) (40 ext. & 26 int. teeth)

1шт.

12

A58146

GEAR

- cluster, 2nd & 3rd speed driven (31 & 36 external & 26 internal teeth)

1шт.

13

A57651

BUSHING

SPACER - countershaft gear

1шт.

14

A34336

GEAR - 4th speed driven (28 ext. & 26 int. teeth)

1шт.

15

A58144

SPACER - countershaft, 4th gear

1шт.

18

A32001

CUP

BEARING - tapered cup, countershaft, rear

1шт.

19

A7945

CONE

BEARING - tapered cone, countershaft, rear

1шт.

20

A25289

GEAR SET - countershaft & ring gear (9 & 48 teeth)

1шт.

21

A62910

SHAFT

- idler, reverse (Replaces A58140)

1шт.

22

138-224

LOCK PIN,5/16" x 3/4", Slotted

PIN, , Reverser idler shaft to trans. case 5/16" x 3/4", Slotted

1шт.

23

A58144

GEAR ASSY. - reverse idler with bushing

1шт.

Выбрано товаров: 19