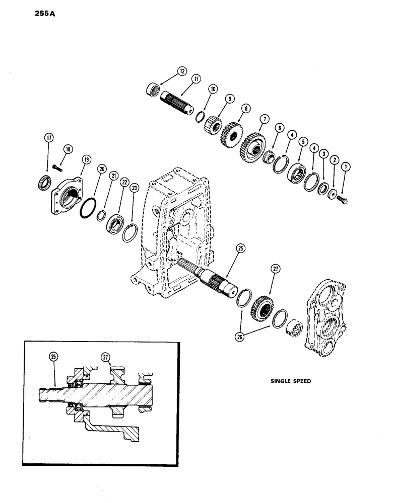
Запчасти Case IH 770 (255A) - P.T.O. OUTPUT AND IDLER SHAFTS, SINGLE SPEED (06) - POWER TRAIN

Схема запчастей Case IH 770 - (255A) - P.T.O. OUTPUT AND IDLER SHAFTS, SINGLE SPEED (06) - POWER TRAIN
9
18
27
25
25
11
19
22
2
12
10
26
5
23
8
4
7
17
6
1
20
21
4
27
3
FIT
1:1
100%

Артикул

Название

Примечание

Количество

1

121-415

BOLT,Hex, 1/2" x 1"

- (1/2 x 1" N.C. Jay-Lock hex hd.) (Gr. 5)

1шт.

2

A57462

WASHER

- retaining, 2nd idler shaft

1шт.

3

A57509

PLATE

- inner race

1шт.

4

A32422

SNAP RING,2.36mm Thk, Int

SNAP RING - P.T.O. 2nd idler gear

2шт.

5

A32423

BEARING ASSY

BEARING - P.T.O. 2nd idler shaft outer race, front

1шт.

6

A57510

BEARING CONE,1.5748" ID x 2.245" OD x 0.74"

BEARING - single rib inner race

1шт.

7

A32408

GEAR

- driven, P.T.O. 2nd idler (36 teeth)

1шт.

8

A58986

GEAR

- P.T.O. 2nd idler driver pinion (1000 R.P.M.) (28 teeth)

1шт.

9

A58985

GEAR

- P.T.O. 2nd idler driver pinion (540 R.P.M.) (Order A65253 Kit, See Fig. 254), Serial Range: -2402370

1шт.

10

A7339

RING

SNAP RING - external, P.T.O. 2nd idler shaft

1шт.

11

A58203

SHAFT

- P.T.O. 2nd idler (Order A65253 Kit, See Fig. 2545), Serial Range: -2402370

1шт.

12

A28229

NEEDLE BEARING,Needle, 44.44mm ID x 53.99mm OD x 25.4mm W

BEARING - needle, P.T.O. 2nd idler shaft

1шт.

17

A57708

SEAL

- oil, P.T.O. output shaft carrier (1-3/4 x 2-1/2 x 1/2")

1шт.

18

166-45

12 PT SCREW,Flg, 3/8" - 16 x 1", Gr 8

SCREW - Ferry cap, brg. carrier to hsg. (3/8" N.C. x 1")

2шт.

19

A62389

CARRIER - bearing, P.T.O. output shaft

1шт.

20

A27507

O-RING,0.139" Thk x 3.984" ID, -242, Cl 5, 75 Duro

"O" RING - P.T.O. output shaft brg. carrier (4 x 4-1/4 x 1/8")

1шт.

21

A27085

RING

SNAP RING - external, P.T.O. output shaft, rear

1шт.

22

B18274

BALL BEARING,1.7712" ID x 3.3465" OD x 0.748"

BEARING - ball, P.T.O. output shaft, rear

1шт.

23

A57921

SNAP RING,3.346", Int, #334

RING - snap, , internal, P.T.O. output shaft brg carrier 3.346", Int, #334

1шт.

25

A58998

SHAFT

- P.T.O. output (540 R.P.M.)

1шт.

26

A58234

SNAP RING,#237, 2.295", Ext

- P.T.O. output shaft

2шт.

27

A58999

GEAR

- P.T.O. output (540 R.P.M)(38 int. & 41 ext. teeth)

1шт.

Выбрано товаров: 22