Запчасти Case IH 770 (370) - CAB, RADIO KIT (09) - CHASSIS/ATTACHMENTS

Схема запчастей Case IH 770 - (370) - CAB, RADIO KIT (09) - CHASSIS/ATTACHMENTS
4
6
19
5
10
11
20
10
12
7
18
1
2
21
3
17
9
11
10
FIT
1:1
100%

Артикул

Название

Примечание

Количество

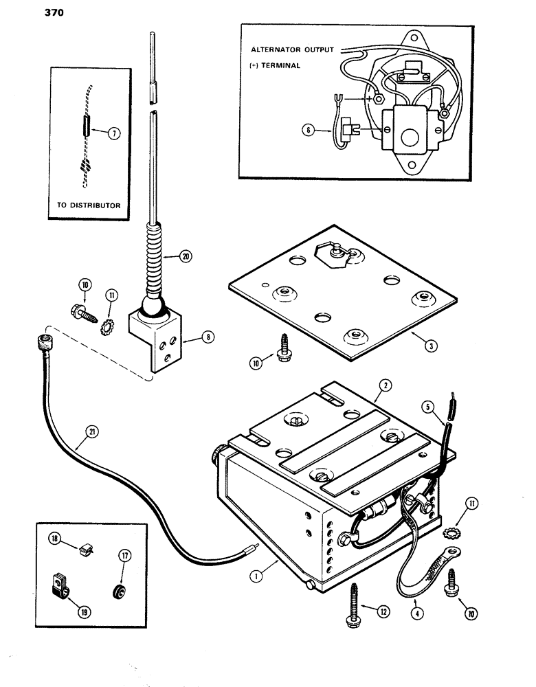
A62456

RADIO

KIT - radio, cab (for complete installation also Order 1-A62457 antenna kit), Includes: Ref. 1 - 19

1шт.

1

NSS

NOT SOLD SEPARAT

RADIO - w/speaker

1шт.

2

NSS

NOT SOLD SEPARAT

PLATE - radio mounting, w/bolts

1шт.

3

NSS

NOT SOLD SEPARAT

PLATE - roof mounting adapter

1шт.

4

NSS

NOT SOLD SEPARAT

STRAP - ground

1шт.

5

NSS

NOT SOLD SEPARAT

WIRE - lead in (hot) (60")

1шт.

6

NSS

NOT SOLD SEPARAT

CAPACITOR - alternator

1шт.

7

NSS

NOT SOLD SEPARAT

SUPPRESSOR - distributor static (Gas Only)

1шт.

8

NSS

NOT SOLD SEPARAT

BRACKET - antenna mounting

1шт.

NSS

NOT SOLD SEPARAT

PADS - shock, rubber

4шт.

10

187-1036

SELF-TAP SCREW,Hex Washer, 1/4" - 20 x 1/2"

SCREW - shakeproof indent. hex. washer hd. self-tap (1/4 x 1/2")

6шт.

11

193-73

LOCK WASHER,Ext-Int Tooth, 1/4"

WASHER - Shakeproof, 1/4" int./ext.

4шт.

12

187-1082

SELF-TAP SCREW,Hex Washer, 1/4" - 20 x 1"

SCREW - shakeproof indent. hex. washer hd. self-tap (1/4 x 1")

2шт.

17

A23870

GROMMET

- antenna lead thru frame

1шт.

18

A62079

CLIP

- radio wire

5шт.

19

A20541

CLIP

- antenna, Serial Range: wire-headliner

6шт.

A62457

ANTENNA

KIT, Includes: Ref. 20 and 21

1шт.

20

NSS

NOT SOLD SEPARAT

ANTENNA - whip

1шт.

21

NSS

NOT SOLD SEPARAT

CABLE - lead-in, 84" long

1шт.

Выбрано товаров: 19