Запчасти Case IH 870 (172) - SLIDING GEAR SHAFT, POWER SHIFT (06) - POWER TRAIN

Схема запчастей Case IH 870 - (172) - SLIDING GEAR SHAFT, POWER SHIFT (06) - POWER TRAIN
5
10
16
6
20
19
11
9
4
17
1
15
7
12
3
18
8
13
2
FIT
1:1
100%

Артикул

Название

Примечание

Количество

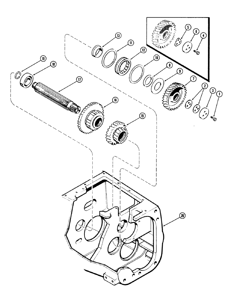
1

113-2224

SCREW

BOLT - 3/8 x 1-1/8" N.C. hex, jay-loc

3шт.

2

A62726

SHIM,.007" Thk

Retaining plate .007" Thk

1шт.

2

A62727

SHIM,.005" Thk

Retaining plate .005" Thk

1шт.

3

A62601

PLATE

- front, sliding gear shaft

1шт.

4

113-230

X

BOLT - 3/8 x 1-1/8" N.C. hex

3шт.

5

A58034

RETAINER

- locking, sliding gear shaft (Order 1-A62601 plate, 3-113-2224 bolts, 3-A62726 shims & 3-A62727 shims)

1шт.

6

A58033

PLATE

- end, sliding gear shaft, front (Order 1-A62601 plate, 3-113-2224 bolts, 3-A62726 shims & 3-A62727 shims)

1шт.

7

A58032

GEAR

- input, sliding gear shaft (44 ext. & 27 int. teeth)

1шт.

8

A60562

SHIELD

- oil, gear shaft rear bearing

1шт.

9

A61119

PLATE

- sliding gear shaft, front inner race bearing (1st used trac. ser. no. 8650101)

1шт.

9

A58416

WASHER

PLATE - sliding gear shift, front inner race bearing (Used prior to trac. ser. no. 8650101)

1шт.

10

A62593

RING

- snap, front outer race bearing

1шт.

11

A32005

RING

- snap, front outer race bearing

1шт.

12

A58028

BEARING ASSY,45mm ID x 100mm OD x 31mm W

BEARING - roller, outer race, sliding gear shaft, front (1st used trac. ser. no. 8650101)

1шт.

12

A58030

BEARING ASSY

BEARING - roller, outer race, sliding gear shaft, front (Used prior to trac. ser. no. 8650101)

1шт.

13

A58027

BEARING CONE,1.7717" ID x 1.04"

BEARING - roller, inner race, sliding gear shaft, front (1st used trac. ser. no. 8650101)

1шт.

13

A58029

BEARING CONE,1.7717" ID x 0.817"

BEARING - roll, inner race, sliding gear shaft, front (Used prior to trac. ser. no. 8650101)

1шт.

15

A58026

GEAR

- sliding range cluster, (1st and 3rd) (15 & 26 external & 32 internal teeth)

1шт.

16

A62178

GEAR

- sliding range cluster, (2nd and 4th) (21 & 37 external & 32 internal teeth) (Replaces A58025)

1шт.

17

A58024

SHAFT

- gear, sliding

1шт.

18

A60561

BALL BEARING,34.99mm ID x 80mm OD x 21mm W

BEARING - ball, sliding gear shaft, rear

1шт.

19

A21619

CIRCLIP

SNAP RING - external, sliding gear shaft, rear

1шт.

20

A61180

HOUSING

- trans. (1st used tractor serial no. 8650101)

1шт.

20

A58418

CASE

HOUSING - trans. (Used prior to tractor serial no. 8650101)

1шт.

Выбрано товаров: 24