Запчасти Case IH 870 (176) - COUNTERSHAFT, POWER SHIFT (06) - POWER TRAIN

Схема запчастей Case IH 870 - (176) - COUNTERSHAFT, POWER SHIFT (06) - POWER TRAIN
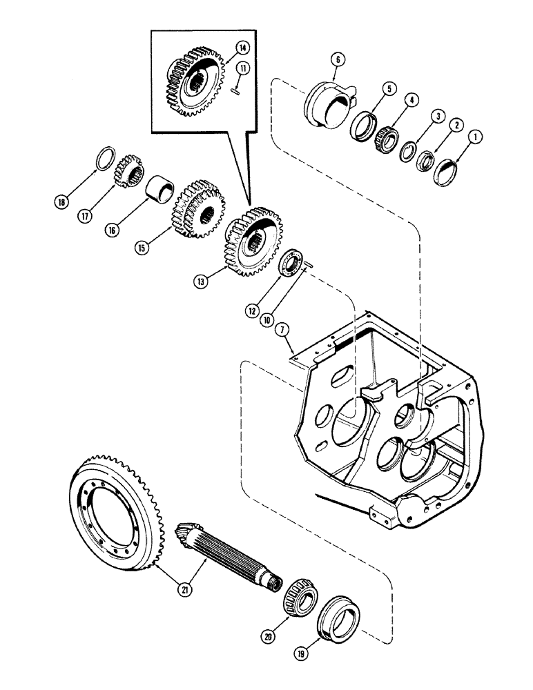
4
10
6
20
3
14
19
15
1
18
12
21
16
11
2
17
5
13
7
FIT
1:1
100%

Артикул

Название

Примечание

Количество

1

A58007

PLUG

- cup type, countershaft front bearing carrier

1шт.

2

A60019

NUT

- lock, countershaft front bearing

1шт.

3

A28170

WASHER

- thrust, countershaft front bearing

1шт.

4

A28169

ROLLER BEARING,1.875" ID x 0.875"

BEARING - tapered cone, countershaft, front

1шт.

5

A28168

CUP

BEARING - tapered cup, countershaft, front

1шт.

6

A58006

CARRIER

- countershaft front bearing

1шт.

7

A61180

HOUSING

- trans. (1st used tractor serial no. 8650101)

1шт.

7

A58418

CASE

HOUSING - trans. (Used prior to tractor serial no. 8650101)

1шт.

10

138-2053

PIN,1/4" x 1 1/4", Coiled

Locknut (use w/A61894 gear) (1st used trans. S/N 2349168) 1/4" x 1 1/4", Coiled

1шт.

11

138-2051

PIN,1/4" x 3/4", Coiled

Locknut (use w/A58005 gear) (used prior to trans. S/N 2349168) 1/4" x 3/4", Coiled

1шт.

12

A61115

NUT

- lock, countershaft gear

1шт.

13

A61894

GEAR

- 1st range driven (40 external & 26 internal teeth) (Use w/138-2053 pin) (1st used trans. ser. no. 2349168)

1шт.

14

A58005

GEAR

- 1st range driven (40 external & 26 internal teeth) (Use w/138-2051 pin) (Used prior to trans. ser. no. 2349168) (Order 1-A61894 & 1-138-2053)

1шт.

15

A58004

GEAR

- cluster, 2nd and 3rd range driven (34 external & 26 internal teeth)

1шт.

16

A57651

BUSHING

SPACER - countershaft gear

1шт.

17

A58003

GEAR

- 4th range driven (18 external & 26 internal teeth)

1шт.

18

A58144

SPACER - countershaft, 4th range gear

1шт.

19

A32001

CUP

BEARING - tapered cup, countershaft, rear

1шт.

20

A7945

CONE

BEARING - tapered cone, countershaft, rear

1шт.

21

A25289

GEAR SET - countershaft & ring gear (9 and 48 teeth)

1шт.

Выбрано товаров: 20