Запчасти Case IH 870 (180) - DIFFERENTIAL (06) - POWER TRAIN

Схема запчастей Case IH 870 - (180) - DIFFERENTIAL (06) - POWER TRAIN
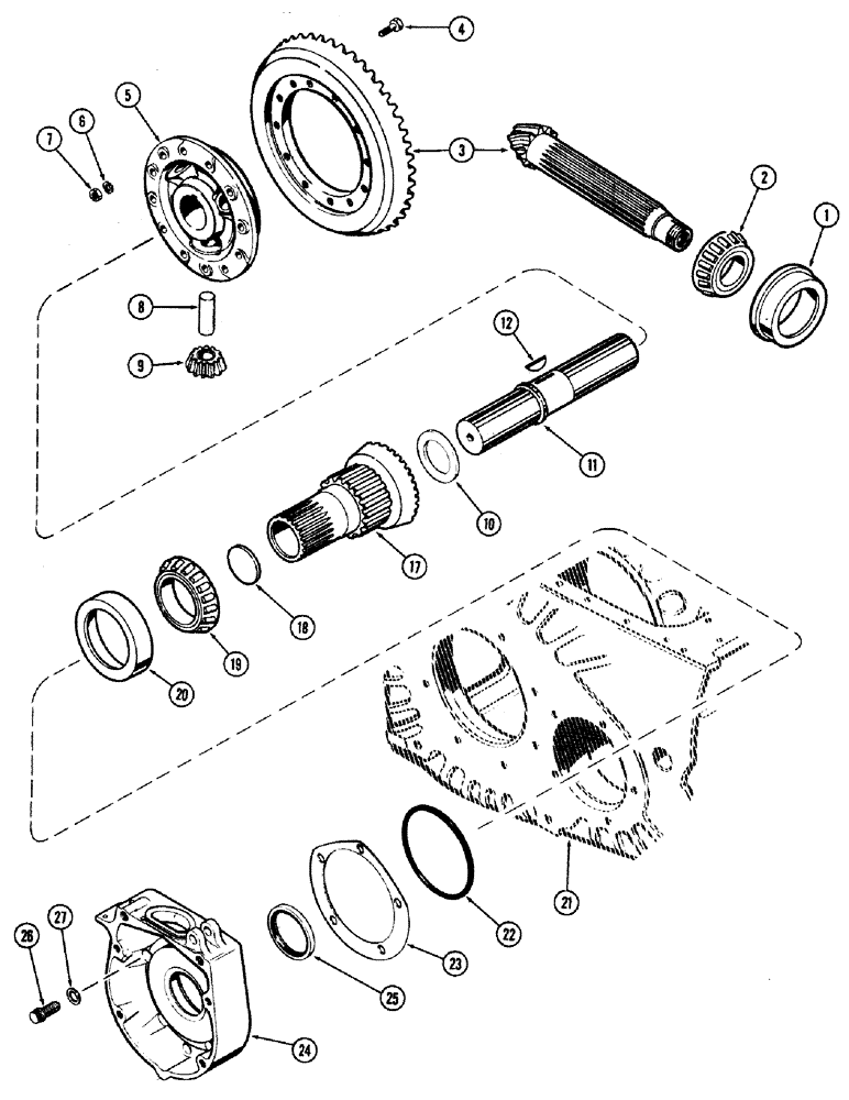
5
6
7
23
8
4
17
18
12
26
11
3
27
20
10
9
25
22
24
2
21
1
19
FIT
1:1
100%

Артикул

Название

Примечание

Количество

1

A32001

CUP

BEARING - taper, cup, countershaft, rear

1шт.

2

A7945

CONE

BEARING - taper, cone, countershaft, rear

1шт.

3

A25289

GEAR SET - counter & ring gear

1шт.

4

14-836

BOLT,Hex, 1/2" - 20 x 2-1/4", Gr 5

- hex hd., centerwheel to ring gear (1/2 x 2-1/4" N.F.)

12шт.

5

A34165

WHEEL

- center, differential

1шт.

6

92-8

LOCK WASHER,1/2"

12шт.

7

25-118

NUT,1/2"-20, G5

- hex (1/2" N.F.)

12шт.

8

A62213

PIN

- pinion gear, differential (Replaces A28180)

2шт.

9

A62530

PINION

GEAR - pinion, differential bevel gear (Replaces A32767)

3шт.

10

A62407

WASHER

- thrust, diff. bevel gear (Replaces A58448)

2шт.

11

A34800

SHAFT

- differential

1шт.

12

126-51

WOODRUFF KEY,#TX, 3/8" x 2 3/4"

KEY - Woodruff, center wheel, (3/8 x 2-3/4")

1шт.

17

A58446

GEAR ASSY. - differential side with plug (includes ref. 18)

2шт.

18

A28185

ROLLER BEARING,3.375" ID x 1.43"

BEARING - tapered cone, differential side gear

2шт.

19

41-1042

PLUG,Cup, 2 5/8"

- cup type, differential side gear (Replaces A24555)

1шт.

20

A28184

BEARING CUP

BEARING - tapered cup, differential side gear

2шт.

21

A61180

HOUSING

- transmission (Power shift) (1st used tractor serial no. 8650101)

1шт.

21

A58418

CASE

HOUSING - transmission (Power shift) (Used prior to tractor serial no. 8650101)

1шт.

21

A58971

HOUSING - transmission (Mechanical shift)

1шт.

22

A28183

O-RING,0.139" Thk x 6.234" ID, -259, Cl 5, 75 Duro

"O" RING - differential brake hsg. (6-1/4 x 6-1/2 x 1/8")

2шт.

23

A60490

SHIM,.003" Thk

Differential brg. carrier .003" Thk

1шт.

23

A60491

SHIM,.005" Thk

Differential brg. carrier .005" Thk

1шт.

23

A60492

SHIM,.010" Thk

Differential brg. carrier .010" Thk

1шт.

24

A58452

HOUSING ASSY. - differential brake, w/seal (R.H.) (includes ref. 25)

1шт.

24

A58453

HOUSING ASSY. - differential brake, 2/seal (L.H.) (includes ref. 25)

1шт.

25

A57658

OIL SEAL

- oil, differential brake housing

1шт.

26

A60495

LOCK BOLT

BOLT - Ferry cap, self sealing (5/8 x 1-1/2" N.C.)

4шт.

26

A62448

BOLT,Ferry Cap, 5/8" - 11 x 1.75", Gr 8

BOLT - Ferry cap, self sealing (5/8 x 1-3/4" N.C.)

6шт.

27

A29881

WASHER

- differential brake hsg. (41/64 x 1-1/8 x 19/32")

10шт.

Выбрано товаров: 29