Запчасти Case IH 870 (186) - REAR AXLE, LONG AXLE (06) - POWER TRAIN

Схема запчастей Case IH 870 - (186) - REAR AXLE, LONG AXLE (06) - POWER TRAIN
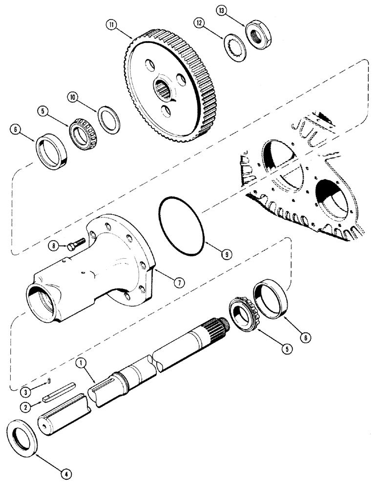
11
1
12
8
6
13
6
5
5
10
9
4
7
2
3
FIT
1:1
100%

Артикул

Название

Примечание

Количество

1

A58480

SHAFT

- rear axle (3-3/16" dia.) (53-3/16" length) (.625/.632" width axle keyway)

2шт.

2

A34890

BUCKET TOOTH KEY

KEY - rear axle (.626/.629")

2шт.

3

138-127

LOCK PIN,1/4" x 1/2", Slotted

PIN - roll, rear axle shaft key (1/4 x 1-3/8")

2шт.

4

A41814

SEAL

KIT - oil, rear axle shaft

2шт.

NSS

NOT SOLD SEPARAT

SLEEVE - wear (Order A41814) (Not illust.)

1шт.

NSS

NOT SOLD SEPARAT

SEAL - oil (Order A41814) (Not illust.)

1шт.

5

40442

ROLLER BEARING,3.25" ID x 1.172"

CONE - bearing, rear axle shaft

4шт.

6

A28134

BEARING CUP

CUP - bearing, rear axle shaft

4шт.

7

A58478

HOUSING - axle, rear

2шт.

8

26-1036

BOLT,Hex, 5/8" - 11 x 2-1/4", Gr 8

- 5/8 x 2-1/4" N.C. hex

16шт.

9

A33050

OIL SEAL

- oil, rear axle housing (Rubber)

2шт.

10

A60097

WASHER

- spacer, rear axle gear

2шт.

11

A57910

GEAR - final drive, rear axle

2шт.

12

A32806

LOCK WASHER

- lock, rear axle shaft (2-7/16 x 4-7/8 x 5/64")

2шт.

13

A23386

NUT

- lock, rear axle shaft

2шт.

Выбрано товаров: 15