Запчасти Case IH 870 (217A) - P.T.O. HOUSING (06) - POWER TRAIN

Схема запчастей Case IH 870 - (217A) - P.T.O. HOUSING (06) - POWER TRAIN
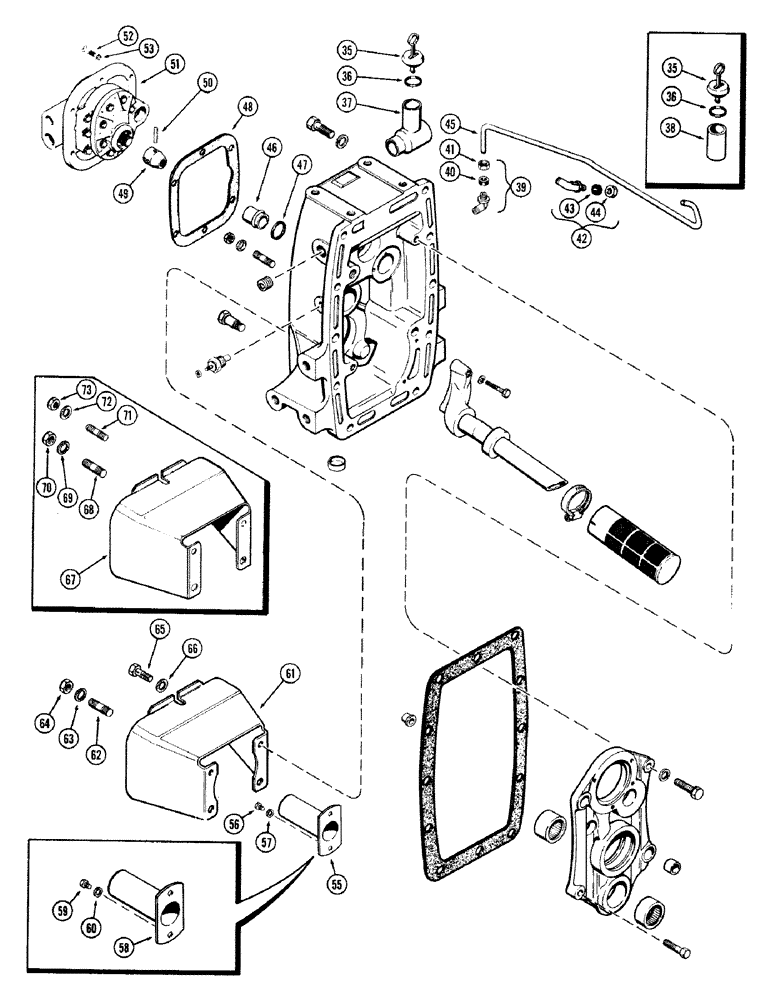
43
61
53
65
47
40
42
46
60
70
36
66
45
50
62
44
49
56
35
72
57
35
67
63
55
69
37
64
39
51
41
48
36
71
68
58
38
73
59
52
FIT
1:1
100%

Артикул

Название

Примечание

Количество

35

A142889

CAP

PLUG ASSY, filler (Replaces A59123)

1шт.

36

A7623

O-RING,0.139" Thk x 0.984" ID, -214, Cl 5, 75 Duro

1шт.

37

A62172

TUBE

ASSY, oil filler (Used w/A62190 housing)

1шт.

38

A59122

SPARE PART Oil filler

1шт.

39

222-48

ELBOW,90º, 13/16"-18 Fem x 3/8"-18 NPTF

ASSY, male, 3/8" tube O.D. x 3/8" P.T. (Incl. Ref. 40 & 41)

1шт.

40

222-104

SLEEVE,3/8" Tube

1шт.

41

222-114

NUT,5/8"-24

For 3/8" tube

1шт.

42

222-47

ELBOW,90 Degree, 5/8"-24 Fem x 1/4"-27 NPTF

ASSY, male, 3/8" tube O.D. x 1/4" P.T. (Incl. Ref. 43 & 44)

1шт.

43

222-104

SLEEVE,3/8" Tube

1шт.

44

222-114

NUT,5/8"-24

For 3/8" tube

1шт.

45

A59299

TUBE

PTO clutch lubrication

1шт.

46

A58983

TUBE

Hyd. pump inlet

1шт.

47

A30915

O-RING,0.139" Thk x 1.359" ID, -220, Cl 5, 75 Duro

1шт.

48

A32096

GASKET

Hydraulic dual pump

1шт.

49

A32097

COUPLING, BREAK AWAY

Hydraulic dual pump shaft

1шт.

50

138-2011

PIN,1/8" x 1 1/4", Coiled

Hyd. pump shaft coupling

1шт.

51

A62051

PUMP

ASSY, hyd. dual (See Figure 240)

1шт.

51

AR62051

REMAN-HYD PUMP

Remanufactured, HYDRAULIC PUMP

1шт.

51

AC62051

CORE-HYDRAULIC PUMP

Return Number

1шт.

52

13-620

BOLT,Hex, 3/8" - 16 x 1-1/4", Gr 5, Full Thd

6шт.

53

92-6

LOCK WASHER,3/8"

6шт.

55

A32456

SPARE PART ASSY, output shaft (Single speed)

1шт.

56

13-58

BOLT,Hex, 5/16" - 18 x 1/2", Gr 5

(Single speed)

2шт.

57

92-5

LOCK WASHER,5/16"

(Single speed)

2шт.

58

A58238

GUARD

SPARE PART Output shaft (Dual speed)

1шт.

59

13-48

BOLT,Hex, 1/4" - 20 x 1/2", Gr 5

(Dual speed)

2шт.

60

92-4

LOCK WASHER,1/4"

(Dual speed)

2шт.

61

A62391

GUARD

SHIELD - output shaft (1st used trans. S/N 2363134)

1шт.

62

A58195

STUD

5/8" N.C. x 3-1/2"

2шт.

63

193-34

LOCK WASHER,Int Tooth, 5/8"

2шт.

64

25-1010

NUT,5/8"-11, G5

2шт.

65

13-824

BOLT,Hex, 1/2" - 13 x 1-1/2", Gr 5, Full Thd

Used w/dual speed

2шт.

65

13-828

BOLT,Hex, 1/2" - 13 x 1-3/4", Gr 5

BOLT - 1/2 x 1-3/8" N.C. hex (Used w/single speed)

2шт.

66

193-32

LOCK WASHER,Int Tooth, 1/2"

2шт.

67

A58237

SHIELD

Output shaft (Used prior to trans. S/N 2363134) (Order A62391)

1шт.

68

A58195

STUD

5/8" N.C. x 3-1/2"

2шт.

69

193-34

LOCK WASHER,Int Tooth, 5/8"

2шт.

70

25-1010

NUT,5/8"-11, G5

2шт.

71

A58194

STUD - 1/2" N.C. x 3-1/8"

2шт.

72

193-32

LOCK WASHER,Int Tooth, 1/2"

2шт.

73

25-108

NUT,1/2"-13, G5

Hex

2шт.

Выбрано товаров: 41