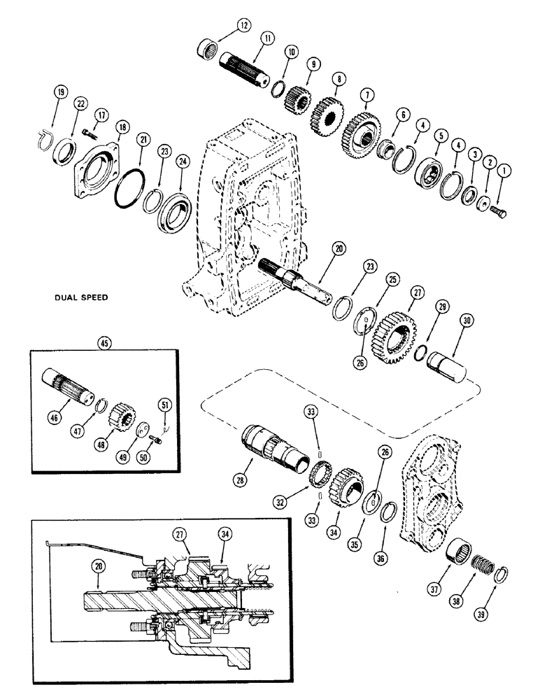
Запчасти Case IH 870 (222) - P.T.O. OUTPUT & IDLER SHAFTS, DUAL SPEED (06) - POWER TRAIN

Схема запчастей Case IH 870 - (222) - P.T.O. OUTPUT & IDLER SHAFTS, DUAL SPEED (06) - POWER TRAIN
11
38
4
12
1
25
22
46
33
3
34
18
9
28
39
34
45
7
30
17
50
21
33
4
19
37
51
35
49
26
5
47
29
20
20
6
23
36
2
8
48
24
27
32
23
26
10
FIT
1:1
100%

Артикул

Название

Примечание

Количество

1

121-415

BOLT,Hex, 1/2" x 1"

- 1/2 x 1" N.C. hex, jay-lock

1шт.

2

A57462

WASHER

- retaining, 2nd idler shaft

1шт.

3

A57509

PLATE

- inner race

1шт.

4

A32422

SNAP RING,2.36mm Thk, Int

SNAP RING - P.T.O. 2nd idler gear

2шт.

5

A32423

BEARING ASSY

BEARING - P.T.O. 2nd idler shaft outer race, front

1шт.

6

A57510

BEARING CONE,1.5748" ID x 2.245" OD x 0.74"

BEARING - single rib inner race

1шт.

7

A32408

GEAR

- driven, P.T.O. 2nd idler (36 T)

1шт.

8

A58986

GEAR

- P.T.O. 2nd idler driver pinion (1000 R.P.M.) (28 teeth)

1шт.

9

A58985

GEAR

- P.T.O. 2nd idler driver pinion (540 R.P.M.) (Used prior to trans. ser. no. 2402370) (Order A65253 kit)

1шт.

10

A7339

RING

SNAP RING - external, P.T.O. 2nd idler shaft

1шт.

11

A58203

SHAFT

- P.T.O 2nd idler (Used prior to trans. ser. no. 2402370) (Order A65253 kit)

1шт.

12

A28229

NEEDLE BEARING,Needle, 44.44mm ID x 53.99mm OD x 25.4mm W

BEARING - needle, P.T.O. 2nd idler shaft

1шт.

17

166-43

12 PT SCREW,Flg, 3/8" - 16 x 3/4", Gr 8

SCREW - 3/8 x 3/4" N.C. Ferry cap

2шт.

18

A62390

RETAINER

- bearing and oil seal (1st used trans. ser. no. 2363134)

1шт.

18

A58222

RETAINER - bearing and oil seal (Used prior to trans. ser. no. 2363134)

1шт.

19

A61029

SNAP RING,3.48mm Thk, Int

SNAP RING - retaining, P.T.O. output shaft

1шт.

20

A58214

SHAFT

- P.T.O. dual output

1шт.

21

A58224

SEALING RING

- Tetra, P.T.O. brg. cage (4-3/4 x 5 x 9/64")

1шт.

22

A58223

OIL SEAL

- P.T.O. oil (2-1/2 x 3-1/4 x 29/64")

1шт.

23

A58217

SNAP RING,#275, 2.594, Ext

- external, P.T.O. output shaft

2шт.

24

A58216

BALL BEARING,69.98mm ID x 110mm OD x 20mm W

BEARING - rear, P.T.O. output sleeve

1шт.

25

A64309

WASHER,70.28mm ID x 88.9mm OD x 5.59mm Thk

- thrust, P.T.O. output sleeve (Replaces A58218)

1шт.

26

138-50

LOCK PIN,1/8" x 5/16", Slotted

PIN, 1/8" x 5/16", Slotted

2шт.

27

A58996

GEAR

- output sleeve (540 R.P.M. - 41 T)

1шт.

28

A65997

SLEEVE

- P.T.O. output shaft (Replaces A58227)

1шт.

29

A59001

O-RING,1.612" ID x 1.818" OD

"O" RING - P.T.O. support (1-39/64 x 1-51/64 x 3/32")

1шт.

30

A62030

SUPPORT

- P.T.O. output shaft sleeve (Replaces A58995)

1шт.

32

A58210

COLLAR

- P.T.O. shifting

1шт.

33

A62026

PIN

- shift collar (Replaces A58228)

2шт.

34

A58997

GEAR

- output sleeve (1000 R.P.M. - 32 T)

1шт.

35

A64308

WASHER,58.95mm ID x 76.2mm OD x 5.59mm Thk

- thrust, P.T.O. output sleeve (Replaces A58221)

1шт.

36

A32300

SNAP RING,#225, 2.174", Ext

- external, output sleeve

1шт.

37

A58197

NEEDLE BEARING,2.25" ID x 2.6255" OD x 1.25"

BEARING - needle, P.T.O. output sleeve

1шт.

38

A58213

SPRING

- P.T.O. gear shifting

1шт.

39

A58212

RING

SNAP RING - internal, spring retaining

1шт.

45

A65253

GEAR

KIT - P.T.O. 2nd idler (includes ref. 46 - 51)

1шт.

46

A65248

SHAFT

- P.T.O. 2nd idler

1шт.

47

A7339

RING

- snap, external

1шт.

48

A65252

GEAR

- pinion, P.T.O. 2nd idler driver

1шт.

49

A65247

RETAINER

- P.T.O. 2nd idler shaft

1шт.

50

A65246

BOLT,Flanged, 3/8" - 16 x 1", Grade 8

- retainer to 2nd idler shaft

2шт.

51

391-701

ELECTRICAL WIRE

WIRE - lock (18 ga. x 6")

1шт.

Выбрано товаров: 42