Запчасти Case IH 870 (192) - A65055 POWER BRAKE VALVE, POWER SHIFT, 1ST USED TRACTOR SERIAL NUMBER 8711460 (07) - BRAKES

Схема запчастей Case IH 870 - (192) - A65055 POWER BRAKE VALVE, POWER SHIFT, 1ST USED TRACTOR SERIAL NUMBER 8711460 (07) - BRAKES
44
23
41
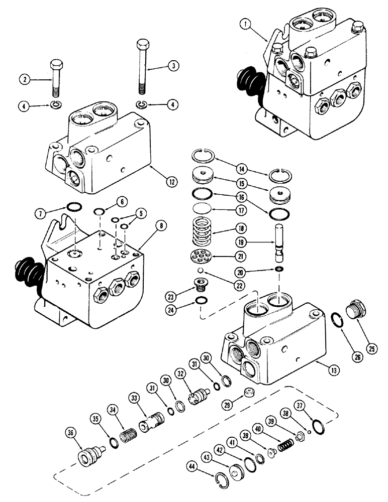
1
36
38
4
34
7
18
43
39
5
32
31
37
35
6
40
30
22
15
20
16
30
39
33
31
8
4
42
12
13
29
21
19
17
25
26
3
14
2
24
FIT
1:1
100%

Артикул

Название

Примечание

Количество

1

A65055

VALVE

ASSY. - power brake (Replaces A62074) (includes ref. 2 - 8, 12 - 26 and 29 - 44)

1шт.

2

13-532

BOLT,Hex, 5/16" - 18 x 2", Gr 5

2шт.

3

13-552

BOLT,Hex, 5/16" - 18 x 3-1/4", Gr 5

- 5/16 x 3-1/4" N.C. hex

2шт.

4

92-5

LOCK WASHER,5/16"

4шт.

5

A28090

O-RING,0.301" ID x 0.441" OD x 0.07"

-011, 70 Duro, .301" ID x .070" Thk

2шт.

Part of power brake valve cover repair kit P/N A43709

1шт.

6

A18414

O-RING,0.07" Thk x 0.489" ID, -14, Cl 5, 75 Duro

"O" RING - 1/2 x 5/8 x 1/16"

1шт.

Part of power brake valve cover repair kit P/N A43709

1шт.

7

F10894

O-RING,0.07" Thk x 0.676" ID, -17, Cl 5, 75 Duro

"O" RING - 3/4 x 7/8 x 1/16"

1шт.

Part of power brake valve cover repair kit P/N A43709

1шт.

8

A65363

VALVE

ASSY. - brake (See Figure 193A) (includes ref. 12 - 26 and 29 - 44)

1шт.

12

A64914

COVER

ASSY. - power brake valve (includes ref. 12 - 26 and 29 - 44)

1шт.

13

NSS

NOT SOLD SEPARAT

BODY - power brake valve cover (Order A64914)

1шт.

14

A36277

SNAP RING,1.125", Int, #112

pressure relief & brake influx pressure plug 1.125", Int, #112

2шт.

15

A59981

PLUG

- pressure relief & brake influx press.

2шт.

16

A58602

O-RING,0.103" Thk x 0.924" ID, -119, Cl 5, 75 Duro

"O" RING - 15/16 x 1-1/8 x 3/32"

2шт.

Part of power brake valve cover repair kit P/N A43709

1шт.

17

A61803

SHIM,.100" Thk

(1-1/10" OD x 5/100" width) .100" Thk

1шт.

17

A61802

SHIM,.050" Thk

(1-1/10" OD x 1/10" width) .050" Thk

1шт.

17

A60655

SHIM,.010" Thk

(1-1/10" OD x 1/100" width) .010" Thk

1шт.

18

A59980

SPRING

- 1-1/5" free length

1шт.

19

A62836

INSERT

LIMITER - flow

1шт.

20

A27358

O-RING,0.07" Thk x 0.239" ID, -10, Cl 5, 75 Duro

"O" RING - 1/4 x 3/8 x 1/16"

1шт.

Part of power brake valve cover repair kit P/N A43709

1шт.

21

A59979

WASHER

- pressure relief valve

1шт.

22

211-9

BALL,5/16" Dia

- pressure relief valve, . 5/16" Dia

1шт.

23

A62433

SEAT

- pressure relief valve

1шт.

24

A18414

O-RING,0.07" Thk x 0.489" ID, -14, Cl 5, 75 Duro

"O" RING - 1/2 x 5/8 x 1/16"

1шт.

25

71100209

PLUG,Hex Soc, 3/4"-16 ORB

Assy, Incl Ref 26 Hex Soc, 3/4"-16 ORB

1шт.

26

218-5006

O-RING,0.087" Thk x 0.644" ID, -908, Cl 6, 90 Duro

"O" RING - 1/2 x 21/32 x 3/32"

1шт.

Part of power brake valve cover repair kit P/N A43709

1шт.

29

A59969

PLUG

- valve cover orifice

1шт.

30

A59951

RING

- seal, spool & piston

2шт.

Part of power brake valve cover repair kit P/N A43709

1шт.

31

A28090

O-RING,0.301" ID x 0.441" OD x 0.07"

-011, 70 Duro, .301" ID x .070" Thk

2шт.

Part of power brake valve cover repair kit P/N A43709

1шт.

32

A59977

PISTON

- power assist

1шт.

33

A62833

SPOOL

- pressure regulating

1шт.

34

A59975

SPRING

- press. regulating spool (21/32" free length)

1шт.

35

A29197

O-RING,0.424" ID x 0.63" OD x 0.103"

"O" RING - 7/16 x 5/8 x 3/32"

1шт.

Part of power brake valve cover repair kit P/N A43709

1шт.

36

A60650

SPOOL

- pressure release

1шт.

37

F62114

O-RING,0.103" Thk x 0.674" ID, -115, Cl 5, 75 Duro

"O" RING - 11/16 x 7/8 x 3/32"

1шт.

Part of power brake valve cover repair kit P/N A43709

1шт.

38

211-4

BALL

- pressure control, 5/32" dia.

1шт.

39

A64916

WASHER

- pressure control spring

2шт.

40

A65039

SPRING

- check, brake valve (3/4" free length)

1шт.

41

A59973

SNAP RING,0.50", Int, #50

RING, snap, 0.50", Int, #50

1шт.

42

D32114

O-RING,0.75" ID x 0.875" OD

"O" RING - 3/4 x 7/8 x 1/16"

1шт.

Part of power brake valve cover repair kit P/N A43709

1шт.

43

A60652

PLUG

- pressure control

1шт.

44

23138

O-RING

RING - snap, pressure control plug

1шт.

A43709

SEAL

KIT - repair, power brake valve cover, (Not illust.) (includes ref. 5, 6, 7, 16, 20, 26, 30, 31, 35, 37 and 42)

1шт.

Выбрано товаров: 53