Запчасти Case IH 870 (242) - A42248 VALVE (08) - HYDRAULICS

Схема запчастей Case IH 870 - (242) - A42248 VALVE (08) - HYDRAULICS
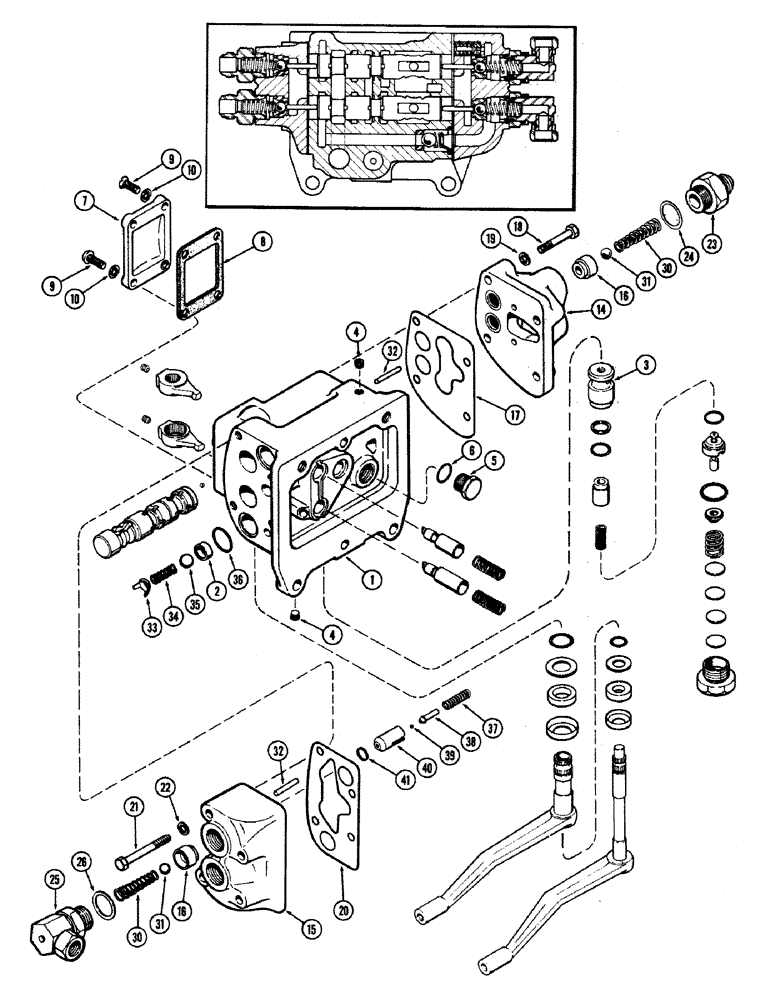
4
2
33
1
41
32
8
3
10
7
15
9
5
30
18
32
25
10
24
20
40
6
37
31
14
39
9
4
35
23
17
31
38
26
36
21
16
22
16
19
34
30
FIT
1:1
100%

Артикул

Название

Примечание

Количество

A42248

VALVE

ASSY - dual remote (Not illust.) (includes ref. 1 - 10, 14 - 26 and 30 - 41)

1шт.

1

A57534

BODY

ASSY. - hydraulic valve (includes ref. 2, 3 & 4)

1шт.

2

A57537

SEAT

- ball, check valve

4шт.

3

A57536

SLEEVE

- relief valve pilot

1шт.

4

221-849

PLUG,Hex Soc, 1/8"-27

- pipe (1/8" P.T., hex, socket hd.)

4шт.

5

86512512

PLUG,7/8" - 14 ORB

- Body port (Incl. Ref. 6) Hex Hd, 7/8"-14 ORB

1шт.

6

237-6010

O-RING,0.097" Thk x 0.755" ID, -910, Cl 6, 90 Duro

"O" RING - (5/8 x 3/4 x 3/32")

1шт.

7

A57552

CAP

- valve body

1шт.

8

A30854

GASKET

- valve body cap

1шт.

9

75-414

SCREW,Rd, 1/4" x 7/8"

- machine (1/4 x 7/8" N.C. round head)

4шт.

10

92-4

LOCK WASHER,1/4"

WASHER, LOCK, 1/4"

4шт.

14

A57564

VALVE

HEAD ASSY. - auxiliary valve (L.H.) (includes ref. 16)

1шт.

15

A57565

VALVE

HEAD ASSY. - auxiliary valve (R.H.) (includes ref. 16)

1шт.

16

NSS

NOT SOLD SEPARAT

SEAT - auxiliary valve head

2шт.

17

A57561

GASKET

- hyd. valve head (L.H.)

1шт.

18

13-644

BOLT,Hex, 3/8" - 16 x 2-3/4", Gr 5

- hex hd. (3/8 x 2-3/4" N.C.) (L.H. head)

4шт.

19

92-6

LOCK WASHER,3/8"

4шт.

20

A57560

GASKET

- hyd. valve head (R.H.)

1шт.

21

13-628

BOLT,Hex, 3/8" - 16 x 1-3/4", Gr 5

(R.H. head) Hex, 3/8"-16 x 1 3/4", G5

2шт.

21

13-640

BOLT,Hex, 3/8" - 16 x 2-1/2", Gr 5

- hex hd. (3/8 x 2-1/2" N.C.) (R.H. head)

2шт.

22

92-6

LOCK WASHER,3/8"

4шт.

23

A57569

FITTING

- remote valve outlet (L.H. head)

2шт.

24

218-5008

O-RING,0.116" Thk x 0.924" ID, -912, Cl 6, 90 Duro

"O" RING - (3/4 x 59/64 x 1/8")

2шт.

25

A57562

ADAPTER

ASSY. - swivel, (R.H.) (includes ref. 26)

2шт.

26

218-5008

O-RING,0.116" Thk x 0.924" ID, -912, Cl 6, 90 Duro

"O" RING - (3/4 x 59/64 x 1/8")

1шт.

A27365

O-RING,0.103" Thk x 0.75" ID, -116, Cl 5, 75 Duro

"O" RING - (3/4 x 15/16 x 3/32") (Inside hyd. fitting) (Not illust.)

1шт.

30

A30877

SPRING

- hyd. valve return ball check

4шт.

31

211-13

BALL,1/2" Dia

- hyd. valve return 1/2" Dia

4шт.

32

A57559

SPOOL

- hyd. valve auxiliary

4шт.

33

A27364

GUIDE

- auxiliary valve ball check spring

4шт.

34

A27452

SPRING

- check, auxiliary valve outlet (1-1/8" free length) (35/64" O.D.)

4шт.

35

211-15

BALL,5/8" Dia

- steel (meter) 5/8" Dia

4шт.

36

A58602

O-RING,0.103" Thk x 0.924" ID, -119, Cl 5, 75 Duro

"O" RING - ball check spring guide (15/16 x 1-1/8 x 3/32")

4шт.

37

A57396

SPRING

- hyd. cylinder relief valve ball (1-7/64" free length) (21/64" O.D.)

2шт.

38

A62272

GUIDE

- ball, thermal valve (Replaces A57568)

2шт.

39

211-3

BALL,1/8" Dia

- steel (meter) 1/8" Dia

2шт.

40

A62273

SEAT

- thermal valve (Replaces A57570)

2шт.

41

A27891

O-RING,0.103" Thk x 0.362" ID, -110, Cl 5, 75 Duro

"O" RING - thermal valve (3/8 x 9/16 x 3/32")

2шт.

Выбрано товаров: 38