Запчасти Case IH 870 (325E) - YORK COMPRESSOR (09) - CHASSIS/ATTACHMENTS

Схема запчастей Case IH 870 - (325E) - YORK COMPRESSOR (09) - CHASSIS/ATTACHMENTS
23
20
15
28
6
2
22
9
8
10
25
19
12
18
14
5
7
27
4
26
24
16
13
29
17
21
15
3
11
FIT
1:1
100%

Артикул

Название

Примечание

Количество

A42954

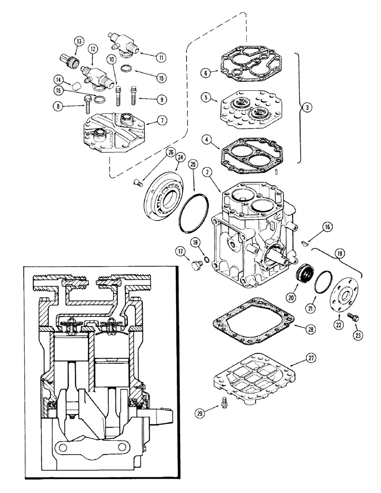
COMPRESSOR ASSY. - (York #R210-16979) (Order A64810) (includes ref. 2 - 29)

1шт.

417888C93

AIRCOND. COMPRESSOR

Compressor Assy., A/C

1шт.

1924004C2

REMAN-A/C COMPRESSOR

Remanufactured Compressor

1шт.

1924005C1

CORE-A/C COMPRESSOR

Return Number

1шт.

2

NSS

NOT SOLD SEPARAT

CRANKSHAFT ASSY.

1шт.

3

A42945

SPARE PART KIT - valve plate (Order A42963) (includes ref. 4, 5 & 6)

1шт.

4

NSS

NOT SOLD SEPARAT

GASKET - valve plate to crankcase (Order A42950)

1шт.

5

NSS

NOT SOLD SEPARAT

PLATE - valve

1шт.

6

NSS

NOT SOLD SEPARAT

GASKET - cyl. hd. to valve plate (Order A42950)

1шт.

7

NSS

NOT SOLD SEPARAT

CYLINDER HEAD

1шт.

8

A42949

FLANGE BOLT

BOLT - 5/16 x 1-3/8" N.C. hex, washer hd.

8шт.

9

A42947

SCREW,5/16" - 18 x 1.375", Grade 6, Steel

SPARE PART SCREW - 5/16 x 1-3/8" N.C. Ferry hd., 12 pt. cap

2шт.

10

A42948

12 PT SCREW,5/16" - 18 x 1.516", Gr 6

SCREW - 5/16 x 1-17/32" N.C. Ferry hd., 12 pt. cap

2шт.

11

A42936

VALVE

VALVE ASSY. - roto lock, discharge, 1/2" port

1шт.

12

A42937

VALVE

VALVE ASSY. - roto lock, suction, 5/8" port (includes ref. 13 & 14)

1шт.

13

A42944

CAP

CAP - sleeve, valve stem

2шт.

14

222-981

TUBE NUT,Cap, 3/8"-24, 45 Degree Fl

CAP - valve stem

2шт.

15

A42938

GASKET

GASKET - roto lock to cyl. hd.

2шт.

16

A42939

KEY

KEY - crankshaft, no. 6 non-rok

1шт.

17

114-210

BOLT,Hex, 3/8" - 24 x 1/2", Gr 5, Full Thd

PLUG - crankcase, filler & level

2шт.

18

NSS

NOT SOLD SEPARAT

"O" RING - filler & level plug (Order A42950)

2шт.

19

A42946

KIT

KIT - seal, front crankshaft (includes ref. 20, 21 & 22)

1шт.

20

NSS

NOT SOLD SEPARAT

SEAL - crankshaft

1шт.

21

NSS

NOT SOLD SEPARAT

"O" RING - (Order A42950)

1шт.

22

NSS

NOT SOLD SEPARAT

PLATE - seal, retaining

2шт.

23

A42951

FLANGE BOLT

BOLT - 1/4 x 11/16" N.C. hex, washer hd.

6шт.

24

NSS

NOT SOLD SEPARAT

HOUSING - crankcase, rear

1шт.

25

NSS

NOT SOLD SEPARAT

GASKET - rear housing (Order A42950)

1шт.

26

NSS

NOT SOLD SEPARAT

SCREW - rear, Serial Range: hsg.-crankcase

4шт.

27

NSS

NOT SOLD SEPARAT

PLATE - crankcase base

1шт.

28

NSS

NOT SOLD SEPARAT

GASKET - base plate (Order A42950)

1шт.

29

NSS

NOT SOLD SEPARAT

BOLT - base, Serial Range: plate-crankcase

112шт.

A42950

GASKET

KIT - gasket, complete overhaul (includes ref. 4, 6, 18, 21, 25 & 28)

1шт.

Выбрано товаров: 33