Запчасти Case IH 870 (092) - A59217 STARTER, (336B) DIESEL ENGINE (04) - ELECTRICAL SYSTEMS

Схема запчастей Case IH 870 - (092) - A59217 STARTER, (336B) DIESEL ENGINE (04) - ELECTRICAL SYSTEMS
54
73
81
64
58
66
59
51
61
76
71
77
67
83
79
78
65
62
63
82
70
50
72
56
69
80
53
57
56
75
49
52
55
57
FIT
1:1
100%

Артикул

Название

Примечание

Количество

A59217

STARTER MOTOR

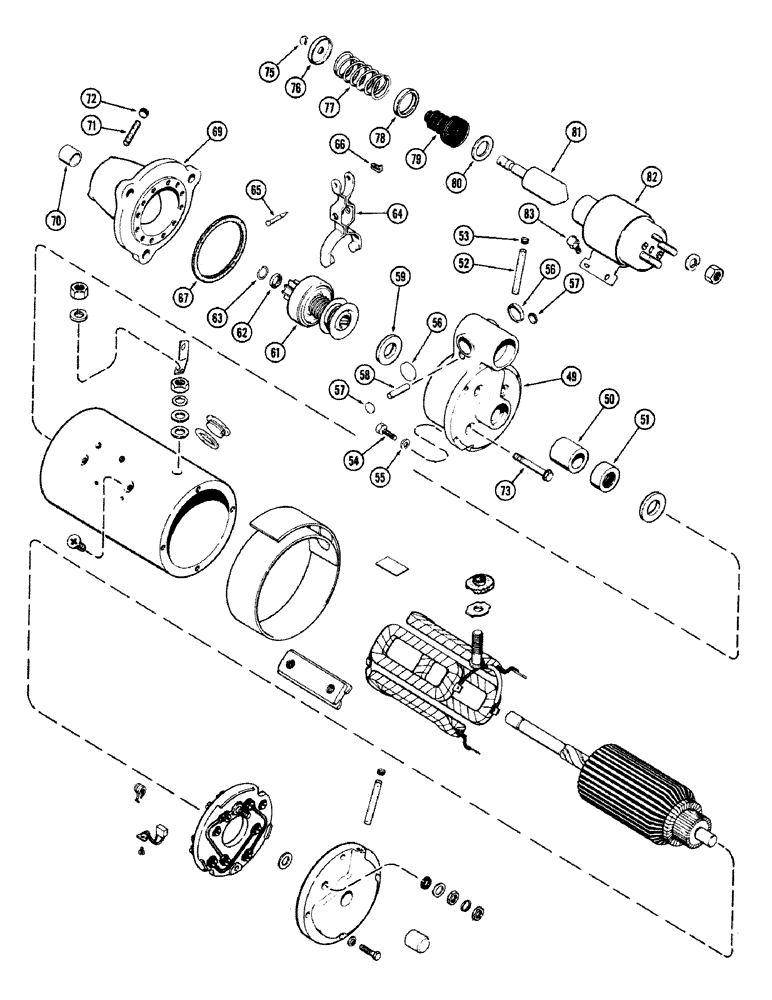
STARTER ASSY. - (Continued from page 90) (includes ref. 49 - 59, 61 - 67, 69 - 73 and 75 - 83)

1шт.

49

A42325

HOUSING ASSY. - shift lever (includes ref. 50 - 53)

1шт.

50

A40944

BUSHING

- lever housing, 47/64 x 57/64 x 3/4"

1шт.

51

A25407

OIL SEAL

OIL SEAL - lever housing, 21/32 x 1-3/8 x 25/64"

1шт.

52

A41417

WICK

- oil

1шт.

53

221-1849

PLUG

- oil wick hole

1шт.

54

114-1

BOLT,Hex, 1/4" - 28 x 1", Gr 5

5шт.

55

192-19

LOCK WASHER,Helical Spring, 0.256" ID, CST, ZND

WASHER, LOCK, 1/4"

5шт.

56

A42013

PLUG

- 1-3/16" expansion

2шт.

57

A42064

PLUG

- 5/8" expansion

2шт.

58

A25402

STUD

SHAFT - shift lever

1шт.

59

R15043

WASHER

- brake, lever housing, 25/32 x 2 x 3/32"

1шт.

61

A42331

DRIVE

ASSY. starter

1шт.

62

R15049

COLLAR

- pinion stop

1шт.

63

R15048

RING

- pinion stop retainer

1шт.

64

A25398

LEVER

- shift

1шт.

65

A25400

PIN

- shift lever to solenoid plunger

1шт.

66

A25406

OIL SEAL

RETAINER - shift lever pin

1шт.

67

A41508

GASKET

- lever housing to drive housing

1шт.

69

A25347

HOUSING ASSY. - drive end (includes ref. 70, 71 & 72)

1шт.

70

A40868

BUSHING

- drive housing, 9/16 x 3/4 x 3/4"

1шт.

71

R15023

WICK

- oil

1шт.

72

221-1041

PLUG

- oil wick hole

1шт.

73

A42012

BOLT (SPREADER),5/16" x 2 13/32"

SCREW ASSY. - lever housing to drive housing

4шт.

75

G46146

SNAP RING,#37, Ext

RING, snap, , plunger retaining #37, Ext

1шт.

76

R21571

RETAINER

- spring, w/13/32" hole

1шт.

77

A41242

SPRING

- plunger return

1шт.

78

R21572

RETAINER

- spring, w/1-13/64" hole

1шт.

79

A42308

BOOT

- solenoid

1шт.

80

A42008

WASHER

- retaining, 31/32 x 1-7/16 x 1/32"

1шт.

81

A25394

PLUNGER

- solenoid

1шт.

82

A42326

SOLENOID

ASSY. - (See Figure 96)

1шт.

83

R15159

SCREW,Hex, 1/4" - 20 x 3/8", w/ LW

- solenoid attaching

4шт.

Выбрано товаров: 33