Запчасти Case IH 870 (173A) - CLUTCH, PLANETARY OUTPUT, POWER SHIFT (06) - POWER TRAIN

Схема запчастей Case IH 870 - (173A) - CLUTCH, PLANETARY OUTPUT, POWER SHIFT (06) - POWER TRAIN
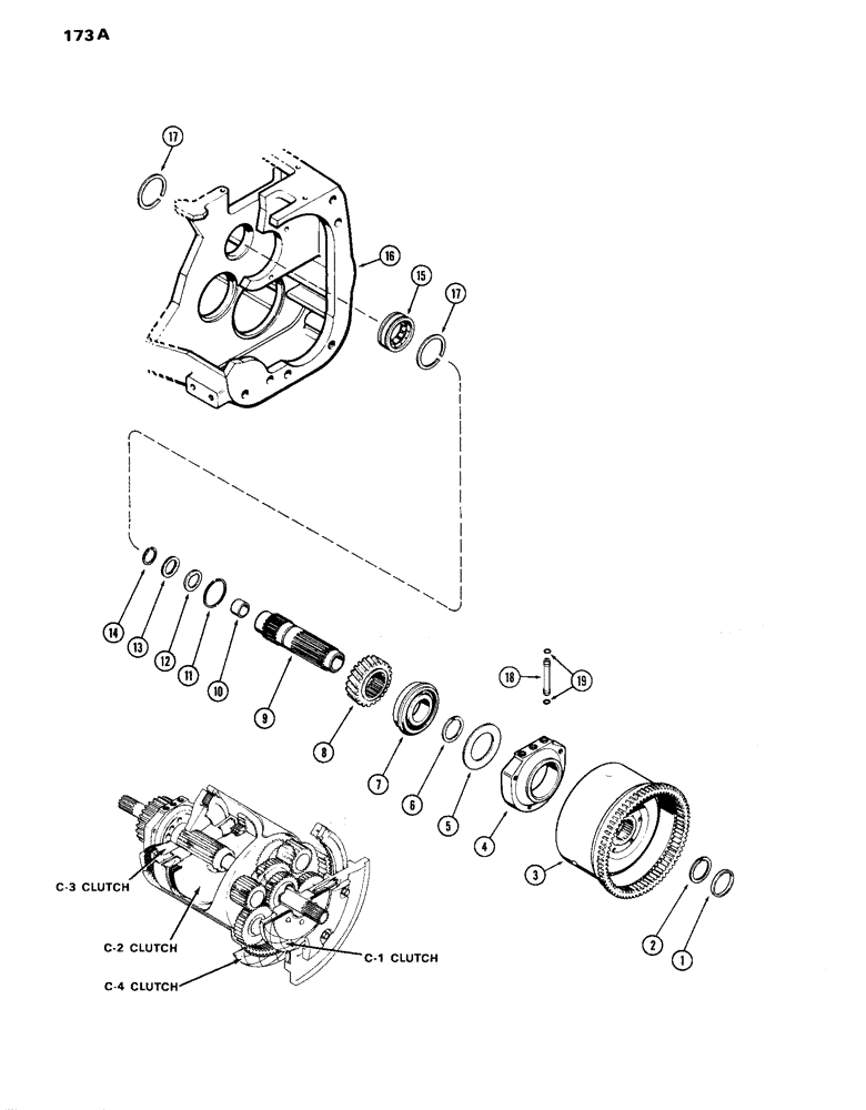
1
14
13
9
8
11
10
16
5
15
2
3
7
4
6
19
17
12
17
18
FIT
1:1
100%

Артикул

Название

Примечание

Количество

1

A61296

SPACER

- bearing, (C-2 clutch hub)

1шт.

2

A27089

SNAP RING,2.36mm Thk, Ext

RING - snap, hub

1шт.

3

NSS

NOT SOLD SEPARAT

CLUTCH PACK - (C-2 & C-3 Clutch) (See Figure 174)

1шт.

4

A61676

COVER ASSY

COVER - oil distributor

1шт.

5

A64764

GUARD

SHIELD - oil, planetary output shaft center ball bearing (Replaced A58101)

1шт.

6

A27089

SNAP RING,2.36mm Thk, Ext

RING - snap, planetary output shaft

1шт.

7

A58098

BALL BEARING,1.9685" ID x 4.58" OD x 1.063"

BEARING - ball, oil shield

1шт.

8

A62128

GEAR

- driven, pinion

1шт.

9

A62186

SHAFT

ASSY. - planetary output drive (includes ref. 10)

1шт.

10

A58376

BUSHING

- planetary output drive shaft

1шт.

11

A58100

SNAP RING,#215, 2.026", Ext

RING - snap, planetary output drive gear retaining

1шт.

12

A59934

WASHER

- thrust, planetary shaft

1шт.

13

A59935

BUSHING

SPACER - thrust, planetary shaft (7/32" thick)

1шт.

13

A59936

BUSHING

SPACER - thrust, planetary shaft (15/64" thick)

1шт.

13

A59937

BUSHING

SPACER - thrust, planetary shaft (1/4" thick)

1шт.

13

A59938

BUSHING

SPACER - thrust, planetary shaft (17/64" thick)

1шт.

14

A59939

RING

- snap, planetary shaft retaining

1шт.

15

A28149

ROLLER BEARING,1.7311" ID x 2.8346" OD x 1.0625"

BEARING - roller, rear, planetary shaft

1шт.

16

A61180

HOUSING

- transmission

1шт.

17

A28153

RING

- snap, external, planetary shaft rear bearing

2шт.

18

A61677

TUBE

- oil

3шт.

19

D31409

O-RING,0.07" Thk x 0.489" ID, -14, Cl 6, 90 Duro

"O" RING - oil tube (1/2 x 5/8 x 1/16")

6шт.

Выбрано товаров: 22