Запчасти Case IH 870 (210) - DIFFERENTIAL (06) - POWER TRAIN

Схема запчастей Case IH 870 - (210) - DIFFERENTIAL (06) - POWER TRAIN
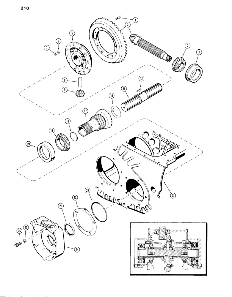
22
8
5
3
26
27
12
1
21
6
10
24
9
19
25
18
20
2
23
4
7
11
17
FIT
1:1
100%

Артикул

Название

Примечание

Количество

1

A32001

CUP

BEARING - taper cup, countershaft, rear

1шт.

2

A7945

CONE

BEARING - taper cone, countershaft, rear

1шт.

3

A25289

GEAR SET - countershaft & ring gear

1шт.

4

14-836

BOLT,Hex, 1/2" - 20 x 2-1/4", Gr 5

- centerwheel to ring gear (1/2 x 2-1/4" N.F. hex)

12шт.

5

A34165

WHEEL

- center, differential

1шт.

6

92-8

LOCK WASHER,1/2"

12шт.

7

25-118

NUT,1/2"-20, G5

- hex (1/2" N.F.)

12шт.

8

A62213

PIN

- pinion gear, differential (2-53/64 x 1")

3шт.

9

A62530

PINION

GEAR - pinion, differential bevel

3шт.

10

A62407

WASHER

- thrust, differential bevel gear

2шт.

11

A62902

SHAFT

- differential (Replaces A34800)

1шт.

12

126-51

WOODRUFF KEY,#TX, 3/8" x 2 3/4"

KEY - center wheel (3/8 x 2-3/4" Woodruff)

1шт.

17

A58446

GEAR ASSY. - differential side (includes ref. 18)

2шт.

18

41-1042

PLUG,Cup, 2 5/8"

- cup type

1шт.

19

A28185

ROLLER BEARING,3.375" ID x 1.43"

BEARING - tapered cone, differential side gear

2шт.

20

A28184

BEARING CUP

BEARING - tapered cup, differential side gear

2шт.

21

A61180

HOUSING

- transmission (Power Shift)

1шт.

21

A58971

HOUSING - transmission (Mechanical Shift)

1шт.

22

A28183

O-RING,0.139" Thk x 6.234" ID, -259, Cl 5, 75 Duro

"O" RING - differential brake hsg. (6-1/4 x 6-1/2 x 1/8")

2шт.

23

A60490

SHIM,.003" Thk

Differential brg. carrier .003" Thk

1шт.

23

A60491

SHIM,.005" Thk

Differential brg. carrier .005" Thk

1шт.

23

A60492

SHIM,.010" Thk

Differential brg. carrier .010" Thk

1шт.

24

A58452

HOUSING ASSY. - differential brake, w/seal (R.H.) (includes ref. 25)

1шт.

24

A58453

HOUSING ASSY. - differential brake, w/seal (L.H.) (includes ref. 25)

1шт.

25

A57658

OIL SEAL

- oil, differential brake housing

1шт.

26

A60495

LOCK BOLT

BOLT - (5/8 x 1-1/2" N.C. Ferry cap)

10шт.

27

A64303

WASHER

- (41/64 x 1-1/16 x 19/32") (Replaces A29881)

10шт.

Выбрано товаров: 27