Запчасти Case IH 870 (270) - CASE FLOW DIVIDER AND P.T.O. CONTROL VALVE (08) - HYDRAULICS

Схема запчастей Case IH 870 - (270) - CASE FLOW DIVIDER AND P.T.O. CONTROL VALVE (08) - HYDRAULICS
7
25
21
29
28
20
6
11
10
12
1
24
8
30
4
14
32
27
19
31
2
3
23
21
13
22
5
26
9
FIT
1:1
100%

Артикул

Название

Примечание

Количество

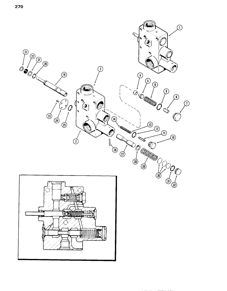
1

A65670

VALVE

ASSY. - "Case" flow divider & P.T.O. control (Replaced A60270) (includes ref. 2 - 31)

1шт.

1

A60270

VALVE

ASSY. - "Case" flow divider & P.T.O. control (Order A65670) (includes ref. 2 - 31)

1шт.

2

NSS

NOT SOLD SEPARAT

BODY ASSY. - valve (Order A65670) (includes ref. 3 & 4)

1шт.

3

211-7

BALL,1/4" Dia

- valve body 1/4" Dia

1шт.

4

A60686

SEAT

- relief valve

1шт.

5

A60687

VALVE POPPET

POPPET - relief valve

1шт.

6

A60286

SPRING

- relief valve (2-3/16" free length)

1шт.

7

A60287

PLUG

ASSY. - spring guide (includes ref. 8 & 9)

1шт.

8

138-199

LOCK PIN,1/2" x 3/4", Slotted

PIN, 1/2" x 3/4", Slotted

1шт.

9

237-6010

O-RING,0.097" Thk x 0.755" ID, -910, Cl 6, 90 Duro

"O" RING - (5/8 x 3/4 x 3/32")

1шт.

Included w/ REPAIR KIT, A42884

1шт.

10

A60282

PLUG

ASSY. - spring guide (includes ref. 11 - 12)

1шт.

11

138-2028

PIN,3/16" x 1 1/4", Coiled

1шт.

12

218-5006

O-RING,0.087" Thk x 0.644" ID, -908, Cl 6, 90 Duro

"O" RING - (1/2 x 21/32 x 3/32")

1шт.

Included w/ REPAIR KIT, A42884

1шт.

13

A60281

SPRING

- compression, P.T.O. clutch modulating spool (2-1/8" free length)

1шт.

14

211-8

BALL,9/32" Dia

- P.T.O. clutch modulating spool 9/32" Dia

1шт.

19

NSS

NOT SOLD SEPARAT

SPOOLS - P.T.O. clutch modulating (Order A65670)

1шт.

20

A29197

O-RING,0.424" ID x 0.63" OD x 0.103"

"O" RING - P.T.O. clutch modulating spool (7/16 x 5/8 x 3/32")

1шт.

Included w/ REPAIR KIT, A42884

1шт.

21

A60280

SNAP RING,#68, .743", Int, Spiral

RING - retaining, modulating spool washer

2шт.

22

A60279

WASHER

- protective, modulating spool (5/32 x 11/32 x 3/16")

1шт.

Included w/ REPAIR KIT, A42884

1шт.

23

164-522

SCREW,Btn Hd, #10 - 24 x 1/2"

- cap, cap to body (#10 diameter x 1/2" N.C., button head hex, socket)

4шт.

24

A60277

CAP

- pressure regulating spool bore

1шт.

25

A27365

O-RING,0.103" Thk x 0.75" ID, -116, Cl 5, 75 Duro

"O" RING - pressure regulating spool bore cap (3/4 x 15/16 x 3/32")

1шт.

Included w/ REPAIR KIT, A42884

1шт.

26

138-100

LOCK PIN,3/16" x 1 1/2", Slotted

PIN - roll, regulator spool plug (3/16 x 1-1/4")

1шт.

27

NSS

NOT SOLD SEPARAT

SPOOL - pressure regulating (Order A65670)

1шт.

28

A60273

SNAP RING,#62, Ext

RING, snap, , regulating spool #62, Ext

1шт.

29

A60274

SPRING

- compression, regulator spool (2-7/8" free length)

1шт.

30

A60275

SHIM,.0164" Thk

Regulating spring (.0184/.0144) .0164" Thk

1шт.

31

F62114

O-RING,0.103" Thk x 0.674" ID, -115, Cl 5, 75 Duro

"O" RING - regulating spool plug (11/16 x 7/8 x 3/32")

1шт.

Included w/ REPAIR KIT, A42884

1шт.

32

A60276

PLUG

- regulator spool

1шт.

A42884

KIT

- repair, "Case" flow divider & P.T.O. control valve (Not Illust.), Includes: Ref. 9, 12, 20, 22, 25 and 31

1шт.

Выбрано товаров: 36