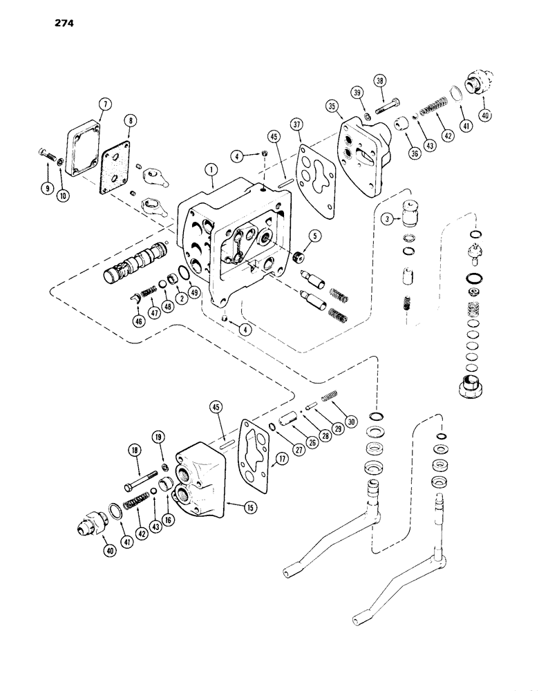
Запчасти Case IH 870 (274) - A45419 AUXILIARY VALVE, WITH STRAIGHT OUTLET FITTINGS (08) - HYDRAULICS

Схема запчастей Case IH 870 - (274) - A45419 AUXILIARY VALVE, WITH STRAIGHT OUTLET FITTINGS (08) - HYDRAULICS
10
37
4
49
2
3
29
42
40
16
35
47
9
43
28
41
43
4
39
8
18
7
48
15
19
38
1
26
17
46
30
45
42
40
27
36
5
45
41
FIT
1:1
100%

Артикул

Название

Примечание

Количество

A45419

VALVE

ASSY. - auxiliary (w/str. outlet fitting on R.H. side) (Replaces A44192, A44745 & A45294) (includes ref. 1 - 49)

1шт.

1

A141405

BODY

ASSY. - valve (Replaces A66628) (includes ref. 2 - 5)

1шт.

2

NSS

NOT SOLD SEPARAT

SEAT - ball, check valve

4шт.

3

NSS

NOT SOLD SEPARAT

SLEEVE - relief valve pilot

1шт.

4

221-849

PLUG,Hex Soc, 1/8"-27

- 1/8" hex sckt. hd. pipe

4шт.

5

221-843

PLUG,Hex Soc, 3/8"-18

- 3/8" hex sckt. hd. pipe

1шт.

7

A66435

CAP

- valve body

1шт.

8

A76374

GASKET

- valve body cap

1шт.

9

13-416

BOLT,Hex, 1/4" - 20 x 1", Gr 5

4шт.

10

92-4

LOCK WASHER,1/4"

WASHER, LOCK, 1/4"

4шт.

15

A57565

VALVE

HEAD ASSY. - valve, R.H.

1шт.

16

NSS

NOT SOLD SEPARAT

SEAT - valve head

2шт.

17

A57561

GASKET

- head, R.H.

1шт.

18

13-644

BOLT,Hex, 3/8" - 16 x 2-3/4", Gr 5

- 3/8 x 2-3/4" N.C. hex

2шт.

19

92-6

LOCK WASHER,3/8"

4шт.

26

A137335

SEAT

- thermal valve

2шт.

27

A27891

O-RING,0.103" Thk x 0.362" ID, -110, Cl 5, 75 Duro

"O" RING - thermal valve, 3/8 x 9/16 x 3/32"

2шт.

28

211-3

BALL,1/8" Dia

- ., steel 1/8" Dia

2шт.

29

A137594

GUIDE

- ball, thermal valve

2шт.

30

A57396

SPRING

- valve (1-7/64" free length, 21/64" dia.)

2шт.

35

A57564

VALVE

HEAD ASSY. - valve, L.H. (includes ref. 36)

1шт.

36

NSS

NOT SOLD SEPARAT

SEAT - valve head

2шт.

37

A57560

GASKET

- valve head, L.H.

1шт.

38

13-640

BOLT,Hex, 3/8" - 16 x 2-1/2", Gr 5

- 3/8 x 2-1/2" N.C. hex

2шт.

38

13-628

BOLT,Hex, 3/8" - 16 x 1-3/4", Gr 5

2шт.

39

92-6

LOCK WASHER,3/8"

4шт.

40

A64708

FITTING

- remote valve outlet (See Page 291)

4шт.

41

218-5008

O-RING,0.116" Thk x 0.924" ID, -912, Cl 6, 90 Duro

"O"RING - 3/4 x 59/64 x 1/8"

4шт.

42

A66473

SPRING

- check valve

4шт.

43

211-13

BALL,1/2" Dia

- check valve, steel 1/2" Dia

4шт.

45

A57559

SPOOL

- auxiliary

4шт.

46

A27364

GUIDE

- auxiliary ball check

4шт.

47

A27452

SPRING

- auxiliary valve (1-1/8" free length, 1/2" dia.)

4шт.

48

211-15

BALL,5/8" Dia

- . steel 5/8" Dia

4шт.

49

A64434

O-RING,0.93" ID x 1.142" x 0.106"

"O" RING - 15/16 x 1-1/8 x 3/32"

4шт.

Выбрано товаров: 35