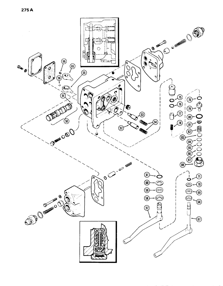
Запчасти Case IH 870 (275A) - A45419 AUXILIARY VALVE, WITH STRAIGHT OUTLET FITTINGS (08) - HYDRAULICS

Схема запчастей Case IH 870 - (275A) - A45419 AUXILIARY VALVE, WITH STRAIGHT OUTLET FITTINGS (08) - HYDRAULICS
80
87
50
82
76
68
55
76
79
56
61
83
65
51
81
71
75
67
86
52
60
77
57
54
69
85
59
53
84
78
58
88
70
66
FIT
1:1
100%

Артикул

Название

Примечание

Количество

A45419

VALVE

ASSY. - auxiliary (Continued from Page 275) (includes ref. 50 - 61, 65 - 71 and 74 - 88)

1шт.

50

A66469

SPOOL

ASSY. - valve (includes ref. 51)

2шт.

51

211-5

BALL,3/16" Dia

- ., steel 3/16" Dia

1шт.

52

A57554

PLUNGER

- valve spool, inner

1шт.

53

A57555

PLUNGER

- valve spool, outer (drilled)

1шт.

54

A66472

SPRING

- plunger (37/64" dia.)

2шт.

55

A57546

ARM

ASSY. - spool lever, inner (includes ref. 56)

1шт.

56

178-875

SET SCREW,Hex Soc, 1/4"-20 x 1/4"

SCREW - 1/4 x 1/4" N.C. hex sckt. hdless. cup pt. set

1шт.

57

A60391

SHAFT

- shift lever, inner

1шт.

58

A30880

RETAINER

- felt washer, shaft

1шт.

Included w/ SEAL KIT, A43086

1шт.

59

A30879

WASHER

- felt, inner shaft (3/4 x 1-3/16 x 1/4")

1шт.

Included w/ SEAL KIT, A43086

1шт.

60

A30881

SEALING WASHER,19.45mm ID x 31.35mm OD

WASHER - seal, shaft (49/64 x 1-15/64 x 20 ga.)

1шт.

Included w/ SEAL KIT, A43086

1шт.

61

A64837

O-RING,0.103" Thk x 0.75" ID, -116, Cl 5, 75 Duro

"O" RING - 3/32 x 3/4 x 15/16"

1шт.

Included w/ SEAL KIT, A43086

1шт.

65

A57547

ARM

ASSY. - valve spool lever, outer (includes ref. 66)

1шт.

66

178-875

SET SCREW,Hex Soc, 1/4"-20 x 1/4"

SCREW - 1/4 x 1/4" N.C. hex sckt. hdless. cup pt. set

1шт.

67

A60393

SHAFT

- shift lever, outer

1шт.

68

A30875

RETAINER

- felt washer shaft

1шт.

Included w/ SEAL KIT, A43086

1шт.

69

A30853

WASHER

- felt, outer shaft (1/2 x 15/16 x 1/4")

1шт.

Included w/ SEAL KIT, A43086

1шт.

70

A27409

WASHER

- seal, shaft (33/64 x 63/64 x 20 ga.)

1шт.

Included w/ SEAL KIT, A43086

1шт.

71

A64836

O-RING,0.487" ID x 0.693" OD

"O" RING - 3/32 x 1/2 x 11/16"

1шт.

Included w/ SEAL KIT, A43086

1шт.

A42888

KIT

- seal, relief valve (not part of valve assy.) (includes ref. 74 & 75)

1шт.

74

218-5008

O-RING,0.116" Thk x 0.924" ID, -912, Cl 6, 90 Duro

"O" RING - 3/4 x 59/64 x 1/8"

1шт.

Included w/ SEAL KIT, A43086

1шт.

75

A34493

RING,16.33mm ID x 19.02mm OD x 1.25mm Thk

- pilot relief valve

1шт.

Included w/ SEAL KIT, A43086

1шт.

76

A17526

O-RING,0.614" ID x 0.754" OD x 0.7"

"O" RING - 5/8 x 3/4 x 1/16"

2шт.

Included w/ SEAL KIT, A43086

1шт.

77

A57553

PISTON

- pilot relief valve

1шт.

78

A34382

SPRING

- pilot relief valve (1" free length, 15/32" dia.)

1шт.

79

A57556

PISTON

ASSY. - pilot relief valve

1шт.

80

218-5008

O-RING,0.116" Thk x 0.924" ID, -912, Cl 6, 90 Duro

3/4 x 59/64 x 1/8

1шт.

81

A57558

RETAINER

- valve spring

1шт.

82

A34492

SPRING

- valve (23/32" free length, 49/64" dia.)

1шт.

84

A34849

SHIM,.0105" Thk

Pilot relief spring .0105" Thk

1шт.

Refer to tag attached to valve for shim data

1шт.

85

A34390

SHIM,.0329" Thk

Pilot relief spring .0329" Thk

1шт.

Refer to tag attached to valve for shim data

1шт.

85

A34391

SHIM,.0149" Thk

Pilot relief spring .0149" Thk

1шт.

Refer to tag attached to valve for shim data

1шт.

86

A34817

SHIM,.0149" Thk

Pilot relief spring (Blue) .0149" Thk

1шт.

Refer to tag attached to valve for shim data

1шт.

87

A34694

SHIM,.0201" Thk

Pilot relief spring .0201" Thk

1шт.

Refer to tag attached to valve for shim data

1шт.

88

A34392

PLUG

- pilot relief valve

1шт.

A43086

SEAL

KIT - seal (Replaces A42882) (Includes: Ref. 8, 17, 27, 37 41 and 49 on page 274 and Ref. 58 - 61 and 68 - 76 on this page)

1шт.

Выбрано товаров: 53