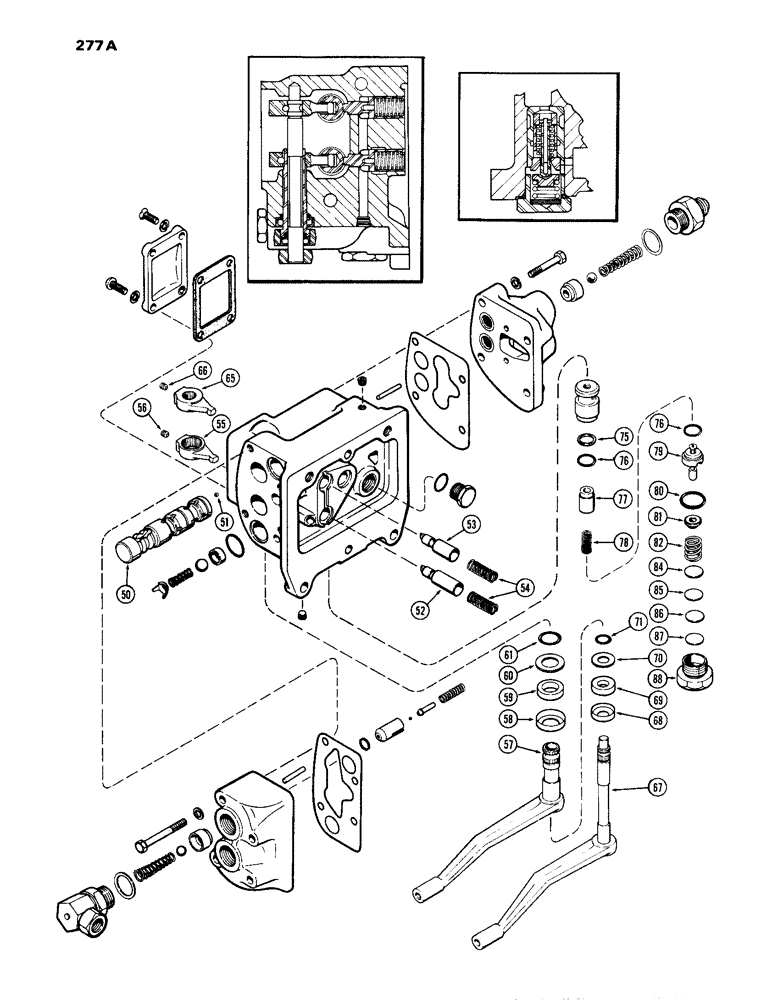
Запчасти Case IH 870 (277A) - A42248 AUXILIARY VALVE, WITH 90 DEGREE OUTLET FITTINGS (08) - HYDRAULICS

Схема запчастей Case IH 870 - (277A) - A42248 AUXILIARY VALVE, WITH 90 DEGREE OUTLET FITTINGS (08) - HYDRAULICS
76
69
54
58
77
82
55
67
71
61
85
53
51
76
75
68
80
57
60
87
56
79
50
52
86
81
88
59
65
70
66
78
84
FIT
1:1
100%

Артикул

Название

Примечание

Количество

A42248

VALVE

ASSY. - auxiliary (Cont'd. from Page 277) (includes ref. 50 - 61, 65 - 71, 74 - 79 and 81 - 88)

1шт.

50

A57538

SPOOL

ASSY. - valve (includes ref. 51)

2шт.

51

211-5

BALL,3/16" Dia

- . 3/16" Dia

1шт.

52

A57554

PLUNGER

- valve spool, inner

1шт.

53

A57555

PLUNGER

- valve spool, outer (drilled)

1шт.

54

A30883

SPRING

- plunger (37/64" dia.)

2шт.

55

A57546

ARM

ASSY. - spool shifter lever, inner (includes ref. 56)

1шт.

56

178-875

SET SCREW,Hex Soc, 1/4"-20 x 1/4"

SCREW - 1/4 x 1/4" N.C. hex sckt. hdless., cup pt. set

1шт.

57

A60391

SHAFT

- shift lever, inner

1шт.

58

A30880

RETAINER

- felt washer, shaft

1шт.

Inluded w/ SEAL KIT, A43086

1шт.

59

A30879

WASHER

- felt, inner shaft (3/4 x 1-3/16 x 1/4")

1шт.

Inluded w/ SEAL KIT, A43086

1шт.

60

A30881

SEALING WASHER,19.45mm ID x 31.35mm OD

WASHER - seal, shaft (49/64 x 1-15/64 x 20 ga.)

1шт.

Inluded w/ SEAL KIT, A43086

1шт.

61

A64837

O-RING,0.103" Thk x 0.75" ID, -116, Cl 5, 75 Duro

"O" RING - 3/32 x 3/4 x 15/16"

1шт.

Inluded w/ SEAL KIT, A43086

1шт.

65

A57547

ARM

ASSY. - valve spool lever, outer (includes ref. 66)

1шт.

66

178-875

SET SCREW,Hex Soc, 1/4"-20 x 1/4"

SCREW - 1/4 x 1/4" N.C. hex sckt. hdless., cup pt. set

1шт.

67

A60393

SHAFT

- shift lever, lower

1шт.

68

A30875

RETAINER

- felt washer shaft

1шт.

Inluded w/ SEAL KIT, A43086

1шт.

69

A30853

WASHER

- felt, outer shaft (1/2 x 15/16 x 1/4")

1шт.

Inluded w/ SEAL KIT, A43086

1шт.

70

A27409

WASHER

- seal, shaft (33/64 x 63/64 x 20 ga.)

1шт.

Inluded w/ SEAL KIT, A43086

1шт.

71

A64836

O-RING,0.487" ID x 0.693" OD

"O" RING - 3/32 x 1/2 x 11/16"

1шт.

Inluded w/ SEAL KIT, A43086

1шт.

A42888

KIT

- seal, relief valve (not part of valve assy.) (includes ref. 74 & 75)

1шт.

74

218-5008

O-RING,0.116" Thk x 0.924" ID, -912, Cl 6, 90 Duro

"O" RING - 3/4 x 59/64 x 1/8"

1шт.

Inluded w/ SEAL KIT, A43086

1шт.

75

A34493

RING,16.33mm ID x 19.02mm OD x 1.25mm Thk

- pilot relief valve

1шт.

Inluded w/ SEAL KIT, A43086

1шт.

76

A17526

O-RING,0.614" ID x 0.754" OD x 0.7"

"O" RING - 5/8 x 3/4 x 1/16"

2шт.

Inluded w/ SEAL KIT, A43086

1шт.

77

A57553

PISTON

- pilot relief valve

1шт.

78

A34382

SPRING

- pilot relief valve (1" free length, 15/32" dia.)

1шт.

79

A57556

PISTON

ASSY. - pilot relief valve

1шт.

81

A57558

RETAINER

- valve spring

1шт.

82

A34492

SPRING

- valve (23/32" free length, 49/64" dia.)

1шт.

84

A34849

SHIM,.0105" Thk

Pilot relief spring .0105" Thk

1шт.

Refer to tag attached to valve for shim data

1шт.

85

A34390

SHIM,.0329" Thk

Pilot relief spring .0329" Thk

1шт.

Refer to tag attached to valve for shim data

1шт.

85

A34391

SHIM,.0149" Thk

Pilot relief spring .0149" Thk

1шт.

Refer to tag attached to valve for shim data

1шт.

86

A34817

SHIM,.0149" Thk

Pilot relief spring (Blue) .0149" Thk

1шт.

Refer to tag attached to valve for shim data

1шт.

87

A34694

SHIM,.0201" Thk

Pilot relief spring .0201" Thk

1шт.

Refer to tag attached to valve for shim data

1шт.

88

A34392

PLUG

- pilot relief valve

1шт.

A43086

SEAL

KIT - seal, Includes: Ref. 58 - 61 and 68 - 76

1шт.

Выбрано товаров: 52