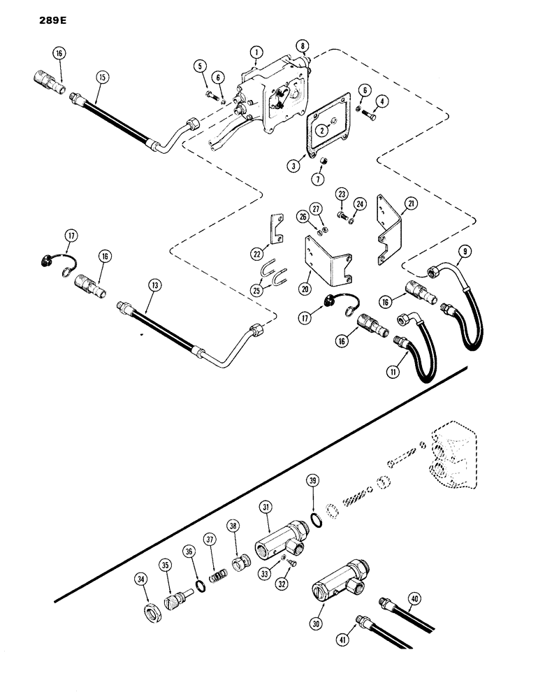
Запчасти Case IH 870 (289E) - BREAK-AWAY COUPLINGS AND LINES, PRESSURE COUPLINGS (08) - HYDRAULICS

Схема запчастей Case IH 870 - (289E) - BREAK-AWAY COUPLINGS AND LINES, PRESSURE COUPLINGS (08) - HYDRAULICS
20
4
34
6
25
33
31
37
3
21
23
17
36
13
17
16
41
35
27
5
1
30
16
16
15
26
32
2
9
8
40
7
24
11
36
22
39
6
16
FIT
1:1
100%

Артикул

Название

Примечание

Количество

1

NSS

NOT SOLD SEPARAT

VALVE ASSY. - auxiliary (See Figure 274)

1шт.

2

A32348

GASKET,16.54mm ID x 23.29mm OD x 3.5mm Thk

- valve, 21/32 x 29/32 x 9/64"

1шт.

3

A32349

GASKET

-, Serial Range: valve-housing

1шт.

4

13-820

BOLT,Hex, 1/2" - 13 x 1-1/4", Gr 5, Full Thd

2шт.

5

13-824

BOLT,Hex, 1/2" - 13 x 1-1/2", Gr 5, Full Thd

2шт.

6

80679

LOCK WASHER,1/20.507 CST ZND

WASHER, LOCK, 1/2"

4шт.

7

25-108

NUT,1/2"-13, G5

- 1/2" N.C. hex

2шт.

8

A64708

FITTING

- oulet, R.H. & L.H. hose (7/8" N.F. x 1-1/16" N.F. x 1-3/4" long)

4шт.

9

A66791

HOSE

- hydraulic, L.H. upper

1шт.

11

A66793

HOSE

- hydraulic, L.H. lower

1шт.

13

A66792

HOSE

- hydraulic, R.H. lower

1шт.

15

A66790

HOSE

- hydraulic, R.H. upper

1шт.

16

NSS

NOT SOLD SEPARAT

COUPLING ASSY. - female (See Figure 293A)

4шт.

17

A135004

PLUG

- dust, female coupling

4шт.

20

A66786

BRACKET - mounting, R.H. coupling

1шт.

21

A66787

BRACKET

- mounting, L.H. coupling

1шт.

22

A135057

STIFFENER - bracket, R.H.

1шт.

23

13-1020

BOLT,Hex, 5/8" - 11 x 1-1/4", Gr 5, Full Thd

4шт.

24

92-10

LOCK WASHER,5/8"

WASHER, LOCK, 5/8"

4шт.

25

A66788

CLAMP

-, Serial Range: coupling-bracket

4шт.

26

192-19

LOCK WASHER,Helical Spring, 0.256" ID, CST, ZND

WASHER, LOCK, 1/4"

8шт.

27

7770

NUT,Hex, 1/4 - 20, Cl 5

1/4"-20, G5

8шт.

A65107

REGULATOR

KIT - speed, remote cylinder, hyd. regulator (includes ref. 30 - 39)

1шт.

30

A65105

VALVE

REGULATOR ASSY. - hyd. cyl. speed (includes ref. 31 - 39)

1шт.

31

NSS

NOT SOLD SEPARAT

BODY - hyd. cyl. speed regulator

1шт.

32

A31095

SCREW,Hex, #8 - 32 x 15/32"

- hyd. cyl. speed regulator stop

1шт.

33

192-106

WASHER

- lock, #8, hydraulic cylinder speed regulator

1шт.

34

A31094

JAM NUT

- adjusting screw locking, hydraulic cylinder speed regulator

1шт.

35

A31093

ADJUSTMENT SCREW,7/8" - 14 x 2 11/32", Gr 2

SCREW - speed regulation adjusting, hydraulic cylinder speed regulator

1шт.

36

A30097

O-RING,0.549" ID x 0.755" OD x 0.103"

"O" RING - 9/16 x 3/4 x 3/32", hydraulic cylinder speed regulator

1шт.

37

A27452

SPRING

- piston, hydraulic cylinder speed regulator

1шт.

38

A31092

PISTON

- speed regulation, hydraulic cylinder (includes ref. 39)

1шт.

39

218-5008

O-RING,0.116" Thk x 0.924" ID, -912, Cl 6, 90 Duro

"O" RING - 3/4 x 59/64 x 1/8", hydraulic cylinder speed regulator

1шт.

40

A60395

HOSE,12.7mm ID x 726.95mm L

- upper R.H. adapter (See Figures 290 & 291A) hydraulic cylinder speed regulator

1шт.

41

A32998

HYDRAULIC HOSE,15.88mm ID x 787.4mm L, SAE 100R1

HOSE - lower, R.H. adapter (See Page 315 & 315B) hydraulic cylinder speed regulator

1шт.

Выбрано товаров: 35