Запчасти Case IH 970 (120) - STEERING HAND PUMP (05) - STEERING

Схема запчастей Case IH 970 - (120) - STEERING HAND PUMP (05) - STEERING
10
26
5
3
14
11
24
8
1
7
27
28
9
4
30
20
27
29
29
22
13
26
7
5
6
25
12
23
21
2
28
15
6
8
FIT
1:1
100%

Артикул

Название

Примечание

Количество

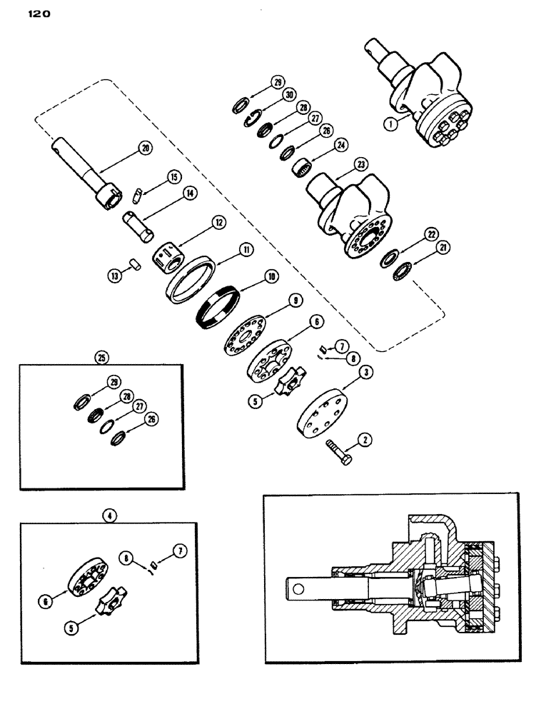
1

A60202

PUMP ASSY. - steering, hand pump, Includes: Ref. 2 - 30

1шт.

2

F19642

BOLT - pump end cover

7шт.

3

F19641

COVER - pump end

1шт.

4

A42214

ROTOR

SET - pump, Includes: Ref. 5 - 8

1шт.

5

NSS

NOT SOLD SEPARAT

ROTOR SET - pump

1шт.

6

NSS

NOT SOLD SEPARAT

STATOR - pump

1шт.

7

NSS

NOT SOLD SEPARAT

VANE - pump rotor

6шт.

8

A42219

SPRING

- retainer, pump vane sealing

6шт.

9

A42206

SPACER

- pump rotor

1шт.

10

F19640

SEAL

- pump rotor

1шт.

11

F19639

RETAINER

- seal, pump rotor

1шт.

12

NSS

NOT SOLD SEPARAT

COMMUTATOR - pump body

1шт.

13

F19631

PIN

- pump commutator

1шт.

14

F19635

LINK

- pump drive

1шт.

15

F19636

PIN

- pump link

2шт.

20

F12500

SHAFT - pump drive

1шт.

21

F19633

NEEDLE BEARING,22.27mm ID x 36.24mm OD x 1.98mm W

BEARING - needle, thrust, pump shaft

1шт.

22

F19634

BEARING WASHER

RACE - bearing thrust, pump shaft

1шт.

23

A42213

BODY - pump with needle bearing

1шт.

24

A30588

NEEDLE BEARING,Needle, 22.23mm ID x 28.57mm OD x 12.7mm W

BEARING - needle, pump shaft to body

1шт.

25

A40624

SEAL

KIT - seal, steering hand pump, Includes: Ref. 26 - 29

1шт.

26

NSS

NOT SOLD SEPARAT

PACKING

1шт.

27

NSS

NOT SOLD SEPARAT

WASHER - back-up

1шт.

28

NSS

NOT SOLD SEPARAT

WASHER - spacer

1шт.

29

NSS

NOT SOLD SEPARAT

WASHER - felt

1шт.

30

A21145

SNAP RING,1.25, Int, #125

Ring, Snap, 1.25", Int, #125, spacer washer

1шт.

Выбрано товаров: 26