Запчасти Case IH 970 (008) - WATER MANIFOLD AND THERMOSTAT, (401B) DIESEL ENGINE (02) - ENGINE

Схема запчастей Case IH 970 - (008) - WATER MANIFOLD AND THERMOSTAT, (401B) DIESEL ENGINE (02) - ENGINE
10
9
6
21
11
35
20
7
32
2
27
19
1
25
34
13
30
1
4
33
12
18
31
8
26
17
16
5
3
FIT
1:1
100%

Артикул

Название

Примечание

Количество

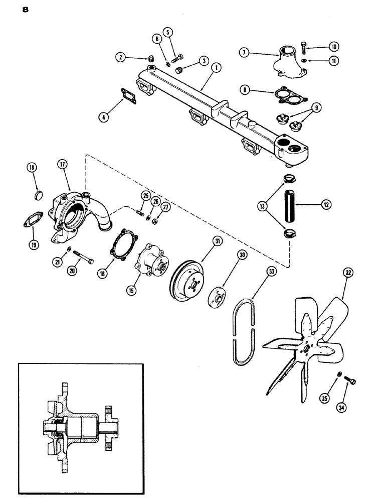
1

A60528

TUBE

MANIFOLD - water

1шт.

2

221-4

DRAIN PLUG,Sq Hd, 1/2"-14 NPTF

PLUG - pipe, 1/2" sq. hd.

1шт.

3

221-1845

DRAIN PLUG,Hex Soc, 3/4"-14, NPTF

PLUG - 3/4" hex. sckt. hd., pipe

3шт.

4

A58637

MANIFOLD GASKET

GASKET - water manifold

3шт.

5

13-625

BOLT - 3/8 x 1-9/16" N.C. hex.

3шт.

5

413-632

BOLT,Hex, 3/8" - 16 x 2", Gr 5

BOLT, Hex, 3/8"-16 x 2", G5

3шт.

6

92-6

LOCK WASHER,3/8"

LOCK WASHER, 3/8"

6шт.

7

A58638

HOUSING

HOUSING - thermostat

1шт.

8

A58639

GASKET

GASKET - thermostat housing

1шт.

9

A57641

THERMOSTAT

THERMOSTAT

2шт.

10

13-614

BOLT,Hex, 3/8" - 16 x 7/8", Gr 5, Full Thd

BOLT - 3/8 x 1-1/8" N.C. hex.

3шт.

11

92-6

LOCK WASHER,3/8"

LOCK WASHER, 3/8"

3шт.

12

A58737

HOSE,30.99mm ID x 134.62mm L, SAE 20R4

HOSE - water pump by-pass, 1-1/4 x 3-5/16"

1шт.

13

214-256

HOSE CLAMP,#20, 0.81" - 1.75", Type F Worm

CLAMP - by-pass hose, 1-3/16" to 1-3/4"

2шт.

15

A62972

PUMP

PUMP ASSY. - water (Replaces A58738)

1шт.

15

1998700C1

REMAN-WATER PUMP

Remanufactured Water Pump

1шт.

15

A48331

CORE-WATER PUMP

Return Number, Water Pump

1шт.

16

A58646

GASKET

GASKET - pump to body, water

1шт.

17

A58779

HOUSING

BODY ASSY. - water pump, Includes: Ref. 18

1шт.

18

A58568

PLUG,Cup, 1 3/8", Stainless

PLUG - 1-3/8" cup type, water pump

1шт.

19

A58649

GASKET

GASKET - body to block, water pump

1шт.

20

13-618

BOLT,Hex, 3/8" - 16 x 1-1/8", Gr 5

BOLT, , Water pump Hex, 3/8"-16 x 1 1/8", G5, Full Thd

4шт.

21

92-6

LOCK WASHER,3/8"

LOCK WASHER, , water pump 3/8"

4шт.

25

A62234

STUD

STUD - pump to body, 3/8" N.C. x 1-5/16", water

4шт.

26

193-30

LOCK WASHER,Int Tooth, 3/8"

WASHER, LOCK, , Water pump Int Tooth, 3/8"

4шт.

27

25-146

JAM NUT,Jam, 3/8"-16, G5

NUT - 3/8" N.C. hex. jam, water pump

4шт.

30

A58745

SPACER

SPACER - fan blade, 9/16" wide, water pump

1шт.

30

A61283

BUSHING

SPACER - fan blade, 3/4" wide, water pump

1шт.

30

A61268

BUSHING

SPACER - fan blade, 1" wide, water pump

1шт.

31

A58837

PULLEY

PULLEY - fan driven, water pump

1шт.

32

A15606

FAN

FAN, water pump

1шт.

33

A65143

V-BELT,0.69" W x 58.25" L

Fan, Replaces A59763, Water Pump

1шт.

34

13-626

BOLT,Hex, 3/8" - 16 x 1-5/8", Gr 5

BOLT, (Used w/A58745 spacer), water pump Hex, 3/8"-16 x 1 5/8", G5

4шт.

34

13-628

BOLT,Hex, 3/8" - 16 x 1-3/4", Gr 5

BOLT, (Used w/A61283 spacer), water pump Hex, 3/8"-16 x 1 3/4", G5

4шт.

34

413-632

BOLT,Hex, 3/8" - 16 x 2", Gr 5

BOLT, (Used w/A61268 spacer), Water pump Hex, 3/8"-16 x 2", G5

4шт.

35

92-6

LOCK WASHER,3/8"

LOCK WASHER, , water pump 3/8"

4шт.

Выбрано товаров: 36