Запчасти Case IH 970 (219A) - P.T.O. HOUSING (06) - POWER TRAIN

Схема запчастей Case IH 970 - (219A) - P.T.O. HOUSING (06) - POWER TRAIN
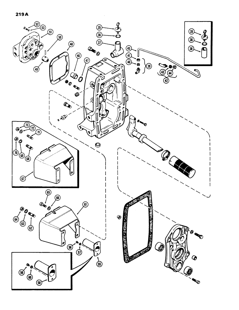
38
50
64
52
68
37
72
62
49
40
56
71
42
69
48
36
41
36
73
70
66
43
45
65
55
61
46
51
39
63
67
44
35
35
57
53
47
FIT
1:1
100%

Артикул

Название

Примечание

Количество

35

A64404

BREATHER

PLUG ASSY. - filler (Replaces A59123), Includes: Ref. 36

1шт.

36

A7623

O-RING,0.139" Thk x 0.984" ID, -214, Cl 5, 75 Duro

"O"RING - 1 x 1-1/4 x 1/8"

1шт.

37

A62172

TUBE

ASSY. - oil filter (used w/casting A62171 and A65824)

1шт.

38

A59122

TUBE - oil filter (used w/casting A58191)

1шт.

39

222-48

ELBOW,90º, 13/16"-18 Fem x 3/8"-18 NPTF

ASSY. - make, 3/8" tube O.D. x 3/8" P.T., Includes: Ref. 40 and 41

1шт.

40

222-104

SLEEVE,3/8" Tube

- For 3/8" Tube

1шт.

41

222-114

NUT,5/8"-24

NUT - For 3/8" tube

1шт.

42

222-47

ELBOW,90 Degree, 5/8"-24 Fem x 1/4"-27 NPTF

ASSY. - male, 3/8" tube O.D. x 1/4" P.T., Includes: Ref. 43 and 44

1шт.

43

222-104

SLEEVE,3/8" Tube

- for 3/8" Tube

1шт.

44

222-114

NUT,5/8"-24

NUT - for 3/8" tube

1шт.

45

A59299

TUBE

- P.T.O. clutch lubrication

1шт.

46

A58983

TUBE

- hyd. pump inlet

1шт.

47

A30915

O-RING,0.139" Thk x 1.359" ID, -220, Cl 5, 75 Duro

"O"RING - 1-3/8 x 1-5/8 x 1/8"

1шт.

48

A32096

GASKET

- hydraulic dual pump

1шт.

49

A32097

COUPLING, BREAK AWAY

COUPLING - hydraulic dual pump shaft

1шт.

50

138-2011

PIN,1/8" x 1 1/4", Coiled

. hyd. pump shaft coupling 1/8" x 1 1/4", Coiled

1шт.

51

REF

INSTRUCTION

PUMP ASSY. - hyd. dual (See Figure 243)

1шт.

52

13-620

BOLT,Hex, 3/8" - 16 x 1-1/4", Gr 5, Full Thd

6шт.

53

92-6

LOCK WASHER,3/8"

6шт.

55

A32456

GUARD ASSY. - output shaft (single speed)

1шт.

56

13-58

BOLT,Hex, 5/16" - 18 x 1/2", Gr 5

(Single speed) Hex, 5/16"-18 x 1/2", G5, Full Thd

2шт.

57

92-5

LOCK WASHER,5/16"

(single speed) 5/16"

2шт.

58

A58238

GUARD

- output shaft (dual speed)

1шт.

59

13-48

BOLT,Hex, 1/4" - 20 x 1/2", Gr 5

(Dual speed) Hex, 1/4"-20 x 1/2", G5, Full Thd

2шт.

60

92-4

LOCK WASHER,1/4"

WASHER, LOCK, , Dual speed 1/4"

2шт.

61

A62391

GUARD

SHIELD - output shaft (1st used trans. ser. no. 2363134)

1шт.

62

A58195

STUD

- 5/8" N.C. x 3-1/2"

2шт.

63

193-34

LOCK WASHER,Int Tooth, 5/8"

WASHER, LOCK, Int Tooth, 5/8"

2шт.

64

25-1010

NUT,5/8"-11, G5

2шт.

65

13-824

BOLT,Hex, 1/2" - 13 x 1-1/2", Gr 5, Full Thd

Used w/dual speed Hex, 1/2"-13 x 1 1/2", G5, Full Thd

2шт.

65

13-828

BOLT,Hex, 1/2" - 13 x 1-3/4", Gr 5

- 1/2 x 1-3/8" N.C. hex (use w/single speed)

2шт.

66

193-32

LOCK WASHER,Int Tooth, 1/2"

WASHER, LOCK, Int Tooth, 1/2"

2шт.

67

A58237

SHIELD

- output shaft to trans. (Order A62391), Serial Range: -2363134

1шт.

68

A58195

STUD

- 5/8" N.C. 3-1/2"

2шт.

69

193-34

LOCK WASHER,Int Tooth, 5/8"

WASHER, LOCK, Int Tooth, 5/8"

2шт.

70

25-1010

NUT,5/8"-11, G5

2шт.

71

A58194

STUD - 1/2" N.C. x 3-1/8"

2шт.

72

193-32

LOCK WASHER,Int Tooth, 1/2"

WASHER, LOCK, Int Tooth, 1/2"

2шт.

73

25-108

NUT,1/2"-13, G5

- 1/2" N.C. hex

2шт.

Выбрано товаров: 39