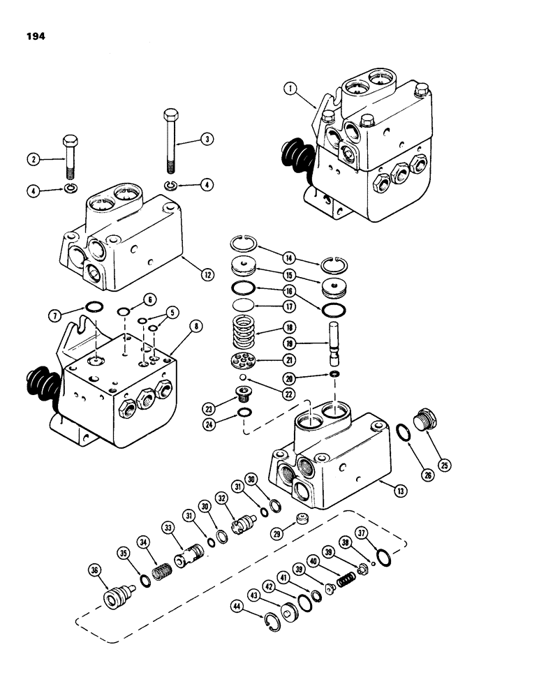
Запчасти Case IH 970 (194) - A65055 POWER BRAKE VALVE, 1ST USED TRAC. SER. NO. 8711460 (07) - BRAKES

Схема запчастей Case IH 970 - (194) - A65055 POWER BRAKE VALVE, 1ST USED TRAC. SER. NO. 8711460 (07) - BRAKES
30
7
42
1
2
8
15
36
35
43
24
33
22
20
39
25
37
31
41
34
19
6
44
30
18
16
5
12
38
17
21
14
4
3
39
4
13
26
40
23
31
32
FIT
1:1
100%

Артикул

Название

Примечание

Количество

1

A65055

VALVE

ASSY. - power brake (Replaces A62074), Includes: Ref. 2 - 44

1шт.

2

13-532

BOLT,Hex, 5/16" - 18 x 2", Gr 5

2шт.

3

13-552

BOLT,Hex, 5/16" - 18 x 3-1/4", Gr 5

- 5/16 x 3-1/4" N.C. hex

2шт.

4

92-5

LOCK WASHER,5/16"

4шт.

5

A28090

O-RING,0.301" ID x 0.441" OD x 0.07"

-011, 70 Duro, .301" ID x .070" Thk

2шт.

Part of power brake valve cover repair kit P/N A43709

1шт.

6

A18414

O-RING,0.07" Thk x 0.489" ID, -14, Cl 5, 75 Duro

"O"RING - 1/2 x 5/8 x 1/16"

1шт.

Part of power brake valve cover repair kit P/N A43709

1шт.

7

F10894

O-RING,0.07" Thk x 0.676" ID, -17, Cl 5, 75 Duro

"O"RING - 3/4 x 7/8 x 1/16"

1шт.

Part of power brake valve cover repair kit P/N A43709

1шт.

8

A65363

VALVE

ASSY. - brake (See Figure 195B)

1шт.

12

A64914

COVER

ASSY. - power brake valve, Includes: Ref. 13 - 44

1шт.

13

NSS

NOT SOLD SEPARAT

BODY - power brake valve cover (Order A64914)

1шт.

14

A36277

SNAP RING,1.125", Int, #112

pressure relief & brake influx pressure plug 1.125", Int, #112

2шт.

15

A59981

PLUG

- pressure relief and brake influx pressure

2шт.

16

A58602

O-RING,0.103" Thk x 0.924" ID, -119, Cl 5, 75 Duro

"O"RING - 15/16 x 1-1/8 x 3/32"

2шт.

Part of power brake valve cover repair kit P/N A43709

1шт.

17

A61803

SHIM,.100" Thk

(1-1/10" OD x 5/100" width) .100" Thk

1шт.

17

A61802

SHIM,.050" Thk

(1-1/10" OD x 1/10" width) .050" Thk

1шт.

17

A60655

SHIM,.010" Thk

(1-1/10" OD x 1/100" width) .010" Thk

1шт.

18

A59980

SPRING

- 1-1/5" free length

1шт.

19

A62836

INSERT

LIMITER - flow

1шт.

20

A27358

O-RING,0.07" Thk x 0.239" ID, -10, Cl 5, 75 Duro

"O"RING - 1/4 x 3/8 x 1/16"

1шт.

Part of power brake valve cover repair kit P/N A43709

1шт.

21

A59979

WASHER

- pressure relief valve

1шт.

22

211-9

BALL,5/16" Dia

- pressure relief valve, . 5/16" Dia

1шт.

23

A62433

SEAT

- pressure relief valve

1шт.

24

A18414

O-RING,0.07" Thk x 0.489" ID, -14, Cl 5, 75 Duro

"O"RING - 1/2 x 5/8 x 1/16"

1шт.

25

71100209

PLUG,Hex Soc, 3/4"-16 ORB

Assy, Incl Ref 26 Hex Soc, 3/4"-16 ORB

1шт.

29

A59969

PLUG

- valve cover orifice

1шт.

30

A59951

RING

- seal, spool and piston

2шт.

Part of power brake valve cover repair kit P/N A43709

1шт.

31

A28090

O-RING,0.301" ID x 0.441" OD x 0.07"

-011, 70 Duro, .301" ID x .070" Thk

2шт.

Part of power brake valve cover repair kit P/N A43709

1шт.

32

A59977

PISTON

- power assist

1шт.

33

A62833

SPOOL

- pressure regulating

1шт.

34

A59975

SPRING

- press. regulating spool (21/32" free length)

1шт.

35

A29197

O-RING,0.424" ID x 0.63" OD x 0.103"

"O"RING - 7/16 x 5/8 x 3/32"

1шт.

Part of power brake valve cover repair kit P/N A43709

1шт.

36

A60650

SPOOL

- pressure release

1шт.

37

F62114

O-RING,0.103" Thk x 0.674" ID, -115, Cl 5, 75 Duro

"O"RING - 11/16 x 7/8 x 3/32"

1шт.

Part of power brake valve cover repair kit P/N A43709

1шт.

38

211-4

BALL

-

1шт.

39

A64916

WASHER

- pressure control spring

2шт.

40

A65039

SPRING

- check, brake valve (3/4" free length)

1шт.

41

A59973

SNAP RING,0.50", Int, #50

Ring, Snap, 0.50", Int, #50

1шт.

42

D32114

O-RING,0.75" ID x 0.875" OD

"O"RING - 3/4 x 7/8 x 1/16"

1шт.

Part of power brake valve cover repair kit P/N A43709

1шт.

43

A60652

PLUG

- pressure control

1шт.

44

23138

O-RING

RING - snap, pressure control plug

1шт.

A43709

SEAL

KIT - repair, power brake valve cover, Not Illustrated, Includes: Ref. 5, 6, 7, 16, 20, 26, 30, 31, 35, 37 and 43

1шт.

26

218-5006

O-RING,0.087" Thk x 0.644" ID, -908, Cl 6, 90 Duro

"O"RING - 1/2 x 21/32 x 3/32"

1шт.

Part of power brake valve cover repair kit P/N A43709

1шт.

Выбрано товаров: 53